Запчасти Case P60 (368) - LINE LAYER AND GEARBOX MOUNTING (89) - TOOLS

Схема запчастей Case P60 - (368) - LINE LAYER AND GEARBOX MOUNTING (89) - TOOLS
FIT
1:1
100%

Артикул

Название

Примечание

Количество

1

REF

INSTRUCTION

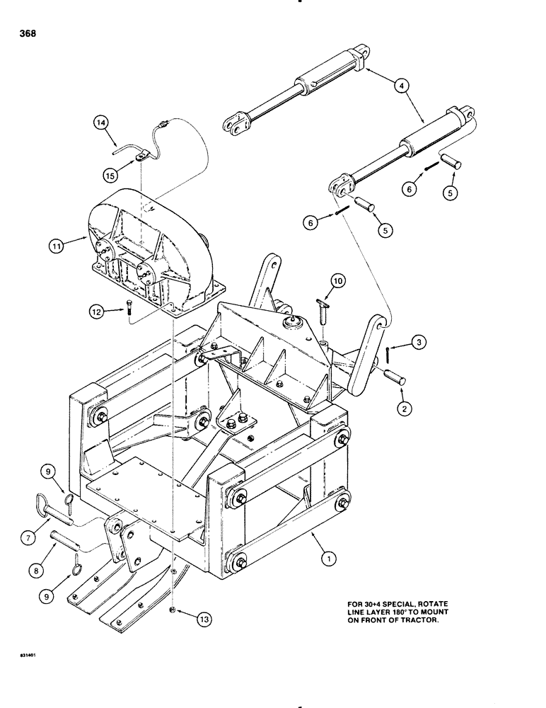
FRAME - line layer, parts list figure 372

1шт.

2

H146118

AXLE PIN

CLEVIS PIN - 1-1/8" x 3-3/4" long, lower

2шт.

3

132-307

COTTER PIN,1/4" x 1 3/4"

PIN, Split (Cotter), 1/4" x 1 3/4"

2шт.

4

H560730

CYLINDER

- line layer lift, parts list figure 366

2шт.

5

H143974

CLEVIS COUPLING

CLEVIS PIN - 1" x 2-7/8" long

4шт.

6

132-307

COTTER PIN,1/4" x 1 3/4"

PIN, Split (Cotter), 1/4" x 1 3/4"

4шт.

7

H531830

AXLE PIN

PIN - loop, blade retaining, upper

1шт.

8

H79293

AXLE PIN,28.5mm OD x 128.59mm L

CLEVIS PIN - 1-1/8" x 4-7/8" long, blade retaining, lower

1шт.

9

A30338

PIN

- pin retaining

2шт.

10

H565259

PIN

- swing lock

1шт.

11

REF

INSTRUCTION

GEARBOX - parts list figure 370

1шт.

12

113-421

BOLT,Hex, 1/2" - 13 x 2", Gr 5

10шт.

13

131-1182

LOCK NUT,1/2"-13, GA

NUT - hex, self-locking, 1/2" - 13 NC

10шт.

14

H546275

TUBE,0.25" OD x 18" L

- lube bleed

1шт.

15

H151753

CLAMP

- tube

1шт.

Выбрано товаров: 15