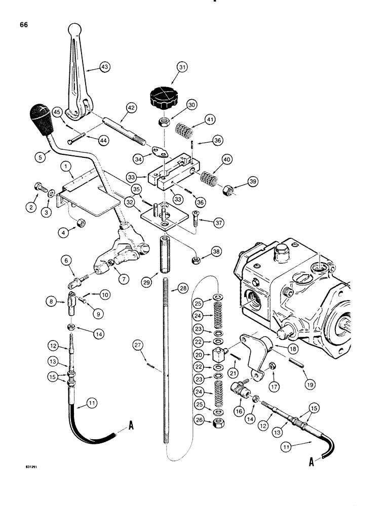
Запчасти Case P60 (066) - FWD. AND REV. CONTORLS WITH NEUTRAL CENTERING, USED ON 30+4 BEFORE S/N 4790 AND 40+4 BEFORE S/N 3600 (29) - HYDROSTATIC DRIVE

Схема запчастей Case P60 - (066) - FWD. AND REV. CONTORLS WITH NEUTRAL CENTERING, USED ON 30+4 BEFORE S/N 4790 AND 40+4 BEFORE S/N 3600 (29) - HYDROSTATIC DRIVE
FIT
1:1
100%

Артикул

Название

Примечание

Количество

1

H562546

LATCH

- start switch

1шт.

2

113-102

BOLT,Hex, 5/16" - 18 x 3/4", Gr 5

Hex, 5/16"-18 x 3/4", G5, Full Thd

2шт.

3

195-521

WASHER,5/16", SAE

- flat, 5/16"

2-4шт.

4

131-176

LOCK NUT,Prev Torque, Hex, 5/16" - 18, Gr A

NUT - hex, self-locking, 5/16" - 18 NC

2шт.

5

REF

INSTRUCTION

LEVER ASSEMBLY - steering and forward and reverse, see parts list figure 48

1шт.

6

H217109

BOLT

EYE BOLT - lever

1шт.

7

131-1169

LOCK NUT,5/16"-24, GA

NUT, LOCK, 5/16"-24, GA

1шт.

8

H165688

ADJUSTABLE CLEVIS,1/4"-28 x 2"

CLEVIS - special, 1/4"

1шт.

9

H169318

CLEVIS COUPLING,6.35mm OD x 22.62mm L

CLEVIS PIN - special, 1/4" x 51/64" long

1шт.

10

132-328

COTTER PIN,1/16" x 1/2"

PIN, SPLIT (COTTER), 1/16" x 1/2"

1шт.

11

H556290

CONTROL

CABLE - forward and reverse, 80" (2032 mm) long, used on older tractors with U-joint pump drive conversion, if used

1шт.

11

H559690

CABLE

- forward and reverse, 72" (1829 mm) long, Includes: Ref. 12-15

1шт.

12

L32683

SEAL

- rod, cable

2шт.

13

L32682

SEAL

SEAL - sleave, cable

2шт.

14

425-154

JAM NUT,Jam, 1/4"-28, G5

2шт.

15

129-127

NUT,5/8"-18, G5

JAM NUT - hex, 5/8" - 18 NF

4шт.

16

H169920

BALL JOINT

-, Serial Range: cable-bellcrank

1шт.

17

131-1168

LOCK NUT,1/4"-28, GA

NUT, LOCK, 1/4"-28, GA

1шт.

18

H559641

CRANK

BELLCRANK - pump, forward and reverse

1шт.

19

138-137

LOCK PIN,1/4" x 1 3/8", Slotted

PIN, , Bellcrank 1/4" x 1 3/8", Slotted

1шт.

20

H190421

JOINT TURNING

SWIVEL - bellcrank

1шт.

21

132-310

COTTER PIN,1/8" x 1"

PIN, SPLIT (COTTER), 1/8" x 1"

1шт.

22

H201541

WASHER

- friction

2шт.

23

193-68

LOCK WASHER,Int Tooth, 3/8"

WASHER, LOCK, Int Tooth, 3/8"

2шт.

24

H218602

VALVE SPRING

SPRING - centering

2шт.

25

195-103

WASHER,5/16"

- flat, 5/16"

2шт.

26

131-178

LOCK NUT,Prev Torque, Hex, 3/8" - 16, Gr A

NUT - hex, self-locking, 3/8" - 16 NC

1шт.

27

138-57

LOCK PIN,1/8" x 3/4", Slotted

PIN, 1/8" x 3/4", Slotted

1шт.

28

H194993

SHAFT

- adjusting

1шт.

29

H190405

SLEEVE CYLINDER

SLEEVE - control shaft

1шт.

30

87016560

JAM NUT,Jam, 3/8"-16, G5

1шт.

31

H189696

KNOB

- adjusting

1шт.

32

H568923

PLATE ASSY.

PLATE - control mounting

1шт.

33

H217380

BLOCK

CLAMP BLOCK - control

2шт.

34

H217398

PLATE

TIE BAR - clamp block

1шт.

35

132-344

COTTER PIN,3/16" x 1"

PIN, SPLIT (COTTER), 3/16" x 1"

2шт.

36

138-88

LOCK PIN,3/16" x 1/2", Slotted

PIN, 3/16" x 1/2", Slotted

2шт.

37

164-207

HEX SOC SCREW,Flat Hd, 5/16" - 18 x 1"

MACHINE SCREW - hex socket head, 5/16" -18 NC x 1"

2шт.

38

131-176

LOCK NUT,Prev Torque, Hex, 5/16" - 18, Gr A

NUT - hex, self-locking, 5/16" - 18 NC

2шт.

39

131-1182

LOCK NUT,1/2"-13, GA

NUT - hex, self-locking, 1/2" - 13 NC

1шт.

40

H217430

SPRING

- vernier lock

1шт.

41

H219212

SPRING

- lock release

1шт.

42

H217406

BOLT

- special, clamp

1шт.

43

H217356

LEVER

- cam locking

1шт.

44

H32979

CLEVIS COUPLING

CLEVIS PIN - 3/16" x 1.4" long

1шт.

45

132-328

COTTER PIN,1/16" x 1/2"

PIN, SPLIT (COTTER), 1/16" x 1/2"

1шт.

Выбрано товаров: 46