Запчасти Case P60 (068) - FWD. & REV. CONTROLS, W/O NEUTRAL CENTERING, USED ON 30+4 S/N TO 1223228 & ON 40+4 S/N 3600 & AFTER (29) - HYDROSTATIC DRIVE

Схема запчастей Case P60 - (068) - FWD. & REV. CONTROLS, W/O NEUTRAL CENTERING, USED ON 30+4 S/N TO 1223228 & ON 40+4 S/N 3600 & AFTER (29) - HYDROSTATIC DRIVE
FIT
1:1
100%

Артикул

Название

Примечание

Количество

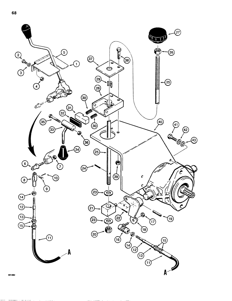
1

H562546

LATCH

- start switch

1шт.

2

113-102

BOLT,Hex, 5/16" - 18 x 3/4", Gr 5

Hex, 5/16"-18 x 3/4", G5, Full Thd

2шт.

3

195-521

WASHER,5/16", SAE

- flat, 5/16"

2-4шт.

4

131-176

LOCK NUT,Prev Torque, Hex, 5/16" - 18, Gr A

NUT - hex, self-locking, 5/16" - 18 NC

2шт.

5

REF

INSTRUCTION

LEVER ASSEMBLY - steering and forward and reverse, see parts list figure 48

1шт.

6

H217109

BOLT

EYE BOLT - lever

1шт.

7

131-1169

LOCK NUT,5/16"-24, GA

NUT, LOCK, 5/16"-24, GA

1шт.

8

H165688

ADJUSTABLE CLEVIS,1/4"-28 x 2"

CLEVIS - special, 1/4"

1шт.

9

H169318

CLEVIS COUPLING,6.35mm OD x 22.62mm L

CLEVIS PIN - special, 1/4" x 51/64" long

1шт.

10

132-328

COTTER PIN,1/16" x 1/2"

PIN, SPLIT (COTTER), 1/16" x 1/2"

1шт.

11

H556290

CONTROL

CABLE - forward and reverse, 80" (2032 mm) long, Includes: Ref. 12-15

1шт.

12

L32683

SEAL

- rod, cable

2шт.

13

L32682

SEAL

SEAL - sleeve, cable

2шт.

14

425-154

JAM NUT,Jam, 1/4"-28, G5

2шт.

15

129-127

NUT,5/8"-18, G5

JAM NUT - hex, 5/8" - 18 NF

4шт.

16

H169920

BALL JOINT

BALL POINT -, Serial Range: cable-bellcrank

1шт.

17

131-1168

LOCK NUT,1/4"-28, GA

NUT, LOCK, 1/4"-28, GA

1шт.

18

H559641

CRANK

BELLCRANK - pump, forward and reverse, used on 30+4 SN 4790 to 5210, on 40+4 SN 3600 to 3930, and on 30+4 Special SN 3608 to 3751, dimension "A" is 1-3/4"

1шт.

18

H597765

ARM ASSY.

BELLCRANK - pump, forward and reverse, used on 30+4 SN 5210 and after, on 40+4 SN 3930 and after, and on 30+4 Special SN 3751 and after, dimension "A" is 2-3/8"

1шт.

19

138-137

LOCK PIN,1/4" x 1 3/8", Slotted

PIN, , Bellcrank 1/4" x 1 3/8", Slotted

1шт.

20

131-1182

LOCK NUT,1/2"-13, GA

NUT - hex, self-locking, 1/2" - 13 NC

1шт.

21

H237701

BLOCK

- vernier control, bellcrank

1шт.

22

132-334

COTTER PIN,1/8" x 3/4"

PIN, SPLIT (COTTER), 1/8" x 3/4"

1шт.

23

195-105

WASHER,7/16"

- flat, 7/16"

2шт.

24

138-96

LOCK PIN,3/16" x 1", Slotted

PIN, 3/16" x 1", Slotted

1шт.

25

H237750

CONTROL BLOCK

SHAFT - adjusting

1шт.

26

129-145

JAM NUT,Jam, 1/2"-13, G5

1шт.

27

H239004

KNOB

- adjusting

1шт.

H608885

CONTROL BLOCK

BASE ASSEMBLY - control, Includes: Ref. 28, 29

1шт.

28

NSS

NOT SOLD SEPARAT

BASE - control (replaces H299156) (order base assembly)

1шт.

29

H299164

BUSHING

- friction

1шт.

30

H253864

VALVE SPRING

SPRING - release

2шт.

H608877

BLOCK

ASSEMBLY - half nut, locking, Includes: Ref. 31, 32

1шт.

31

H299131

BLOCK

- half nut, locking

1шт.

32

H299149

BLOCK

CUSHION - friction

1шт.

33

H577783

CAM

LEVER - cam locking, with sraight handle, not shown, if used

1шт.

33

H618504

CAM

LEVER - cam locking, with bent handle, if used

1шт.

34

A14051

GRIP

KNOB - lever, cam

1шт.

35

113-46

BOLT,Hex, 1/4" - 20 x 2-3/4", Gr 5

- hex head, 1/4" - 20 NC x 2-3/4"

1шт.

36

131-1102

LOCK NUT,1/4"-20, GA

NUT - hex, self-locking, 1/4" - 20 NC

1шт.

37

H233767

COVER ASSY

PLATE - cover, control base

1шт.

38

113-121

BOLT,Hex, 5/16" - 18 x 2", Gr 5

2шт.

39

131-176

LOCK NUT,Prev Torque, Hex, 5/16" - 18, Gr A

NUT - hex, self-locking, 5/16" - 18 NC

2шт.

40

H586222

BRACKET

- pump control mounting

1шт.

41

113-103

BOLT,Hex, 5/16" - 18 x 1", Gr 5

4шт.

42

192-404

LOCK WASHER,5/16"

WASHER, LOCK, 5/16"

4шт.

43

195-521

WASHER,5/16", SAE

- flat, 5/16", if used

4шт.

Выбрано товаров: 47