Запчасти Case SD100 (460) - H560292 FIVE SPOOL CONTROL VALVE (35) - HYDRAULIC SYSTEMS

Схема запчастей Case SD100 - (460) - H560292 FIVE SPOOL CONTROL VALVE (35) - HYDRAULIC SYSTEMS
FIT
1:1
100%

Артикул

Название

Примечание

Количество

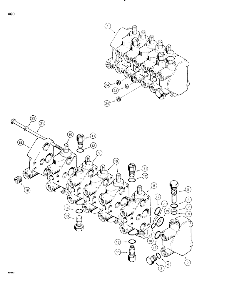
1

H560292

VALVE

CONTROL VALVE - backhoe, five spool, Cessna No.30005-AG, Includes: Ref. 2-24

1шт.

2

H52852

PLATE ASSY.

END SECTION - inlet

1шт.

3

86512512

PLUG,7/8" - 14 ORB

Inlet section, Incl. Ref. 4 Hex Hd, 7/8"-14 ORB

1шт.

4

237-6010

O-RING,0.097" Thk x 0.755" ID, -910, Cl 6, 90 Duro

- plug

1шт.

5

F88054

VALVE

RELIEF VALVE - end section, 2000 psi

1шт.

H226415

SEAL ASSY.

SEAL KIT - relief valve, Includes: Ref. 6-8

1шт.

6

A27365

O-RING,0.103" Thk x 0.75" ID, -116, Cl 5, 75 Duro

- large, relief valve

1шт.

7

G32626

RING

BACKUP RING - small O-ring

1шт.

8

A7982

O-RING,0.103" Thk x 0.612" ID, -114, Cl 5, 75 Duro

- small, relief valve

1шт.

9

H513630

SECTOR

SECTION - boom and dipper, parts list figure 464

2шт.

10

H513630

SECTOR

SECTION - swing, blade lift, and bucket, parts list figure 466

3шт.

11

H351791

VALVE

RELIEF VALVE - boom and dipper section, 300 psi, Includes: Ref. 12

3шт.

12

A27365

O-RING,0.103" Thk x 0.75" ID, -116, Cl 5, 75 Duro

- large, relief valve

1шт.

13

H52837

PLUG

- dipper section, Includes: Ref. 14

1шт.

14

A27365

O-RING,0.103" Thk x 0.75" ID, -116, Cl 5, 75 Duro

- plug

1шт.

15

H52803

PLATE ASSY.

END SECTION - oulet

1шт.

16

221-842

DRAIN PLUG,Hex Soc, 3/8"-18 NPTF

PIPE PLUG - hex socket, for power beyond, if used

1шт.

17

H757492

SEAL

O-RING - between sections, top and bottom

12шт.

Part of seal repair kit P/N H120097

1шт.

18

D31410

O-RING,0.103" Thk x 0.674" ID, -115, Cl 6, 90 Duro

- between sections, small, center

6шт.

Part of seal repair kit P/N H120097

1шт.

19

R30990

O-RING,0.103" Thk x 1.174" ID, -123, Cl 6, 90 Duro

- between sections, large, center

6шт.

Part of seal repair kit P/N H120097

1шт.

20

H210849

WASHER

BACKUP RING - between sections, large O-ring, center

6шт.

Part of seal repair kit P/N H120097

1шт.

21

H226993

BOLT

TIE BOLT - hex head, 3/8" - 18 NC x 9-3/8"

4шт.

22

92-6

LOCK WASHER,3/8"

4шт.

23

H746859

PLATE ASSY.

ORIFICE - boom section, .1360" (3.454 mm) diameter

1шт.

24

H61077

ORIFICE

- swing section, .0935" (2.375 mm) diameter

2шт.

H120097

SEAL ASSY.

KIT- seal repair, between sections, Includes: Refs. 17, 18, 19 and 20

1шт.

Выбрано товаров: 30