Запчасти Case DH4 (3-02) - PLOW ATTACHMENT (89) - TOOLS

Схема запчастей Case DH4 - (3-02) - PLOW ATTACHMENT (89) - TOOLS
FIT
1:1
100%

Артикул

Название

Примечание

Количество

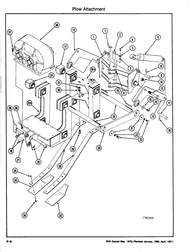
1

H645473

FRAME

- Front

1шт.

2

H384099

PIVOT

PIN - Pivot

2шт.

3

H313981

PIN

RETAINER, Includes: Refs. 4-6

2шт.

4

113-208

BOLT,Hex, 3/8" - 16 x 1-1/4", Gr 5

2шт.

5

195-525

WASHER,3/8", SAE

- Flat (3/8)

2шт.

6

230-4216

LOCK NUT,3/8"-16, GA

NUT - Hex (3/8 NC - Lock)

2шт.

7

H565259

PIN

- Swing Lock

1шт.

8

G33751

CYLINDER,Double Acting, 38.1mm Rod, 177.8mm Stroke

PLOW LIFT CYLINDER ASSEMBLY - (see Figure 3-14)

2шт.

9

H67272

PIN,25.3mm OD x 84.93mm L

PIN - Clevis (2 x 2 25/32)

2шт.

10

A30338

PIN

- Klik

6шт.

11

H69476

RETAINER

PIN - Clevis (1 x 6 ) (replaces H56606 )

2шт.

12

H645457

ARM/LIFTING DEVICE

ARM - Lift, Includes: Refs. 13, 14

2шт.

13

113-929

BOLT,Hex, 1" - 8 x 6-1/2", Gr 5

- Hex Hd (1 x 6 NC - Lock)

2шт.

14

131-1184

LOCK NUT,1"-8, GA

NUT - Hex (1 NC - Lock)

2шт.

15

H165720

WASHER

- Flat (17/32)

2шт.

16

113-417

BOLT,Hex, 1/2" - 13 x 1-1/4", Gr 5, Full Thd

2шт.

16a

H663302

FRAME

- Pivot (replaces H645465), Includes: Ref. 17

1шт.

17

H235069

SEAL

BUSHING - Rubber

4шт.

18

H401323

SHAFT

4шт.

19

F21923

KEY

- (1/4 x )

8шт.

20

H654236

LINK

- RH

2шт.

H654228

LINK

- LH

2шт.

21

H196626

WASHER

- Retainer, Includes: Refs. 22, 23

8шт.

22

192-25

LOCK WASHER,5/8"

WASHER, LOCK, 5/8"

8шт.

23

113-606

BOLT,Hex, 5/8" - 11 x 1-1/4", Gr 5, Full Thd

8шт.

23a

H663385

FRAME

- Rear (replaces H645556), Includes: Refs. 24, 25

1шт.

24

H235069

SEAL

BUSHING - Rubber

4шт.

25

H131102

BUSHING

4шт.

26

H531830

AXLE PIN

PIN - Lock

1шт.

27

H79293

AXLE PIN,28.5mm OD x 128.59mm L

PIN - Clevis

1шт.

28

H388561

SPRING

- Shoe, Includes: Refs. 29-31

2шт.

29

113-600

BOLT,Hex, 5/8" - 11 x 1-3/4", Gr 5

4шт.

30

195-541

WASHER,5/8", SAE

- Flat (5/8)

4шт.

31

131-1130

LOCK NUT,5/8"-11, GA

NUT - Hex (5/8 NC - Lock)

4шт.

32

H149666

SHOE (ASSY)

SHOE - Spring

1шт.

33

H149674

SHOE (ASSY)

SHOE - Spring, Includes: Refs. 34, 35

1шт.

34

164-152

HEX SOC SCREW,Flat Hd, 3/8" - 24 x 1"

SCREW - Soc Hd (3/8 x 1 NF)

4шт.

35

131-1326

JAM NUT,Jam, 3/8"-24

NUT - Hex (3/8 NF - Lock)

4шт.

36

H563619

BOX

GEAR CASE ASSEMBLY - (See Figure 3-10), Includes: Refs. 37, 38

1шт.

37

113-412

BOLT,Hex, 1/2" - 13 x 1-3/4", Gr 5

10шт.

38

131-1182

LOCK NUT,1/2"-13, GA

NUT - Hex (5/8 NC - Lock)

10шт.

Выбрано товаров: 41