Запчасти Case DH4 (1-10) - DRIVE LINE INSTALLATION (14) - MAIN GEARBOX & DRIVE

Схема запчастей Case DH4 - (1-10) - DRIVE LINE INSTALLATION (14) - MAIN GEARBOX & DRIVE
FIT
1:1
100%

Артикул

Название

Примечание

Количество

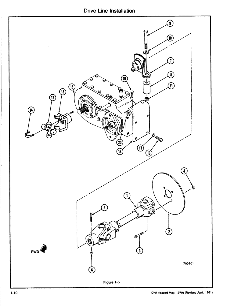
1

H637272

DRIVE SHAFT

ASSEMBLY - (See Figure 1-60)

1шт.

2

H643031

BRAKE DISC

DISC - Brake, Includes: Refs. 3, 4

1шт.

3

H379412

BOLT

- NF HH (AN6-20A-3/8 x 2 5/64)

4шт.

4

131-1133

NUT,3/8"-24, GC

NUT - NF HH T/L (3/8)

4шт.

5

113-119

BOLT,Hex, 5/16" - 18 x 2-3/4", Gr 5

1шт.

6

131-176

LOCK NUT,Prev Torque, Hex, 5/16" - 18, Gr A

NUT - NC Hex C/L (5/16)

1шт.

7

H758029

BEARING ASSY

BEARING ASSEMBLY

1шт.

8

H364646

SPACER

- Bearing, Includes: Refs. 9-11

2шт.

9

113-411

BOLT,Hex, 1/2" - 13 x 4-1/2", Gr 5

2шт.

10

195-533

WASHER,1/2", SAE

- Flat (1/2)

2шт.

11

131-1182

LOCK NUT,1/2"-13, GA

NUT - NC Hex C/L (1/2)

2шт.

12

D70629

U-JOINT SPIDER

KIT - Journal & Bearing

1шт.

13

H208488

YOKE

- End

1шт.

14

H183566

BOLT

U-BOLT ASSEMBLY

2шт.

15

H637264

TRANSMISSION

ASSEMBLY - (See Figure 1-62)

1шт.

DH4 Serial 1163577 up to 1187601

1шт.

H655589

TRANSMISSION

ASSEBMLY - (See Figure 1-63A), Includes: Refs. 16, 17

1шт.

DH4 Serial 1187601 and up

1шт.

16

113-417

BOLT,Hex, 1/2" - 13 x 1-1/4", Gr 5, Full Thd

4шт.

17

192-23

LOCK WASHER,1/2"

WASHER, LOCK, 1/2"

4шт.

18

H399766

BRACKET

PLATE - Transmission Mounting

1шт.

19

113-421

BOLT,Hex, 1/2" - 13 x 2", Gr 5

1шт.

20

129-557

NUT,1/2"-13, G5

- NC HH (1/2)

1шт.

Выбрано товаров: 0