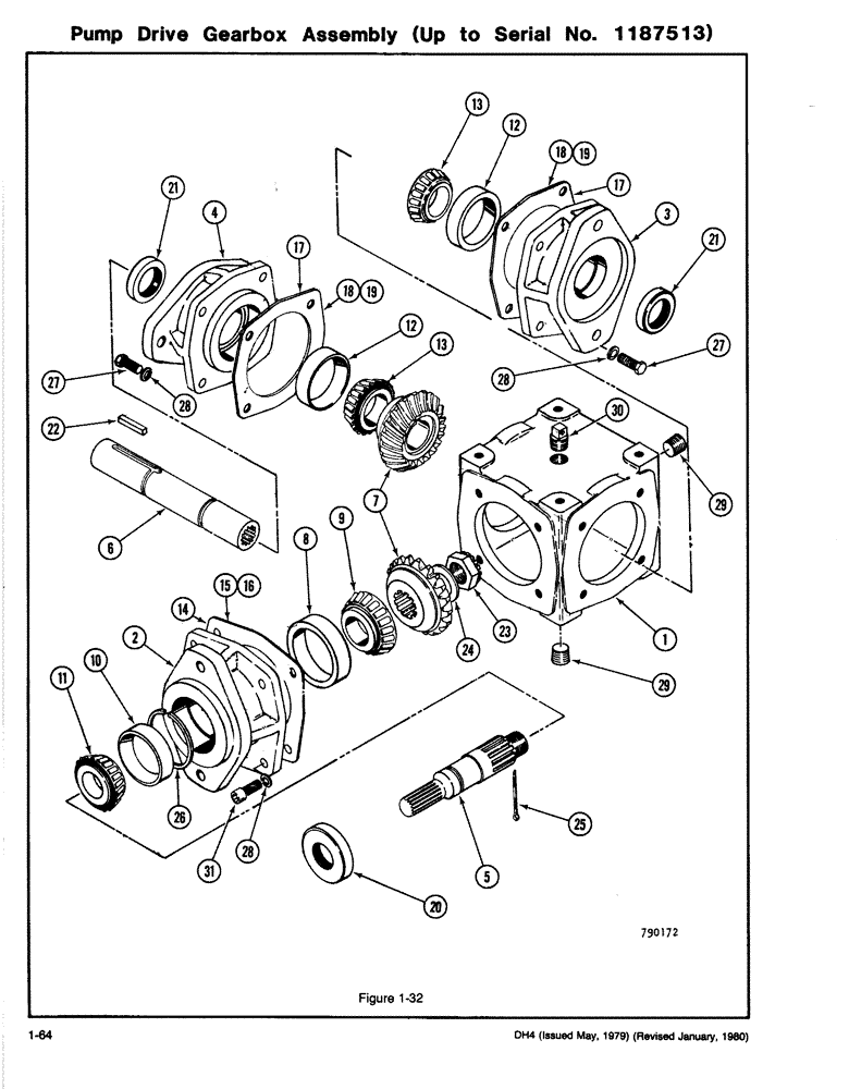
Запчасти Case DH4 (1-64) - PUMP DRIVE GEARBOX ASSEMBLY (UP TO SERIAL NO. 1187513) (35) - HYDRAULIC SYSTEMS

Схема запчастей Case DH4 - (1-64) - PUMP DRIVE GEARBOX ASSEMBLY (UP TO SERIAL NO. 1187513) (35) - HYDRAULIC SYSTEMS
FIT
1:1
100%

Артикул

Название

Примечание

Количество

H642553

GEARBOX ASSY

GEARBOX ASSEMBLY - Pump Drive, Includes: Refs. 1-31

1шт.

1

H386516

HOUSING

1шт.

2

H386524

END BELL - Flange Type

1шт.

3

H386532

COVER

- Flange Type

1шт.

4

H386532

COVER

- Flange Type

1шт.

5

H386540

SHAFT

- Input

1шт.

6

H386557

SHAFT

- Output (8.38" Long, 1.749 O.D.)

1шт.

7

H646711

GEAR-SET

GEAR SET - Spiral Bevel, 1:1 (Includes 2 gears)

1шт.

8

A26746

BEARING CUP

CUP - Bearing

1шт.

9

03766AB

BEARING

CONE - Bearing

1шт.

10

G57451

BEARING, CUP

CUP - Bearing

1шт.

11

G57452

ROLLER BEARING

CONE - Bearing

1шт.

12

A29062

ROLLER BEARING,82.956 mm OD x 19.101 mm

CUP - Bearing

2шт.

13

40465

ROLLER BEARING,1.75" ID x 1"

CONE - Bearing

2шт.

14

H386565

SHIM

- Fiber

1шт.

15

H386573

SHIM

- Aluminum

1шт.

16

H386581

SHIM

- Aluminum

1шт.

17

H386599

SHIM

- Aluminum

1шт.

18

H386607

SHIM

- Aluminum

1шт.

19

H386615

SHIM

- Aluminum

1шт.

20

H386623

SEAL

- Input Shaft

1шт.

21

H386631

SEAL

- Output Shaft

2шт.

22

H386649

KEY

1шт.

23

86632554

SLOTTED NUT,3/4"-16, G5

NUT - NF slotted (3/4-16)

1шт.

24

195-545

WASHER,3/4", SAE

- (13/16 ID x 1-1/2 OD x 9/64)

1шт.

26

H757997

RING, SNAP

RING - Snap

1шт.

27

113-310

BOLT,Hex, 7/16" - 14 x 1", Gr 5

8шт.

28

192-407

LOCK WASHER,7/16"

7/16"

12шт.

29

221-849

PLUG,Hex Soc, 1/8"-27

- Pipe Socket Head (3/8)

2шт.

30

H362723

VENT

PLUG - Breather

1шт.

31

61-716

HEX SOC SCREW,7/16"-14 x 1"

BOLT - NC Socket Head (7/16 x 1)

4шт.

25

132-56

COTTER PIN,Ext Prong Sq Cut, 1/8" x 2"

Pin, Split (Cotter), 1/8" x 2"

1шт.

Выбрано товаров: 32