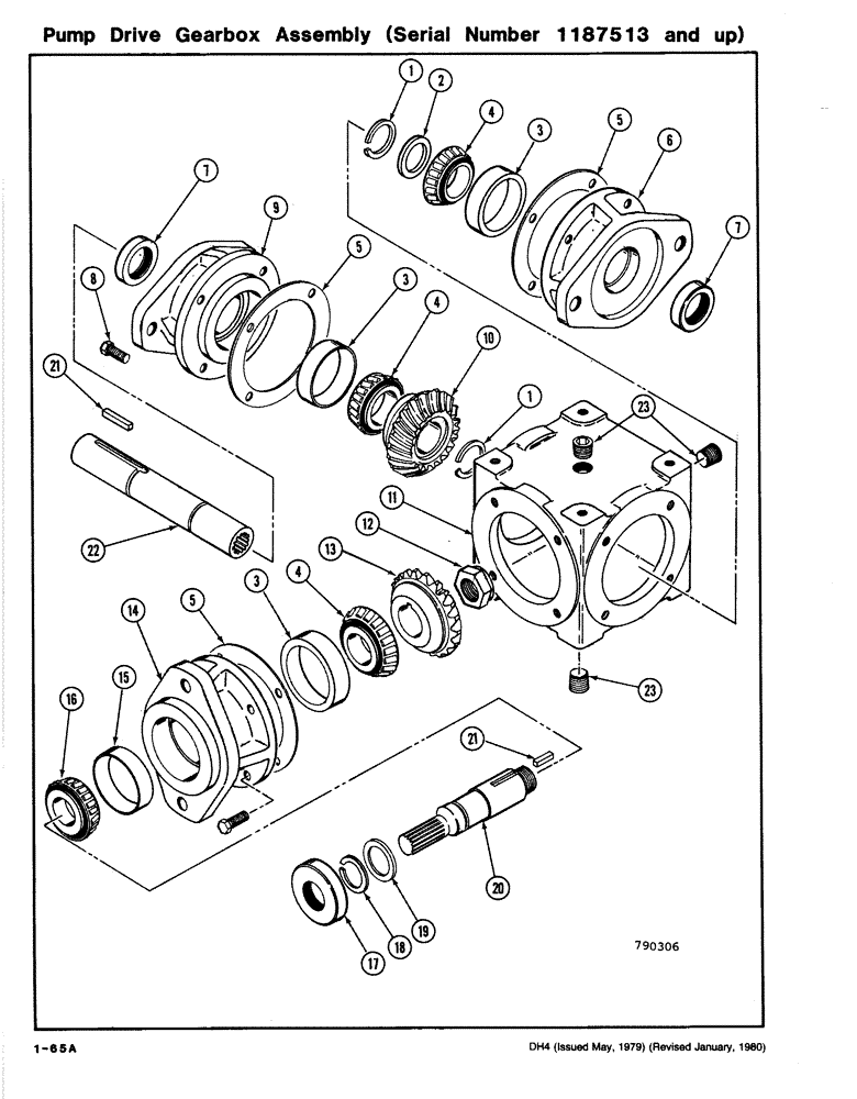
Запчасти Case DH4 (1-65A) - PUMP DRIVE GEARBOX ASSEMBLY (SERIAL NUMBER 1187513 AND UP) (35) - HYDRAULIC SYSTEMS

Схема запчастей Case DH4 - (1-65A) - PUMP DRIVE GEARBOX ASSEMBLY (SERIAL NUMBER 1187513 AND UP) (35) - HYDRAULIC SYSTEMS
FIT
1:1
100%

Артикул

Название

Примечание

Количество

H651372

GEARBOX ASSY

PUMP DRIVE ASSEMBLY, Includes: Refs. 1-23

1шт.

1

T54198

RING

- Snap

2шт.

2

H363143

WASHER

- Spacer

1шт.

3

G57451

BEARING, CUP

CUP - Bearing

3шт.

4

G57452

ROLLER BEARING

CONE - Bearing

3шт.

5

T40128

GASKET

GASKET

1шт.

6

H363135

FRAME

- Pump Mounting

1шт.

7

T40123

SEAL

2шт.

8

113-207

BOLT,Hex, 3/8" - 16 x 1", Gr 5

12шт.

9

D53684

CYLINDER END CAP

FRAME - Pump Mounting

1шт.

10

T40120

GEAR

1шт.

11

T40113

CASE

1шт.

12

131-39

NUT,1"-14

NUT - Pinion

1шт.

13

T40119

GEAR

1шт.

14

H363150

COVER

FRAME - Case Mounting

1шт.

15

B12408

BEARING CUP,59.156 mm OD x 11.862 mm

CUP - Bearing

1шт.

16

B12409

BEARING, ROLLER,31.763 mm ID x 16.84 mm

CONE - Bearing

1шт.

17

D60701

SEAL

1шт.

18

A27012

RING

- Snap

1шт.

19

H363168

WASHER

- Spacer

1шт.

20

H363176

SHAFT

- Pinion

1шт.

21

F11313

KEY

(5/16 sq x 15/16)

2шт.

22

H363184

SHAFT

- Output (8.25" Long 1.375" O.D.)

1шт.

23

221-844

PLUG,Hex Soc, 1/2"-14

- Pipe (1/2 NPT) (replaces 221-884)

3шт.

Выбрано товаров: 24