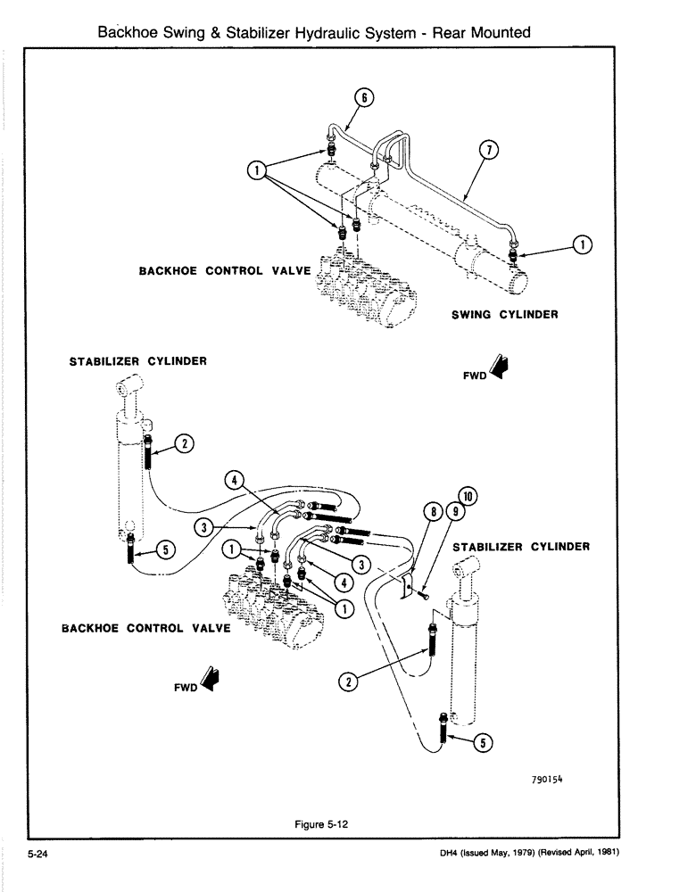
Запчасти Case DH4 (5-24) - BACKHOE SWING & STABILIZER HYDRAULIC SYSTEM - REAR MOUNTED (35) - HYDRAULIC SYSTEMS

Схема запчастей Case DH4 - (5-24) - BACKHOE SWING & STABILIZER HYDRAULIC SYSTEM - REAR MOUNTED (35) - HYDRAULIC SYSTEMS
FIT
1:1
100%

Артикул

Название

Примечание

Количество

1

218-5059

HYD CONNECTOR,3/4"-16, 37 Degree x 3/4"-16, O-Ring

CONNECTOR - (3/4 ORB x 3/4 JIC M)

8шт.

2

H360412

HOSE,0.38" ID x 75.00", SAE 100R1

2шт.

3

H560185

TUBE,0.5" OD x 7.094, 2" L

- Long

2шт.

4

H560177

TUBE,0.5" OD

- Short

2шт.

5

H195826

HOSE,0.38" ID x 55.00", SAE 100R1

2шт.

6

H644583

TUBE ASSY.,12.7 mm OD

TUBE - Swing Cylinder LH

1шт.

7

H644575

TUBE ASSY.,12.7 mm OD

TUBE - Swing Cylinder RH

1шт.

8

H46888

CLAMP

- Hose, Includes: Refs. 9, 10

2шт.

9

113-104

BOLT,Hex, 5/16" - 18 x 1-1/4", Gr 5

2шт.

10

131-176

LOCK NUT,Prev Torque, Hex, 5/16" - 18, Gr A

NUT - NC HH C/L (5/16)

2шт.

218-5006

O-RING,0.087" Thk x 0.644" ID, -908, Cl 6, 90 Duro

- (3/4)

1шт.

218-5006

O-RING,0.087" Thk x 0.644" ID, -908, Cl 6, 90 Duro

- (3/4)

1шт.

218-5006

O-RING,0.087" Thk x 0.644" ID, -908, Cl 6, 90 Duro

- (3/4)

1шт.

Выбрано товаров: 13