Запчасти Case DH4 (4-06) - BACKFILL BLADE CONTROLS (86) - DOZER

Схема запчастей Case DH4 - (4-06) - BACKFILL BLADE CONTROLS (86) - DOZER
FIT
1:1
100%

Артикул

Название

Примечание

Количество

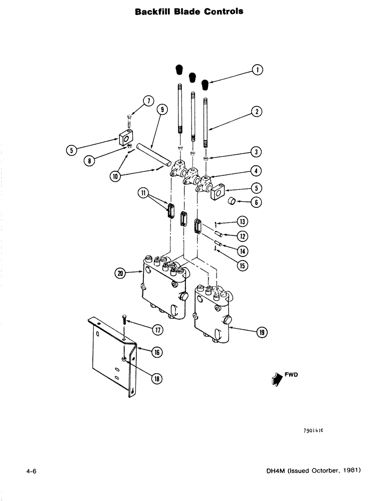
1

A14051

GRIP

KNOB

1шт.

2

H191924

LEVER

- Valve

1шт.

3

87016560

JAM NUT,Jam, 3/8"-16, G5

1шт.

4

H275255

CRANK LEVER

CASTING - Lever

1шт.

5

H558403

BLOCK

- Bearing, Includes: Refs. 6-8

2шт.

6

H151894

BUSHING

- Block, Includes: Refs. 7, 8

1шт.

7

113-121

BOLT,Hex, 5/16" - 18 x 2", Gr 5

2шт.

8

131-176

LOCK NUT,Prev Torque, Hex, 5/16" - 18, Gr A

NUT - NC Hex C/L (5/16)

2шт.

9

H262436

SHAFT

- Lever

1шт.

10

132-310

COTTER PIN,1/8" x 1"

PIN, SPLIT (COTTER), 1/8" x 1"

2шт.

11

H196857

LINK

- Valve

1шт.

12

D23693

AXLE PIN

PIN - Clevis (1/4 x 1)

1шт.

13

132-380

COTTER PIN,3/32" x 3/4"

PIN, Split (Cotter), 3/32" x 3/4"

1шт.

14

H35279

AXLE PIN,4.72mm OD x 23.76mm L

PIN - Clevis (3/16 x 57/64)

1шт.

15

132-328

COTTER PIN,1/16" x 1/2"

PIN, SPLIT (COTTER), 1/16" x 1/2"

1шт.

16

H382507

SHEET

PLATE - Valve Mtg, Includes: Refs. 17, 18

1шт.

17

113-102

BOLT,Hex, 5/16" - 18 x 3/4", Gr 5

Hex, 5/16"-18 x 3/4", G5, Full Thd

4шт.

18

131-176

LOCK NUT,Prev Torque, Hex, 5/16" - 18, Gr A

NUT - NC Hex C/L (5/16)

4шт.

19

H630244

VALVE

BACKFILL BLADE CONTROL VALVE ASSEMBLY - 2-Spool (See figure 1-82)

1шт.

20

H641050

LOCK VALVE

BACKFILL BLADE CONTROL VALVE ASSEMBLY - 3-Spool (See figure 1-84)

1шт.

Выбрано товаров: 20