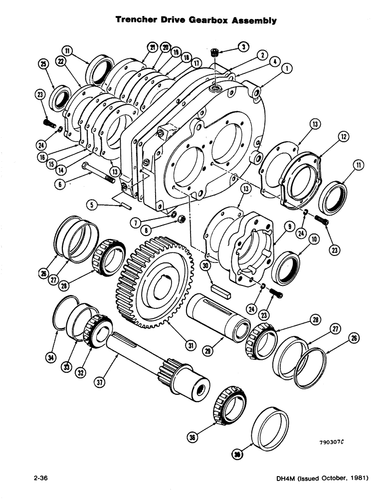
Запчасти Case DH4 (2-36) - TRENCHER DRIVE GEARBOX ASSEMBLY (89) - TOOLS

Схема запчастей Case DH4 - (2-36) - TRENCHER DRIVE GEARBOX ASSEMBLY (89) - TOOLS
FIT
1:1
100%

Артикул

Название

Примечание

Количество

H650952

GEARBOX ASSY

TRENCHER DRIVE GEARBOX ASSEMBLY

1шт.

1

H394742

HOUSING

1шт.

2

H393934

HOUSING

1шт.

3

221-1849

PLUG

- Pipe (3/8 Soc Hd)

8шт.

4

H394767

GASKET

- (.015 Thick)

1шт.

5

H394759

DOWEL

- (1/4 x 1)

2шт.

6

113-247

BOLT,Hex, 3/8" - 16 x 3-1/4", Gr 5

8шт.

7

192-21

LOCK WASHER,3/8"

WASHER, LOCK, 3/8"

8шт.

8

129-103

NUT,Hex, 3/8" - 16, Gr 5

NUT, 3/8"-16, G5

8шт.

9

H394882

FLANGE

- Pump

1шт.

10

H758177

SEAL

- Oil

1шт.

11

H362830

SEAL ASSY.

SEAL - Oil

2шт.

12

H393868

COVER

- Open

1шт.

13

H394809

SHIM,.005" Thk

Fibre .005" Thk

3шт.

14

H394775

SHIM,.005" Thk

Aluminum .005" Thk

1шт.

15

H394783

SHIM,.007" Thk

Aluminum .007" Thk

1шт.

16

H394791

SHIM,.020" Thk

Aluminum .020" Thk

1шт.

17

H394825

SHIM,.005" Thk

Fiber .005" Thk

1шт.

18

H394817

SHIM,.005" Thk

Aluminum .005" Thk

1шт.

19

H394833

SHIM,.007" Thk

Aluminum .007" Thk

1шт.

20

H394841

SHIM,.020" Thk

Aluminum .020" Thk

1шт.

21

H393900

COVER

- Open

1шт.

22

H393868

COVER

- Open

1шт.

23

165-153

HEX SOC SCREW,5/16" - 18 x 1"

BOLT - Soc Hd (5/16 x 1 NC)

24шт.

24

192-404

LOCK WASHER,5/16"

WASHER, LOCK, 5/16"

24шт.

25

H758466

SEAL

- Oil

1шт.

26

H394858

SPACER, RING

RING - Spacer

2шт.

27

A50179

BEARING CUP

CUP - Bearing

2шт.

28

A150146

ROLLER BEARING,57.163 mm ID x 22.022 mm

CONE - Bearing

2шт.

29

H373142

SHAFT

- Low Speed

1шт.

30

H373209

KEY

- (3/8 Sq x 1.88)

1шт.

31

H373134

GEAR WHEEL

GEAR - 73T

1шт.

32

H758169

ROLLER BEARING

CONE - Bearing

1шт.

33

A29062

ROLLER BEARING,82.956 mm OD x 19.101 mm

CUP - Bearing

1шт.

34

H394866

BEARING

RING - Spacer

1шт.

35

A50179

BEARING CUP

CUP - Bearing

1шт.

36

H758151

BEARING

CONE - Bearing

1шт.

37

H389239

PINION

SHAFT - Gear, Hi-Speed

1шт.

38

D57822

BREATHER

- (Not Shown)

1шт.

Выбрано товаров: 39