Запчасти Case DH4 (5-06) - REAR MOUNTED BACKHOE CONTROL INSTALLATION (84) - BOOMS, DIPPERS & BUCKETS

Схема запчастей Case DH4 - (5-06) - REAR MOUNTED BACKHOE CONTROL INSTALLATION (84) - BOOMS, DIPPERS & BUCKETS
FIT
1:1
100%

Артикул

Название

Примечание

Количество

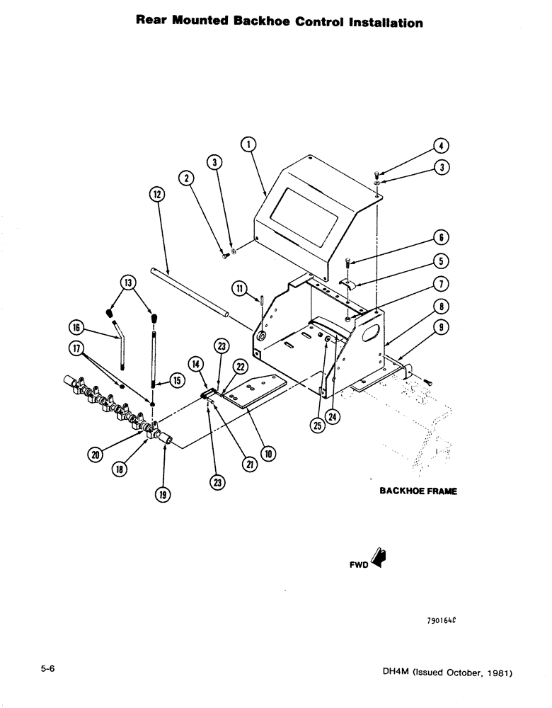
1

H381079

COVER

- Console, Includes: Refs. 2-4

1шт.

2

187-1069

SELF-TAP SCREW,5/16" - 18 x 3/4"

BOLT - Self Tap (5/16 x 3/4)

2шт.

3

195-521

WASHER,5/16", SAE

- Flat (5/16)

4шт.

4

113-102

BOLT,Hex, 5/16" - 18 x 3/4", Gr 5

Hex, 5/16"-18 x 3/4", G5, Full Thd

2шт.

131-176

LOCK NUT,Prev Torque, Hex, 5/16" - 18, Gr A

NUT - Hex (5/16 NC Lock)

2шт.

5

H429696

MOUNTING CLIP

CLAMP - Tube (replaces H45468), Includes: Refs. 6, 7

5шт.

6

113-104

BOLT,Hex, 5/16" - 18 x 1-1/4", Gr 5

5шт.

7

131-176

LOCK NUT,Prev Torque, Hex, 5/16" - 18, Gr A

NUT - Hex (5/16 NC Lock)

5шт.

8

H643981

CONSOLE

- Valve

1шт.

9

H381103

SHEET

PLATE - Console Mounting

1шт.

10

H381095

PLATE

- Console Mounting

1шт.

11

138-97

LOCK PIN,3/16" x 1 1/8", Slotted

PIN, 3/16" x 1 1/8", Slotted

1шт.

12

H382317

SHAFT

- Lever

1шт.

13

A14051

GRIP

KNOB

6шт.

14

H379057

LINK

- Valve

12шт.

15

H191916

ROD

HANDLE - Lever

4шт.

16

H191924

LEVER

HANDLE - Lever

2шт.

17

87016560

JAM NUT,Jam, 3/8"-16, G5

6шт.

18

H275263

LEVER

CASTING - Lever (replaces H257263)

6шт.

19

H195099

SPACER

- Long

2шт.

20

H191908

SPACER

- Short

5шт.

21

H169318

CLEVIS COUPLING,6.35mm OD x 22.62mm L

PIN - Clevis (1/4 x 3/4)

6шт.

22

H35279

AXLE PIN,4.72mm OD x 23.76mm L

PIN - Clevis (3/16 x 57/64)

6шт.

23

132-328

COTTER PIN,1/16" x 1/2"

PIN, SPLIT (COTTER), 1/16" x 1/2"

12шт.

24

H396796

COVER

- Spool Spring, Includes: Ref. 25

1шт.

25

195-521

WASHER,5/16", SAE

- Flat (5/16)

2шт.

Выбрано товаров: 26