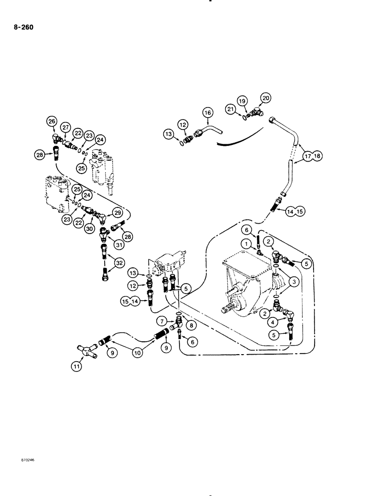
Запчасти Case DH4B (8-260) - HYDRA-BORER HYDRAULIC CIRCUIT, WITH BACKHOE OR BACKFILL BLADE (08) - HYDRAULICS

Схема запчастей Case DH4B - (8-260) - HYDRA-BORER HYDRAULIC CIRCUIT, WITH BACKHOE OR BACKFILL BLADE (08) - HYDRAULICS
FIT
1:1
100%

Артикул

Название

Примечание

Количество

1

218-933

ELBOW,90 Degree, 1/8" NPTF Male x 1/8" NPSM Fem Sw

- 90 degree, swivel

1шт.

2

218-5107

90 ELBOW,90 Degree Elbow, 7/8" - 14 Male JIC x 7/8" - 14 Male ORB

- 90 degree, adjustable, Incl. Ref. 3

2шт.

3

237-6010

O-RING,0.097" Thk x 0.755" ID, -910, Cl 6, 90 Duro

10-1, 90 Duro, .755" ID x .097" Thk, Elbow

1шт.

4

218-5232

ELBOW,90 Degree, 7/8"-14, 37 Degree x 7/8"-14, 37 Degree Fem Sw

Street 90º, 7/8"-14, 37º x 7/8"-14, 37º Fem Sw

1шт.

5

H91892

HOSE,0.50" ID x 48.00", SAE 100R1

Motor to Valve 0.50" ID x 48.00", SAE 100R1

2шт.

6

H88575

HOSE,0.25" ID x 48.00", SAE 100R3

Case Drain from Motor 0.25" ID x 48.00", SAE 100R3

1шт.

7

H317438

FITTING

ELBOW - 90 degree, special, Includes: Ref. 8

1шт.

8

237-6010

O-RING,0.097" Thk x 0.755" ID, -910, Cl 6, 90 Duro

10-1, 90 Duro, .755" ID x .097" Thk, Elbow

1шт.

9

214-254

HOSE CLAMP,#12, 0.69" - 1.25", Type F Worm

CLAMP - hose

2шт.

10

H338095

HOSE

- 3/4" (19 mm) ID x 61" (1549 mm) long, return, see Parts Substitution List for bulk hose options

1шт.

11

H377408

TEE

- special

1шт.

12

218-5062

HYD CONNECTOR,7/8"-14, 37 Degree x 7/8"-14, O-Ring

CONNECTOR - straight, Includes: Ref. 13

1-2шт.

13

237-6010

O-RING,0.097" Thk x 0.755" ID, -910, Cl 6, 90 Duro

10-1, 90 Duro, .755" ID x .097" Thk, Connector

1шт.

14

H202572

HYDRAULIC HOSE,12.70 mm ID x 914.40 mm, SAE 100R1

From Hose to Hydra-Borer Valve, For Rear Mounted Backhoe or Backfill Blade 12.70 mm ID x 914.40 mm, SAE 100R1

1шт.

15

H390070

HOSE ASSY.

HOSE - 110" (2800 mm) long, from tube to hydra-borer valve, for front mounted bakhoe or backfill blade

1шт.

16

H645069

TUBE,15.88 mm OD

- from backhoe control valve, used with rear mounted backhoe with valve in vertical position

1шт.

17

H646695

TUBE,15.9 mm OD

- from backhoe control to hydra-borer, used with front mounted backhoe with valve in vertical position

1шт.

18

H669689

TUBE ASSY.,15.8 mm OD

TUBE - from bakchoe control valve to hdyra-borer, used with rear mounted backhoe with valve in horizontal position

1шт.

19

221-843

PLUG,Hex Soc, 3/8"-18

- hex socket head, 3/8" NPT

1шт.

20

218-5107

90 ELBOW,90 Degree Elbow, 7/8" - 14 Male JIC x 7/8" - 14 Male ORB

- 90 degree, adjustable, used with refs. 17 and 18 above, replaces ref. 12, Incl. Ref. 21

1шт.

21

237-6010

O-RING,0.097" Thk x 0.755" ID, -910, Cl 6, 90 Duro

10-1, 90 Duro, .755" ID x .097" Thk, Elbow

1шт.

H347906

FITTING

ADAPTER ASSEMBLY - special, power beyond, Includes: Ref. 22-25

2шт.

22

NSS

NOT SOLD SEPARAT

ADAPTER - special, power beyond, order H347906 adapter assembly

1шт.

23

A7982

O-RING,0.103" Thk x 0.612" ID, -114, Cl 5, 75 Duro

- adapter, large, 5/8" (16 mm) ID

1шт.

24

D37070

SEAL,13.16mm ID x 15.85mm OD x 1.25mm Thk

BACKUP RING - small O-ring

1шт.

25

A18414

O-RING,0.07" Thk x 0.489" ID, -14, Cl 5, 75 Duro

- adapter, small, 1/2" (13 mm) ID

1шт.

26

218-5106

90 ELBOW,90 Degree Elbow, 3/4" - 16 Male JIC x 3/4" - 16 Male ORB

- 90 degree, adjustable, Includes: Ref. 27

1шт.

28

H195750

HYDRAULIC HOSE,9.52 mm ID x 355.60 mm, SAE 100R1

9.52 mm ID x 355.60 mm, From Backfill Valve to Steering Valve

1шт.

29

218-5117

ELBOW,90 Degree Elbow, 7/8" - 14 Male JIC x 3/4" - 16 Male ORB

- 90 degree, adjustable, Includes: Ref. 30

1шт.

31

218-5486

TEE,37 Degree, 7/8"-14 x 7/8"-14, Fem Sw Run x 3/4"-16 Br

- swivel

1шт.

32

H352575

HOSE,0.50" ID x 34.00, SAE 100R2A

from Seering Valve to Backhoe Valve 0.50" ID x 34.00, SAE 100R2A

1шт.

27

218-5006

O-RING,0.087" Thk x 0.644" ID, -908, Cl 6, 90 Duro

8-1, 90 Duro, .644" ID x .087" Thk, elbow

1шт.

30

218-5006

O-RING,0.087" Thk x 0.644" ID, -908, Cl 6, 90 Duro

8-1, 90 Duro, .644" ID x .087" Thk, elbow

1шт.

Выбрано товаров: 33