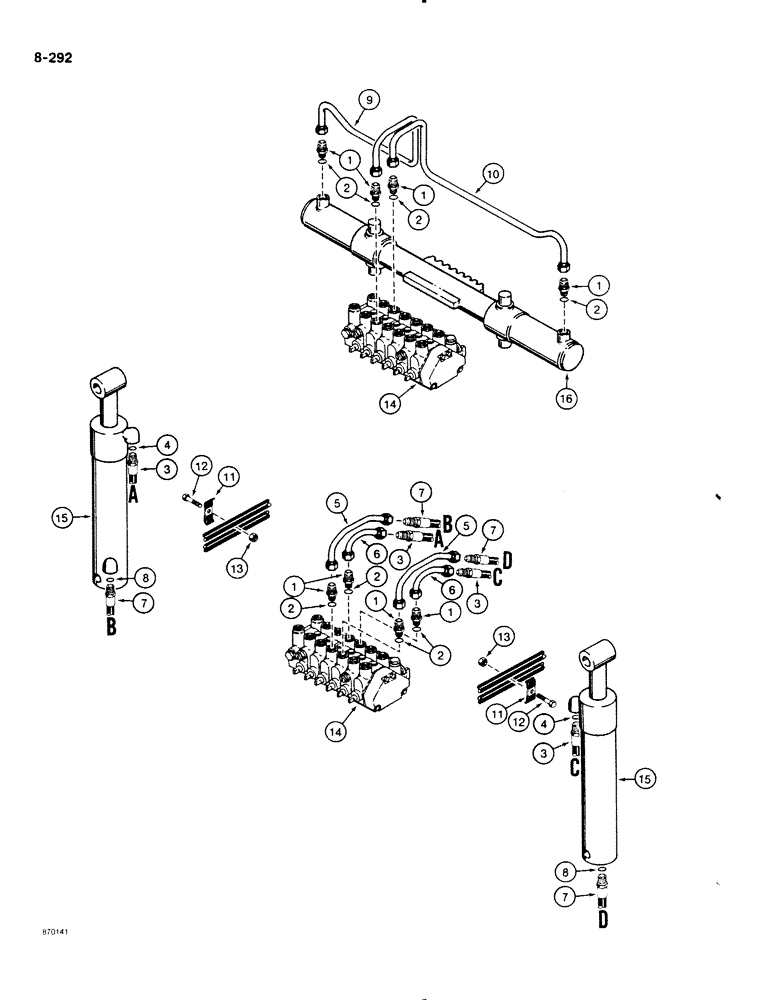
Запчасти Case DH4B (8-292) - SWING AND STABILIZER HYDRAULIC CIRCUIT, REAR MOUNTED BACKHOE - HORIZONTAL VALVE (08) - HYDRAULICS

Схема запчастей Case DH4B - (8-292) - SWING AND STABILIZER HYDRAULIC CIRCUIT, REAR MOUNTED BACKHOE - HORIZONTAL VALVE (08) - HYDRAULICS
FIT
1:1
100%

Артикул

Название

Примечание

Количество

1

218-5059

HYD CONNECTOR,3/4"-16, 37 Degree x 3/4"-16, O-Ring

CONNECTOR - straight, male, Incl. Ref 2

8шт.

3

H360412

HOSE,0.38" ID x 75.00", SAE 100R1

Tube to Stabilizer Cylinder, Rod End, Includes: Ref. 4 0.38" ID x 75.00", SAE 100R1

2шт.

5

H560185

TUBE,0.5" OD x 7.094, 2" L

- stabilizer cylinder, closed end

2шт.

6

H560177

TUBE,0.5" OD

- right-hand stabilizer cylinder, rod end

2шт.

7

H195826

HOSE,0.38" ID x 55.00", SAE 100R1

Tube to Stablilzer Cylinder, Closed End, Includes: Ref. 8 0.38" ID x 55.00", SAE 100R1

2шт.

9

H644583

TUBE ASSY.,12.7 mm OD

TUBE - swing cylinder, left-hand

1шт.

10

H644575

TUBE ASSY.,12.7 mm OD

TUBE - swing cylinder, right-hand

1шт.

11

H46888

CLAMP

- hose

2шт.

12

113-104

BOLT,Hex, 5/16" - 18 x 1-1/4", Gr 5

2шт.

13

131-176

LOCK NUT,Prev Torque, Hex, 5/16" - 18, Gr A

NUT - hex, self-locking, 5/16" - 18 NC, plated

2шт.

14

H513788

LOCK VALVE

CONTROL VALVE ASSEMBLY - backhoe, parts list and special notes Figure 8-336

1шт.

15

G100936

CYLINDER,Double Acting, 38.1mm Rod, 371.35mm Stroke

ASSEMBLY - backhoe stabilizer, parts list Figure 8-344

2шт.

16

H514125

CYLINDER ASSY.

CYLINDER ASSEMBLY - backhoe swing, parts list Figure 8-342

1шт.

2

218-5006

O-RING,0.087" Thk x 0.644" ID, -908, Cl 6, 90 Duro

8-1, 90 Duro, .644" ID x .087" Thk, connector

1шт.

4

218-5006

O-RING,0.087" Thk x 0.644" ID, -908, Cl 6, 90 Duro

8-1, 90 Duro, .644" ID x .087" Thk, hose

1шт.

8

218-5006

O-RING,0.087" Thk x 0.644" ID, -908, Cl 6, 90 Duro

8-1, 90 Duro, .644" ID x .087" Thk, hose

1шт.

Выбрано товаров: 16