Запчасти Case DH4B (8-306) - BOOM CYLINDER HYDRAULIC CIRCUIT, FRONT MOUNTED D100XR BACKHOE (08) - HYDRAULICS

Схема запчастей Case DH4B - (8-306) - BOOM CYLINDER HYDRAULIC CIRCUIT, FRONT MOUNTED D100XR BACKHOE (08) - HYDRAULICS
FIT
1:1
100%

Артикул

Название

Примечание

Количество

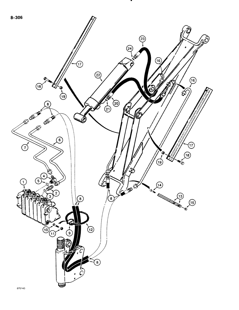
1

H513788

LOCK VALVE

CONTROL VALVE ASSEMBLY - backhoe, parts list and special notes Figure 8-336

1шт.

2

218-5059

HYD CONNECTOR,3/4"-16, 37 Degree x 3/4"-16, O-Ring

CONNECTOR - straight, male, Incl. Ref 3

1шт.

4

218-5106

90 ELBOW,90 Degree Elbow, 3/4" - 16 Male JIC x 3/4" - 16 Male ORB

- 90 degree, adjustable, Includes: Ref. 5

1шт.

6

H646661

TUBE,12.7 mm OD

- control valve to hose, boom cylinder, closed end

1шт.

7

H646653

TUBE,12.7 mm OD

- control valve to hose, boom cylinder, rod end

1шт.

8

H278994

HYDRAULIC HOSE,9.52 mm ID x 889.00 mm

- Control valve tube to boom cylinder tube 9.52 mm ID x 889.00 mm

2шт.

9

H52571

CLAMP

- spring retaining

1шт.

10

113-4

BOLT,Hex, 1/4" - 20 x 1", Gr 5

1шт.

11

131-1180

LOCK NUT,1/4"-20, GA

NUT, LOCK, 1/4"-20, GA

1шт.

12

H52548

SPRING

- hose retainer

1шт.

13

H429696

MOUNTING CLIP

CLAMP - boom tube and hose

2шт.

14

113-17

BOLT,Hex, 1/4" - 20 x 1-1/4", Gr 5

2шт.

15

131-1180

LOCK NUT,1/4"-20, GA

NUT, LOCK, 1/4"-20, GA

2шт.

16

H669804

TUBE,1.27 mm OD x 1065, 35 mm L

- boom

2шт.

17

H421800

FRAME

GUARD - backhoe boom

2шт.

18

113-102

BOLT,Hex, 5/16" - 18 x 3/4", Gr 5

Hex, 5/16"-18 x 3/4", G5, Full Thd

4шт.

19

131-176

LOCK NUT,Prev Torque, Hex, 5/16" - 18, Gr A

NUT - hex, self-locking, 5/16" - 18 NC, plated

4шт.

20

H268540

HYDRAULIC HOSE,9.52 mm ID x 889.00 mm, SAE 100R1

- To boom cylinder rod end, Includes Ref. 21 9.52 mm ID x 889.00 mm, SAE 100R1

1шт.

22

G100936

CYLINDER,Double Acting, 38.1mm Rod, 371.35mm Stroke

ASSEMBLY - backhoe boom, parts list Figure 8-344

1шт.

23

H244921

HYDRAULIC HOSE,9.52 mm ID x 381.00 mm, SAE 100R1

To Boom Cylinder Closed End, Includes: Ref. 24 9.52 mm ID x 381.00 mm, SAE 100R1

1шт.

3

218-5006

O-RING,0.087" Thk x 0.644" ID, -908, Cl 6, 90 Duro

8-1, 90 Duro, .644" ID x .087" Thk, connector

1шт.

5

218-5006

O-RING,0.087" Thk x 0.644" ID, -908, Cl 6, 90 Duro

8-1, 90 Duro, .644" ID x .087" Thk, elbow

1шт.

21

218-5006

O-RING,0.087" Thk x 0.644" ID, -908, Cl 6, 90 Duro

8-1, 90 Duro, .644" ID x .087" Thk, hose

1шт.

24

218-5006

O-RING,0.087" Thk x 0.644" ID, -908, Cl 6, 90 Duro

8-1, 90 Duro, .644" ID x .087" Thk, hose

1шт.

Выбрано товаров: 24