Запчасти Case DH4B (2-16) - ENGINE MOUNTING (02) - ENGINE

Схема запчастей Case DH4B - (2-16) - ENGINE MOUNTING (02) - ENGINE
FIT
1:1
100%

Артикул

Название

Примечание

Количество

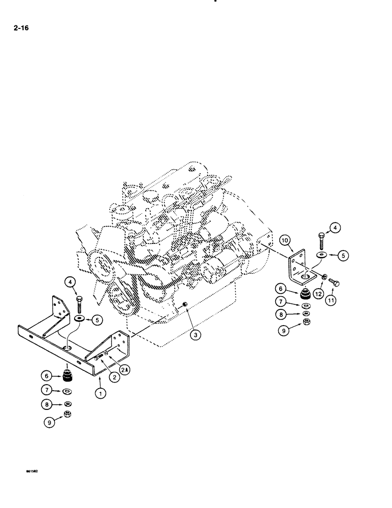
1

H661819

MOUNTING PARTS

BRACKET - engine mounting, front

1шт.

2

113-103

BOLT,Hex, 5/16" - 18 x 1", Gr 5

8шт.

2a

H426775

WASHER

- flat, 1/2" - 13 NC x 2-1/2", plated

8шт.

3

131-176

LOCK NUT,Prev Torque, Hex, 5/16" - 18, Gr A

NUT - hex, self-locking, 5/16 - 18 NC, plated

8шт.

4

80087972

BOLT,Hex, 1/2" - 13 x 2 1/2", Gr 5

- hex head, 1/2" - 13 NC x 2-1/2", plated

3шт.

5

H165720

WASHER

- flat, 1/2" - 13 NC x 2-1/2", plated

3шт.

6

H426395

MOUNTING PARTS

MOUNT - engine, rubber

3шт.

7

B15606

WASHER

- flat, 5/16", special

3шт.

8

195-106

WASHER,1/2"

- flat, , plated 1/2"

3шт.

9

131-1182

LOCK NUT,1/2"-13, GA

NUT - hex, self-locking, 1/2" - 13 NC, plated

3шт.

10

H416198

MOUNTING PARTS

BRACKET - engine mounting, rear

2шт.

11

814-12030

BOLT,Hex, M12 x 1.75 x 30mm, Cl 8.8, Full Thd

- hex head, 12 mm - 1.75 x 30 mm (8.8), plated

8шт.

12

192-23

LOCK WASHER,1/2"

WASHER, LOCK, 1/2"

8шт.

Выбрано товаров: 13