Запчасти Case DH4B (8-330) - BUCKET CYLINDER HYDRAULIC CIRCUIT, FRONT MOUNTED D100XR BACKHOE (08) - HYDRAULICS

Схема запчастей Case DH4B - (8-330) - BUCKET CYLINDER HYDRAULIC CIRCUIT, FRONT MOUNTED D100XR BACKHOE (08) - HYDRAULICS
FIT
1:1
100%

Артикул

Название

Примечание

Количество

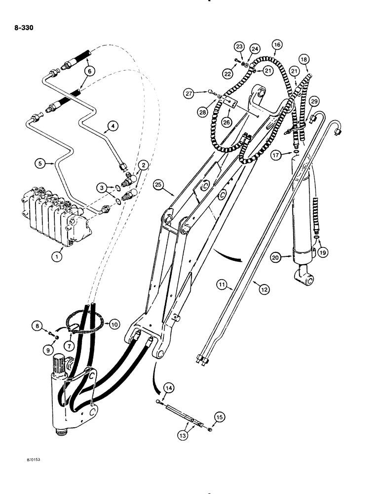
1

H513788

LOCK VALVE

CONTROL VALVE ASSEMBLY - backhoe, parts list and special notes Figure 8-336

1шт.

2

218-5106

90 ELBOW,90 Degree Elbow, 3/4" - 16 Male JIC x 3/4" - 16 Male ORB

- 90 degree, adjustable, Includes: Ref. 3

2шт.

4

H646554

TUBE,12.7 mm OD

- control valve to hose, bucket cylinder, closed end

1шт.

5

H646562

TUBE,12.7 mm OD

- control valve to hose, bucket cylinder, rod end

1шт.

6

H278994

HYDRAULIC HOSE,9.52 mm ID x 889.00 mm

- Control valve tube bucket cylinder tube 9.52 mm ID x 889.00 mm

2шт.

7

H52571

CLAMP

- spring retaining

1шт.

8

113-4

BOLT,Hex, 1/4" - 20 x 1", Gr 5

1шт.

9

131-1180

LOCK NUT,1/4"-20, GA

NUT, LOCK, 1/4"-20, GA

1шт.

10

H52548

SPRING

- hose retaining

1шт.

11

H669911

TUBE,12.7 mm OD x 1410, 37 mm L

- attaches to control valve upper port hose

1шт.

12

H669929

TUBE,12.7 mm OD x 1372, 12 mm L

- attaches to control valve lower port hose

1шт.

13

H429696

MOUNTING CLIP

CLAMP - boom tube and hose

2шт.

14

113-17

BOLT,Hex, 1/4" - 20 x 1-1/4", Gr 5

2шт.

15

131-1180

LOCK NUT,1/4"-20, GA

NUT, LOCK, 1/4"-20, GA

2шт.

16

H383984

HOSE,9.50 mm ID x 1397.00 mm, SAE 100R1

Special, to Closed End of Bucket Cylinder, Includes: Ref. 17 9.50 mm ID x 1397.00 mm, SAE 100R1

1шт.

18

H383976

HOSE,9.5mm ID x 1880mm L, SAE 100R1

Special, to Rod End of Bucket Cylinder, Includes: Ref. 19 9.50 mm ID x 1880.00 mm, SAE 100R1

1шт.

20

G100936

CYLINDER,Double Acting, 38.1mm Rod, 371.35mm Stroke

ASSEMBLY - backhoe bucket, parts list Figure 8-344

1шт.

21

H51763

CLAMP

- hose

2шт.

22

113-3

BOLT,Hex, 1/4" - 20 x 3/4", Gr 5

2шт.

23

192-19

LOCK WASHER,Helical Spring, 0.256" ID, CST, ZND

WASHER, LOCK, 1/4"

2шт.

24

H426767

WASHER

- flat, 1/4", hardened

2шт.

25

H644922

BOOM

ASSEMBLY - backhoe, parts list Figure 9-438

1шт.

26

H46888

CLAMP

- tube

1шт.

27

113-122

BOLT,Hex, 5/16" - 18 x 1-1/2", Gr 5

1шт.

28

192-20

LOCK WASHER,Helical Spring, 0.318" ID, CST, ZND

WASHER, LOCK, 5/16"

1шт.

29

L18337

CABLE TIE,9.95"-12.1" lg

STRAP - tie, 15 inch, nylon

1шт.

3

218-5006

O-RING,0.087" Thk x 0.644" ID, -908, Cl 6, 90 Duro

8-1, 90 Duro, .644" ID x .087" Thk, elbow

1шт.

17

218-5006

O-RING,0.087" Thk x 0.644" ID, -908, Cl 6, 90 Duro

8-1, 90 Duro, .644" ID x .087" Thk, hose

1шт.

19

218-5006

O-RING,0.087" Thk x 0.644" ID, -908, Cl 6, 90 Duro

8-1, 90 Duro, .644" ID x .087" Thk, hose

1шт.

Выбрано товаров: 29