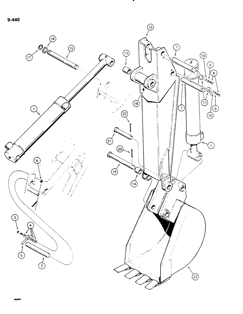
Запчасти Case DH4B (9-440) - BACKHOE DIPPER AND BUCKET - D100 (09) - CHASSIS/ATTACHMENTS

Схема запчастей Case DH4B - (9-440) - BACKHOE DIPPER AND BUCKET - D100 (09) - CHASSIS/ATTACHMENTS
FIT
1:1
100%

Артикул

Название

Примечание

Количество

1

G100936

CYLINDER,Double Acting, 38.1mm Rod, 371.35mm Stroke

ASSEMBLY - D100 backhoe dipper and bucket, parts list Figure 8-344

2шт.

2

H50690

AXLE PIN,28.57mm OD x 171.45mm L

PIN - dipper cylinder closed, Serial Range: end-boom

1шт.

3

113-209

BOLT,Hex, 3/8" - 16 x 1-1/2", Gr 5

1шт.

4

196-1

WASHER,13/32" x 13/16" x .089", HDN

- flat, 3/8", plated

4шт.

5

H313981

PIN

- retainer

1шт.

6

230-4216

LOCK NUT,3/8"-16, GA

NUT - hex, self-locking, 3/8" - 16 NC, plated

1шт.

7

H50690

AXLE PIN,28.57mm OD x 171.45mm L

PIN - dipper cylinder rod end to dipper and bucket cylinder closed, Serial Range: end-dipper

2шт.

8

113-209

BOLT,Hex, 3/8" - 16 x 1-1/2", Gr 5

2шт.

9

192-21

LOCK WASHER,3/8"

WASHER, LOCK, 3/8"

2шт.

10

196-1

WASHER,13/32" x 13/16" x .089", HDN

- flat, 3/8", plated

2шт.

11

H313981

PIN

- retainer

2шт.

12

H514687

BOOM

DIPPER - backhoe, Includes: Ref. 13, 14

1шт.

Ref.12---if dlr needs bucket lugs---see H514703 lh and H514711

1шт.

13

H56192

BUSHING,28.91mm ID x 36.63mm OD x 44.45mm L

- dipper pivot

2шт.

14

H56184

BUSHING,29.08mm ID x 44.5mm OD x 28.6mm L

- bucket pivot

2шт.

15

H50658

PIVOT

PIN -, Serial Range: boom-dipper

1шт.

16

195-454

WASHER,1.140" x 1 7/8" x .032"

- flat, 1-1/8", aircraft type, light

3шт.

17

F62235

SNAP RING,#112, Ext

RING, Snap, , pin #112, Ext

2шт.

18

219-8

LUBE NIPPLE,1/4" - 28 NPTF

NIPPLE, LUBE, , straight, taper 1/4"-28 NPT x .54" lg

1шт.

19

H50682

PIN

- bucket pivot, Serial Range: dipper-bucket

1шт.

20

132-355

COTTER PIN,3/8" x 2"

Pin, Split (Cotter), , dipper to bucket pin 3/8" x 2"

1шт.

21

H257048

PIN,28.5mm OD x 146.05mm L

- bucket cylinder rod, Serial Range: end-bucket

1шт.

22

132-307

COTTER PIN,1/4" x 1 3/4"

PIN, Split (Cotter), , Bucket cylinder pin 1/4" x 1 3/4"

1шт.

23

REF

INSTRUCTION

BUCKET - backhoe, see figures 9-445 and 9-447 for bucket options

1шт.

Выбрано товаров: 24