Запчасти Case DH4B (9-464) - PLOW FRONT FRAME AND CYLINDERS (09) - CHASSIS/ATTACHMENTS

Схема запчастей Case DH4B - (9-464) - PLOW FRONT FRAME AND CYLINDERS (09) - CHASSIS/ATTACHMENTS
FIT
1:1
100%

Артикул

Название

Примечание

Количество

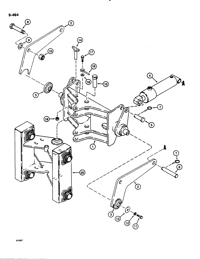
1

H645473

FRAME

- plow, front

1шт.

2

H645457

ARM/LIFTING DEVICE

ARM - plow lift, Includes: Ref. 3

2шт.

3

H363432

BALL JOINT

BEARING - plow lift arm

1шт.

4

G33751

CYLINDER,Double Acting, 38.1mm Rod, 177.8mm Stroke

ASSEMBLY - plow lift, parts list Figure 8-256

2шт.

5

H67272

PIN,25.3mm OD x 84.93mm L

CLEVIS PIN - 1" x 2-25/32", special

2шт.

6

H69476

RETAINER

CLEVIS PIN - 1" x 6", special

2шт.

7

A30338

PIN

- lock

4шт.

8

113-929

BOLT,Hex, 1" - 8 x 6-1/2", Gr 5

- hex head, 1" - 8 NC x 6-1/2", plated

2шт.

9

D36505

WASHER,26.99mm ID x 47.63mm OD x 2.38mm Thk

- flat, 1", special

2шт.

10

131-1184

LOCK NUT,1"-8, GA

NUT - hex, self-locking, 1" - 8 NC, plated

2шт.

11

113-417

BOLT,Hex, 1/2" - 13 x 1-1/4", Gr 5, Full Thd

2шт.

12

192-23

LOCK WASHER,1/2"

WASHER, LOCK, 1/2"

2шт.

13

H165720

WASHER

- flat, 1/2", special

2шт.

14

H565259

PIN

- swing locking

1шт.

15

H384099

PIVOT

PIN - plow lift frame to plow pivot frame

2шт.

16

H313981

PIN

LOCK - pin

2шт.

17

113-208

BOLT,Hex, 3/8" - 16 x 1-1/4", Gr 5

2шт.

18

196-1

WASHER,13/32" x 13/16" x .089", HDN

- flat, 3/8", hardened, plated

2шт.

19

230-4216

LOCK NUT,3/8"-16, GA

NUT - hex, self-locking, 3/8" - 16 NC, plated

2шт.

20

H663286

FRAME

ASSEMBLY - plow pivot see Figure 9-466

1шт.

Выбрано товаров: 20