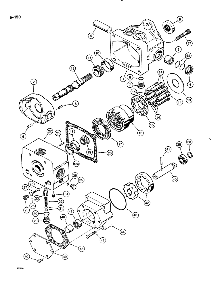
Запчасти Case DH4B (6-150) - GROUND DRIVE PUMP - H672706 (06) - POWER TRAIN

Схема запчастей Case DH4B - (6-150) - GROUND DRIVE PUMP - H672706 (06) - POWER TRAIN
FIT
1:1
100%

Артикул

Название

Примечание

Количество

H672706

PUMP

ASSEMBLY - ground drive, Sundstrand No. 18-2096, Includes: Ref. 1-50

1шт.

1

N8021

HOUSING

- input shaft end

1шт.

2

N7975

LARGE PLATE

SWASH PLATE - pump

1шт.

3

A12652

NEEDLE BEARING,1" ID x 1.251" OD x 0.75"

- control shaft

2шт.

4

N14149

BUSHING

- trunnion, swash plate

2шт.

4a

A13184

O-RING,0.103" Thk x 0.987" ID, -120, Cl 5, 75 Duro

- trunnion bushing

4шт.

5

H351429

SHAFT

- trunnion, swash plate

2шт.

6

138-2069

PIN,5/16" x 3/4", Coiled

5шт.

7

218-5158

PLUG,Hex Hd, 1 1/16"-12 ORB

Housing, Includes: Ref. 8 Hex Hd, 1 1/16"-12 ORB

1шт.

8

218-5008

O-RING,0.116" Thk x 0.924" ID, -912, Cl 6, 90 Duro

- plug

1шт.

9

H756296

SEAL

- shaft, input

1шт.

10

D29267

BEARING CUP,1.98" OD x 0.42"

CUP - bearing, input shaft, outer

1шт.

11

D29266

ROLLER BEARING,1" ID x 0.58"

CONE - bearing, input shaft, outer

1шт.

12

H351395

SHAFT

INPUT SHAFT - pump

1шт.

13

H351379

PLATE, THRUST

PLATE - thrust

1шт.

H632489

BLOCK

KIT - cylinder block, pump, Includes: Ref. 14-16

1шт.

14

NSS

NOT SOLD SEPARAT

PISTON - pump

9шт.

15

NSS

NOT SOLD SEPARAT

RETAINER - piston

1шт.

16

NSS

NOT SOLD SEPARAT

BLOCK - piston

1шт.

17

H351387

LARGE PLATE

PLATE - valve

1шт.

18

B12410

BEARING, CUP,1.782" OD

CUP - bearing, input shaft, inner

1шт.

18a

N9525

SHIM,.010" Thk

Cup, if used (.25 mm) .010" Thk

1шт.

19

B12411

ROLLER BEARING,0.75" ID x 0.655"

CONE - bearing, input shaft, inner

1шт.

20

H305441

GASKET

- housing

1шт.

21

H351445

PIN

- housing alignment

1шт.

22

H351403

CAP

END CAP - pump

1шт.

H591537

KIT

- check valve, Includes: Ref. 25-28

2шт.

25

D63410

PLUG

- check valve

1шт.

27

D63409

VALVE SPRING

SPRING - check valve

1шт.

28

211-12

BALL,7/16 Dia

- steel, check valve

1шт.

H672706

PUMP

ASSEMBLY - ground drive, Sundstrand No. 18-2096, continued

1шт.

H591545

LOCK VALVE

RELIEF VALVE ASSEMBLY - charge pump, Includes: Ref. 29-33

1шт.

29

H387696

PLUG

- relief valve

1шт.

31

N7977

BLOCK

SHIM KIT - relief valve

2шт.

32

H387688

SPRING

- relief valve

1шт.

33

H387670

VALVE POPPET

POPPET - charge pump relief valve

1шт.

34

F23137

PLUG

PIPE PLUG - end cap, special

2шт.

35

9672438

PLUG,7/16" - 20 ORB

End cap, Incl. Ref. 36 Hex Hd, 7/16"-20 ORB

2шт.

36

218-5003

O-RING,0.072" Thk x 0.351" ID, -904, Cl 6, 90 Duro

- plug

1шт.

37

61-736

HEX SOC SCREW,7/16"-14 x 2 1/4"

BOLT - hex socket head, 7/16" - 16 NC x 2-1/4"

4шт.

38

D32101

SNAP RING,#62, Ext

RING, Snap, , bearing #62, Ext

1шт.

39

H757948

BEARING

BALL BEARING - charge pump shaft, inner

1шт.

40

H351411

SHAFT

- charge pump

1шт.

H591529

KIT

- charge pump assembly, Includes: Ref. 41-50

1шт.

41

H757070

PIN

- shaft

1шт.

42

V37352

ROTOR ASSY.

GEROTOR ASSEMBLY - complete

1шт.

43

S5629

O-RING,2.239" ID x 2.379" OD x 0.07"

- housing to end cap

1шт.

44

NSS

NOT SOLD SEPARAT

HOUSING - charge pump

1шт.

45

A30588

NEEDLE BEARING,Needle, 22.23mm ID x 28.57mm OD x 12.7mm W

- charge pump shaft, outer

1шт.

46

F60377

RACE

- bearing, inner, charge pump shaft

1шт.

47

113-122

BOLT,Hex, 5/16" - 18 x 1-1/2", Gr 5

4шт.

48

H297994

GASKET

- cover

1шт.

49

H337311

LARGE PLATE

PLATE - cover

1шт.

50

13-510

BOLT,Hex, 5/16" - 18 x 5/8", Gr 5, Full Thd

4шт.

26

218-5004

O-RING,0.072" Thk x 0.414" ID, -905, Cl 6, 90 Duro

5-1, 90 Duro, .414" ID x .072" Thk, plug

1шт.

30

218-5006

O-RING,0.087" Thk x 0.644" ID, -908, Cl 6, 90 Duro

8-1, 90 Duro, .644" ID x .087" Thk, plug

1шт.

Выбрано товаров: 56