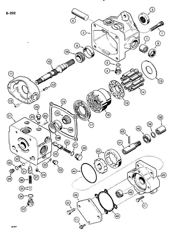
Запчасти Case DH4B (8-202) - ATTACHMENT DRIVE PUMP - H665802 (08) - HYDRAULICS

Схема запчастей Case DH4B - (8-202) - ATTACHMENT DRIVE PUMP - H665802 (08) - HYDRAULICS
FIT
1:1
100%

Артикул

Название

Примечание

Количество

H665802

PUMP

ASSEMBLY - attachment drive, Sundstrand No. 18-2081, Includes: Ref. 1-51

1шт.

1

61-736

HEX SOC SCREW,7/16"-14 x 2 1/4"

BOLT - hex socket head, 7/16" - 16 NC x 2-1/4"

4шт.

2

N8021

HOUSING

- attachment drive pump

1шт.

3

H756296

SEAL

- pump shaft

1шт.

4

218-5158

PLUG,Hex Hd, 1 1/16"-12 ORB

Pump housing Hex Hd, 1 1/16"-12 ORB

1шт.

5

218-5008

O-RING,0.116" Thk x 0.924" ID, -912, Cl 6, 90 Duro

- plug

1шт.

6

H351429

SHAFT

- trunnion, swash plate

2шт.

7

A12652

NEEDLE BEARING,1" ID x 1.251" OD x 0.75"

- trunnion shaft

2шт.

8

H354001

SEAL ASSY.

SEAL - trunnion shaft

2шт.

9

D29267

BEARING CUP,1.98" OD x 0.42"

CUP - tapered roller bearing

1шт.

9a

463911R91

ROLLER BEARING,1" ID x 0.58"

CONE - bearing

1шт.

10

H387654

SHAFT

INPUT SHAFT - pump

1шт.

11

N7975

LARGE PLATE

SWASH PLATE - pump

1шт.

12

138-2069

PIN,5/16" x 3/4", Coiled

4шт.

13

H351379

PLATE, THRUST

PLATE - thrust

1шт.

H351387

LARGE PLATE

KIT - cylinder block, pump, Includes: Ref. 14-16

1шт.

14

NSS

NOT SOLD SEPARAT

PITSON - pump

9шт.

15

NSS

NOT SOLD SEPARAT

RETAINER - piston

1шт.

16

NSS

NOT SOLD SEPARAT

BLOCK - piston

1шт.

17

H351387

LARGE PLATE

PLATE - valve

1шт.

18

B12411

ROLLER BEARING,0.75" ID x 0.655"

CONE - bearing, input shaft, inner

1шт.

18a

B12410

BEARING, CUP,1.782" OD

CUP - bearing, input used, .010" (.25 mm) thick

1шт.

18b

N9525

SHIM,.010" Thk

Cup, if used (.25 mm) .010" Thk

1шт.

19

H305441

GASKET

- housing

1шт.

20

H351445

PIN

- housing alignment

1шт.

21

N7976

CAP

END CAP - pump

1шт.

22

9672438

PLUG,7/16" - 20 ORB

End cap, Incl. Ref. 23 Hex Hd, 7/16"-20 ORB

4шт.

23

218-5003

O-RING,0.072" Thk x 0.351" ID, -904, Cl 6, 90 Duro

- plug

1шт.

24

F23137

PLUG

PIPE PLUG - special

2шт.

N8023

KIT

RELIEF VALVE ASSEMBLY - pump end cap, Includes: Ref. 25-28

1шт.

25

NSS

NOT SOLD SEPARAT

RELIEF VALVE - pump end cap

1шт.

26

N7980

SPRING

- relief valve

1шт.

28

H387696

PLUG

- relief valve

1шт.

H665802

PUMP

ASSEMBLY - attachment drive, Sundstrand No. 18-2081, continued

1шт.

H591537

KIT

- check valve, Includes: Ref. 29-32

2шт.

29

211-12

BALL,7/16 Dia

- steel, check valve

1шт.

30

D63409

VALVE SPRING

SPRING - check valve

1шт.

32

D63410

PLUG

- check valve

1шт.

H591545

LOCK VALVE

RELIEF VALVE ASSEMBLY - charge pump, Includes: Ref. 33-37

1шт.

33

H387670

VALVE POPPET

POPPET - charge pump relief valve

1шт.

34

H387688

SPRING

- relief valve

1шт.

35

N7977

BLOCK

SHIM KIT - relief valve

2шт.

37

H387696

PLUG

- relief valve

1шт.

38

H387639

COUPLING

- shaft

1шт.

39

D46211

SNAP RING,#78, Ext

RING, Snap, , bearing #78, Ext

1шт.

40

H758458

BALL BEARING

- charging pump shaft

1шт.

41

H387647

SHAFT

- charging pump

1шт.

N8022

PUMP

CHARGING PUMP ASSEMBLY - attachment drive pump, Includes: Ref. 42-51

1шт.

42

N8024

ROTOR ASSY.

GEROTOR ASSEMBLY - charging pump

1шт.

43

H758441

PIN

- shaft

1шт.

44

W15848

O-RING,3.487" ID x 3.693" OD x 0.103"

- charging pump

1шт.

45

NSS

NOT SOLD SEPARAT

HOUSING - charging pump, order N8022 charging pump assembly

1шт.

46

K620039

NEEDLE BEARING

- charging pump

1шт.

47

113-104

BOLT,Hex, 5/16" - 18 x 1-1/4", Gr 5

4шт.

48

H387712

COVER ASSY

GASKET - cover plate

1шт.

49

H387720

COVER

PLATE - cover

1шт.

50

113-207

BOLT,Hex, 3/8" - 16 x 1", Gr 5

2шт.

51

187-1072

SELF-TAP SCREW,Hex Wash Hd, 1/4" x 3/4"

SCREW - hex washer head, slotted, self-tapping, 1/4" - 20 NC x 3/4", plated

2шт.

31

218-5004

O-RING,0.072" Thk x 0.414" ID, -905, Cl 6, 90 Duro

5-1, 90 Duro, .414" ID x .072" Thk, plug

1шт.

27

218-5006

O-RING,0.087" Thk x 0.644" ID, -908, Cl 6, 90 Duro

8-1, 90 Duro, .644" ID x .087" Thk, plug

2шт.

36

218-5006

O-RING,0.087" Thk x 0.644" ID, -908, Cl 6, 90 Duro

8-1, 90 Duro, .644" ID x .087" Thk, plug

1шт.

Выбрано товаров: 0