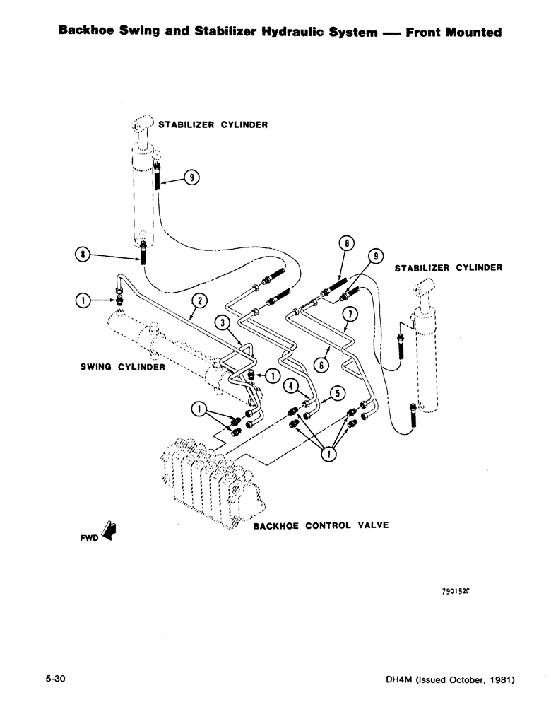
Запчасти Case DH4B (5-30) - BACKHOE SWING AND STABILIZER HYDRAULIC SYSTEM - FRONT MOUNTED (35) - HYDRAULIC SYSTEMS

Схема запчастей Case DH4B - (5-30) - BACKHOE SWING AND STABILIZER HYDRAULIC SYSTEM - FRONT MOUNTED (35) - HYDRAULIC SYSTEMS
FIT
1:1
100%

Артикул

Название

Примечание

Количество

1

218-5059

HYD CONNECTOR,3/4"-16, 37 Degree x 3/4"-16, O-Ring

CONNECTOR - (3/4 ORB x 3/4 JIC M)

8шт.

2

H646646

TUBE,12.7 mm OD

- Swing Cylinder (short)

1шт.

3

H646638

TUBE,12.7 mm OD

- Swing Cylinder (long)

1шт.

4

H646612

TUBE,12.7 mm OD

- Left Stabilizer Cylinder

1шт.

5

H646620

TUBE,12.7 mm OD

- Left Stabilizer Cylinder

1шт.

6

H646604

TUBE,12.7 mm OD

- Right Stabilizer Cylinder

1шт.

7

H646596

TUBE,12.7 mm OD

- Right Stabilizer Cylinder

1шт.

8

H195826

HOSE,0.38" ID x 55.00", SAE 100R1

2шт.

Use H433078 Hose and 218--5136 Elbow.

1шт.

9

H360412

HOSE,0.38" ID x 75.00", SAE 100R1

2шт.

218-5006

O-RING,0.087" Thk x 0.644" ID, -908, Cl 6, 90 Duro

- (3/4)

1шт.

218-5006

O-RING,0.087" Thk x 0.644" ID, -908, Cl 6, 90 Duro

- (3/4)

1шт.

218-5006

O-RING,0.087" Thk x 0.644" ID, -908, Cl 6, 90 Duro

- (3/4)

1шт.

Выбрано товаров: 13