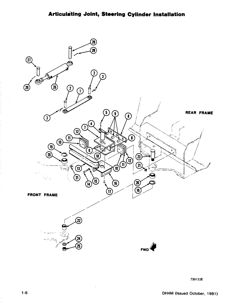
Запчасти Case DH4B (1-06) - ARTICULATING JOINT, STERING CYLINDER INSTALLATION (41) - STEERING

Схема запчастей Case DH4B - (1-06) - ARTICULATING JOINT, STERING CYLINDER INSTALLATION (41) - STEERING
FIT
1:1
100%

Артикул

Название

Примечание

Количество

1

H643171

LINK

- Articulation Lock, Includes: Refs. 2, 3

1шт.

2

H30270

CLEVIS

PIN - Clevis (3/4 x 2 5/8)

2шт.

3

D55169

PIN

- Klik

2шт.

4

H661892

PIN

- Articulation, Includes: Refs. 5, 6

1шт.

5

113-208

BOLT,Hex, 3/8" - 16 x 1-1/4", Gr 5

2шт.

6

131-52

NUT,3/8"-16, GC

NUT - NC Hex C/L (3/8)

2шт.

7

H661900

BRACKET

- Articulation

1шт.

8

H336123

BLOCK

- Wear Pad

2шт.

9

H336115

PIN

- Pad Retaining

3шт.

10

H393678

SPACER

- Channel

1шт.

11

H336362

SHIM,.010" Thk

1шт.

12

H336149

SHIM,.032" Thk

1шт.

13

H656272

CHANNEL

- Frame, Includes: Refs. 14, 15

1шт.

14

113-427

BOLT,Hex, 1/2" - 13 x 3-1/4", Gr 5

- NC HH (1/2 x 3-1/2)

4шт.

15

192-23

LOCK WASHER,1/2"

WASHER, LOCK, 1/2"

4шт.

16

H641480

BRACKET

- hose, Includes: Refs. 17, 18

1шт.

17

113-207

BOLT,Hex, 3/8" - 16 x 1", Gr 5

2шт.

18

131-52

NUT,3/8"-16, GC

NUT - NC Hex C/L (3/8)

2шт.

19

S62213

SNAP RING,2.165", Int, #216

Ring, Snap, 2.165", Int, #216

2шт.

20

L12570

BUSHING

BEARING

2шт.

21

219-55

LUBE NIPPLE,90 Degree Elbow, 1/8" - 27 NPTF

NIPPLE, LUBE, 90º, 1/8" NPT x .84" lg

2шт.

22

H378976

BUSHING,34.92mm ID x 44.5mm OD x 46mm L

- Taper

1шт.

23

H378968

PIN

- Lower Pivot

1шт.

24

195-2100

WASHER,1 1/32" x 2" x .238"

- Flat (1")

1шт.

25

131-188

LOCK NUT,1"-14, GB

NUT - Hex Lock (1-14)

1шт.

26

H654202

CYLINDER BLOCK

CYLINDER - Steering (See figure 1-92), Includes: Refs. 27-29

1шт.

27

H70623

AXLE PIN

PIN - Clevis (1 x 3 1/2)

1шт.

28

H56606

AXLE PIN,30.16mm OD x 142.08mm L

PIN - Clevis (1 x 5 1/4)

1шт.

29

132-345

COTTER PIN,3/16" x 1 1/2"

PIN, SPLIT (COTTER), 3/16" x 1 1/2"

2шт.

Выбрано товаров: 29