Запчасти Case DH5 (116) - TRENCHER FRAME, HEADSHAFT INSTALLATION (89) - TOOLS

Схема запчастей Case DH5 - (116) - TRENCHER FRAME, HEADSHAFT INSTALLATION (89) - TOOLS
FIT
1:1
100%

Артикул

Название

Примечание

Количество

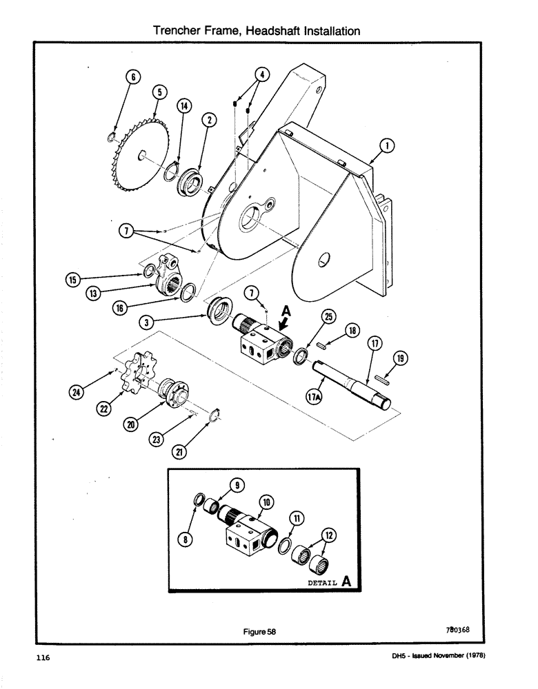
1

H621631

FRAME - Trencher

1шт.

2

H150201

BUSHING

1шт.

3

H150193

BUSHING

1шт.

4

83-48

SET SCREW,Hex Soc, 1/4"-20 x 1/2"

- NC Cup Point (1/4 x 1/2)

2шт.

5

H216846

DRIVE SPROCKET

SPROCKET - Headshaft

1шт.

6

D23191

SNAP RING,#200, Ext

Ring, Snap, #200, Ext

1шт.

7

219-8

LUBE NIPPLE,1/4" - 28 NPTF

NIPPLE, LUBE, 1/4"-28 NPT x .54" lg

3шт.

H569079

MOUNTING PARTS

CASTING ASSEMBLY - Boom Mount

1шт.

8

H754804

OIL SEAL

SEAL - Grease

1шт.

9

H748111

NEEDLE BEARING,Needle, 50.8mm ID x 65.17mm OD x 25.4mm W

BEARING

1шт.

10

H216812

BOOM

CASTING - Boom Mount

1шт.

11

H216887

WASHER

- Thrust

1шт.

12

H748145

BEARING

2шт.

13

H150276

BOOM

CRANK - Boom

1шт.

14

F11296

SNAP RING,#300, Ext

Ring, Snap, #300, Ext

1шт.

15

A42844

WASHER,50.85mm ID x 69.6mm OD x 3.2mm Thk

- Thrust

1шт.

16

H150375

WASHER

- Thrust

1шт.

H606012

DRIVE SHAFT

HEADSHAFT ASSEMBLY

1шт.

17

H216820

SLEEVE CYLINDER

SLEEVE

1шт.

17a

NSS

NOT SOLD SEPARAT

HEADSHAFT

1шт.

18

H219287

KEY

- Square (1/2 x 1 3/4)

1шт.

19

H115816

KEY

- Square (1/2 x 3 1/4)

1шт.

20

H216739

HUB CAP

HUB - Sprocket

1шт.

21

L59033

SNAP RING,#212, Ext

Ring, Snap, #212, Ext

1шт.

22

H148569

DRIVE SPROCKET

SPROCKET - Split, used with standard chain line

1шт.

22

H212811

DRIVE SPROCKET

SPROCKET - Split, used with heavy duty chain line

1шт.

23

114-255

BOLT,Hex, 3/8" - 24 x 2-1/4", Gr 8

Hex, 3/8"-24 x 2 1/4", G8

8шт.

24

131-1133

NUT,3/8"-24, GC

NUT - NF Hex C/L (3/8)

8шт.

25

H754812

SEAL

SEAL - Grease

1шт.

Выбрано товаров: 0