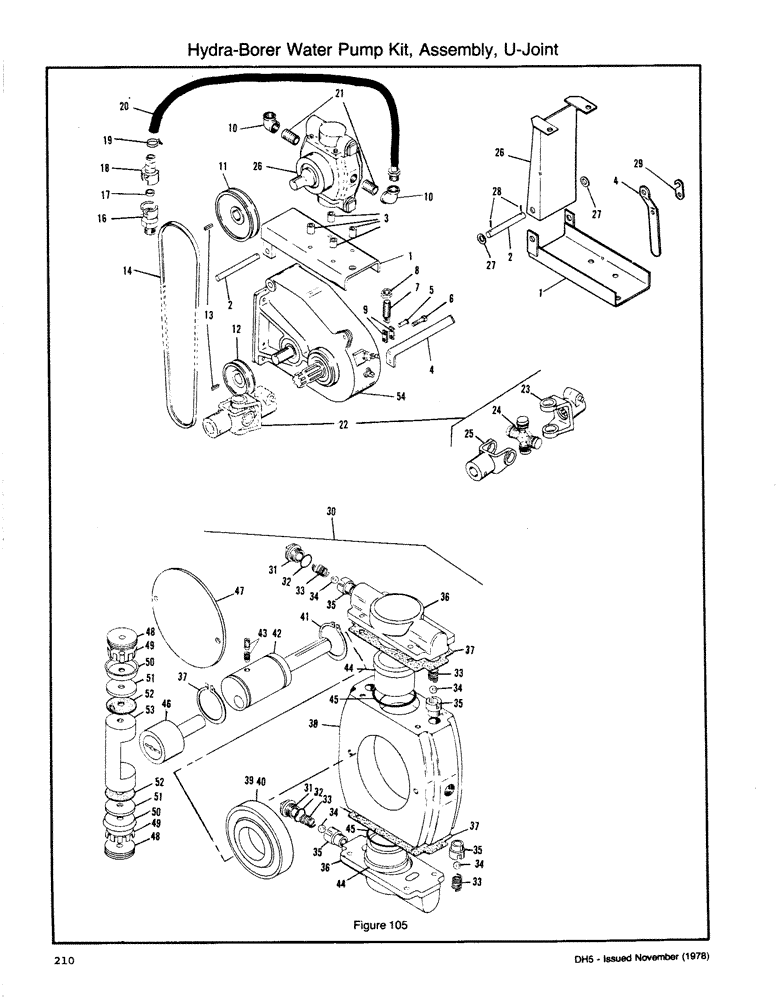
Запчасти Case DH5 (210) - HYDRA-BORER WATER PUMP KIT, ASSEMBLY, U-JOINT (89) - TOOLS

Схема запчастей Case DH5 - (210) - HYDRA-BORER WATER PUMP KIT, ASSEMBLY, U-JOINT (89) - TOOLS
FIT
1:1
100%

Артикул

Название

Примечание

Количество

1

H511162

SUPPORT

Water Pump Mtg Bracket

1шт.

1

H519397

PUMP

Water Pump Mtg Bracket

1шт.

2

H71225

PIN

Bracket, Attaching (Use With H511162)

1шт.

2

H87460

PIN

Bracket, Attaching (Use With H519397)

1шт.

3

H71217

SPACER

4шт.

4

H71308

LEVER

(Use With H511162)

1шт.

4

H87486

LEVER

(Use With H519397)

1шт.

5

H31708

CLEVIS PIN

(5/16" x 1 3/8")

1шт.

6

113-17

BOLT,Hex, 1/4" - 20 x 1-1/4", Gr 5

1шт.

7

H71233

STUD

- Belt Tightener

1шт.

8

129-167

JAM NUT,Jam, 5/8"-18, G5

(5/8" NF Jam)

2шт.

9

H71241

DRAG LINK

Lever Link

2шт.

10

221-378

ELBOW,90 Degree, 3/4" NPT

(3/4" x 90 degree - Pipe)

2шт.

11

H71266

SHEAVE

Pump (Use With H511162)

1шт.

12

H71258

PULLEY

Sheave, Drive (Use With H511162)

1шт.

13

T13450

KEY

(1/4" Sq. x 1 1/4")

2шт.

14

H71282

BELT

Drive Belt (Use With H511162)

1шт.

14

H88005

BELT

Drive Belt (Use With H519397)

1шт.

15

H87494

SHEAVE

(Use With H519397)

2шт.

16

H78311

CLAMP

Coupler (3/4" Pipe Thd)

1шт.

17

H88104

GASKET

- Coupler

1шт.

18

H78303

COUPLING

Coupler (For 3/4" I.D. Hoe)

1шт.

19

214-256

HOSE CLAMP,#20, 0.81" - 1.75", Type F Worm

1шт.

20

H78295

HOSE

(3/4" x 36" - 3/4" M.P. - One End Only)

1шт.

21

221-211

PIPE,Nipple, 3/4" NPT x 1 3/8"

Nipple (3/4" All Thd - Pipe)

2шт.

22

H511113

JOINT

Universal Joint Asm

1шт.

23

H71142

YOKE

- Splined

1шт.

24

H71167

JOURNAL

Asm

1шт.

25

H71159

YOKE

1шт.

26

H519389

SUPPORT

Channel

1шт.

27

195-533

WASHER,1/2", SAE

- Flat (1/2)

2шт.

28

132-310

COTTER PIN,1/8" x 1"

PIN, SPLIT (COTTER), 1/8" x 1"

2шт.

29

H265983

LATCH

Lock Link (Use With H519397)

1шт.

30

H511154

PUMP, WATER

Water Pump Asm

1шт.

31

H73254

Valve Cap

2шт.

32

H73288

GASKET

2шт.

33

H73189

SPRING

Valve Spring

4шт.

34

H73171

VALVE

Ball

4шт.

35

H73163

SEAT, VALVE

Valve Seat

4шт.

36

H73098

Head

2шт.

37

H73148

GASKET

Head Gasket

2шт.

38

H73080

Body

1шт.

39

H747311

BEARING

(Used On Pump - Serial No. 553 Or under)

1шт.

40

H747329

BEARING

(Used On Pump - Serial No. 554 And Up)

1шт.

41

A7147

SNAP RING,#177, Ext

Ring, Snap, #177, Ext

2шт.

42

H73130

Crankshaft

1шт.

43

83-46

SET SCREW,Hex Soc, 1/4"-20 x 3/8"

Screw (1/4" - 20 x 3/8" Socket HD-Cup Point)

2шт.

44

H73114

SLEEVE CYLINDER

Piston Sleeve

2шт.

45

A29884

O-RING,0.139" Thk x 2.359" ID, -229, Cl 5, 75 Duro

O Ring

2шт.

46

H748244

BEARING

Cam Follower Bearing

1шт.

47

H73197

Name Plate

1шт.

48

H73205

PLATE

Inside Plate

2шт.

49

H73247

CUP

Spreader

2шт.

50

H73221

PISTON

Cup

2шт.

51

H73213

PLATE

Backing Plate

2шт.

52

H73155

GASKET

Connecting Rod Gasket

2шт.

53

H73106

Connecting Rod

1шт.

54

H511105

GEARBOX ASSY

Gear Reduction Asm

1шт.

H658179 KIT HAS 1 3/4" LONG PIN. IF CUSTOMER PIN IS 2 1/4", KIT IS 182591A1. PER VENDOR, 182591A1 IS CORRECT KIT FOR THE H511113 U-JOINT ASSY. 12/11/98 BW CAM

1шт.

Выбрано товаров: 0