Запчасти Case DH5 (014) - BRAKE SYSTEM (33) - BRAKES & CONTROLS

Схема запчастей Case DH5 - (014) - BRAKE SYSTEM (33) - BRAKES & CONTROLS
FIT
1:1
100%

Артикул

Название

Примечание

Количество

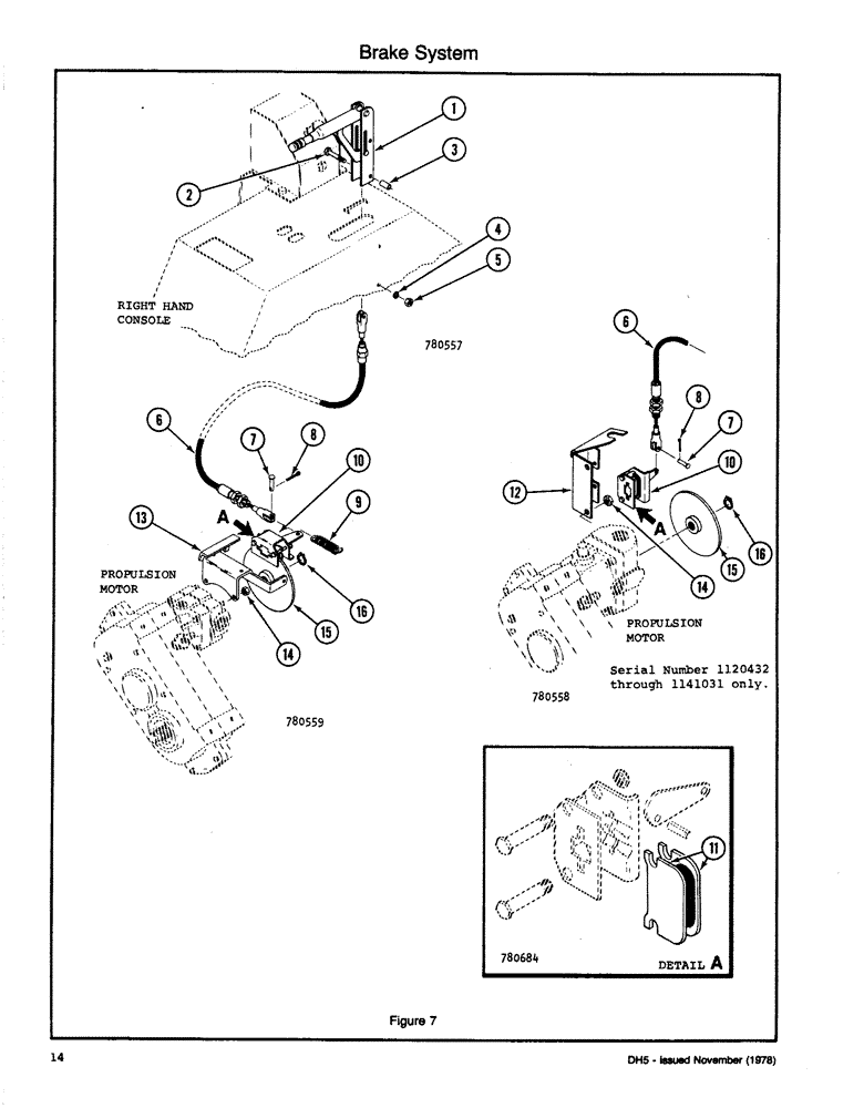
1

H506881

HANDLE

LEVER ASSY - Brake

1шт.

2

113-119

BOLT,Hex, 5/16" - 18 x 2-3/4", Gr 5

2шт.

3

H165183

SPACER

2шт.

4

195-521

WASHER,5/16", SAE

- Flat (5/16)

2шт.

5

131-176

LOCK NUT,Prev Torque, Hex, 5/16" - 18, Gr A

NUT NC HH C/L (5/16)

2шт.

6

H629179

CABLE ASSY - Brake

1шт.

7

D23693

AXLE PIN

PIN - Clevis (1/4 x 1)

1шт.

8

132-320

COTTER PIN,3/32" x 3/4"

PIN, SPLIT (COTTER), 3/32" x 3/4"

1шт.

9

H360313

VALVE SPRING

SPRING - Brake

1шт.

10

H628255

CALIPER

ASSY - Disc Brake

1шт.

11

H341685

BRAKE PAD

PUCK - Brake

2шт.

12

H628511

MOUNT ASSY - Brake

1шт.

13

H633362

MOUNTING PARTS

MOUNT ASSY - Brake

1шт.

14

131-1129

LOCK NUT,7/16"-14, GA

NUT NC HH C/L (7/16)

2шт.

15

H628271

DISC

- Brake

1шт.

16

A27521

SNAP RING,#68, Ext

Ring, Snap, #68, Ext

1шт.

Выбрано товаров: 16