Запчасти Case DH5 (1-40) - NEUTRAL START CONTROL INSTALLATION (55) - ELECTRICAL SYSTEMS

Схема запчастей Case DH5 - (1-40) - NEUTRAL START CONTROL INSTALLATION (55) - ELECTRICAL SYSTEMS
FIT
1:1
100%

Артикул

Название

Примечание

Количество

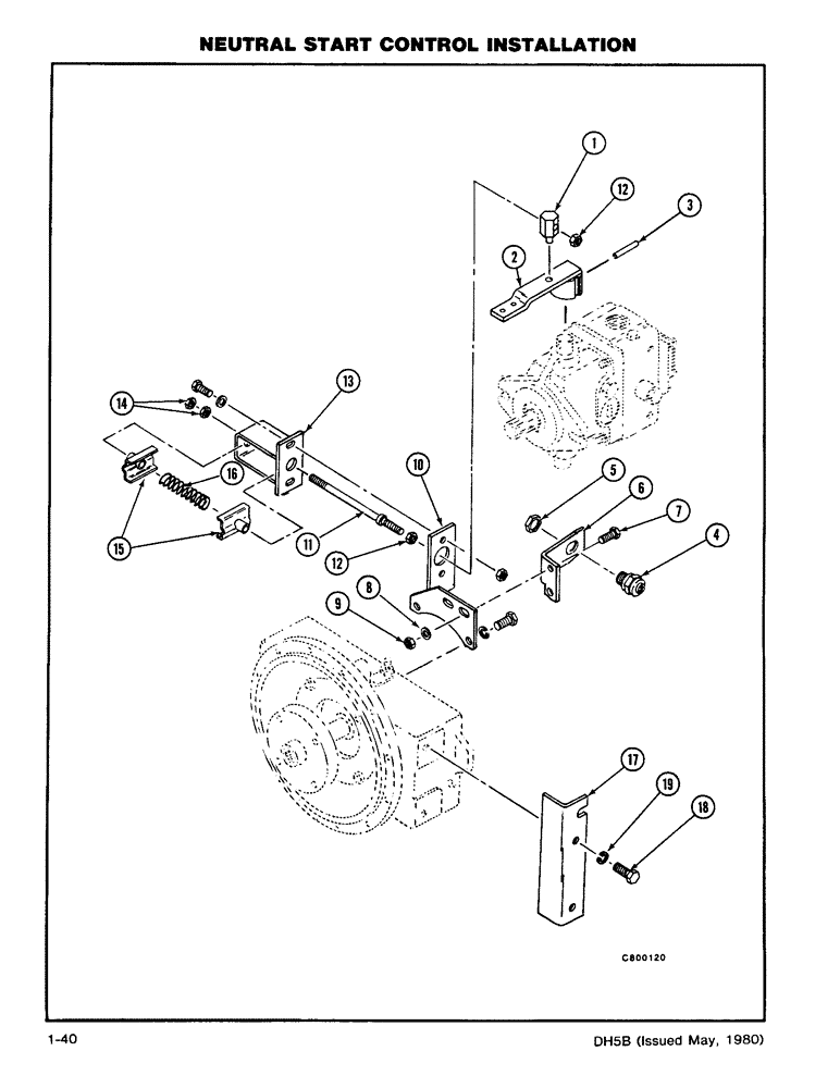
1

S108030

JOINT

PIVOT - Neutral Start

1шт.

2

H644393

LEVER

- Pump

1шт.

3

138-142

LOCK PIN,1/4" x 2", Slotted

PIN, , Pump 1/4" x 2", Slotted

1шт.

4

A55882

SOLENOID SWITCH

SWITCH - Neutral Start

1шт.

5

131-404

LOCK NUT,PAL, 3/4"-16

NUT - Lock (Neutral Start Switch)

1шт.

6

H365130

BRACKET

MOUNTING - Switch

1шт.

7

113-207

BOLT,Hex, 3/8" - 16 x 1", Gr 5

3шт.

8

195-525

WASHER,3/8", SAE

- Flat (3/8)

3шт.

9

230-4216

LOCK NUT,3/8"-16, GA

NUT - NC Hex C/L (3/8)

3шт.

10

H637389

BRACKET

- Neutral Start

1шт.

11

D70310

ROD

- Spring

1шт.

12

131-1133

NUT,3/8"-24, GC

NUT - NF Hex C/L (3/8)

2шт.

13

D72484

HOUSING

- Spring

1шт.

14

129-123

NUT,3/8"-24, G5

2шт.

15

D72479

SUPPORT

SEAT - Spring

2шт.

16

D70304

COMPRESSION SPRING,0.955" OD x 4.00" L

1шт.

17

H381780

ANGLE - Cable Mounting

1шт.

18

113-410

BOLT,Hex, 1/2" - 13 x 1-1/2", Gr 5, Full Thd

4шт.

19

192-23

LOCK WASHER,1/2"

WASHER, LOCK, 1/2"

4шт.

Выбрано товаров: 19