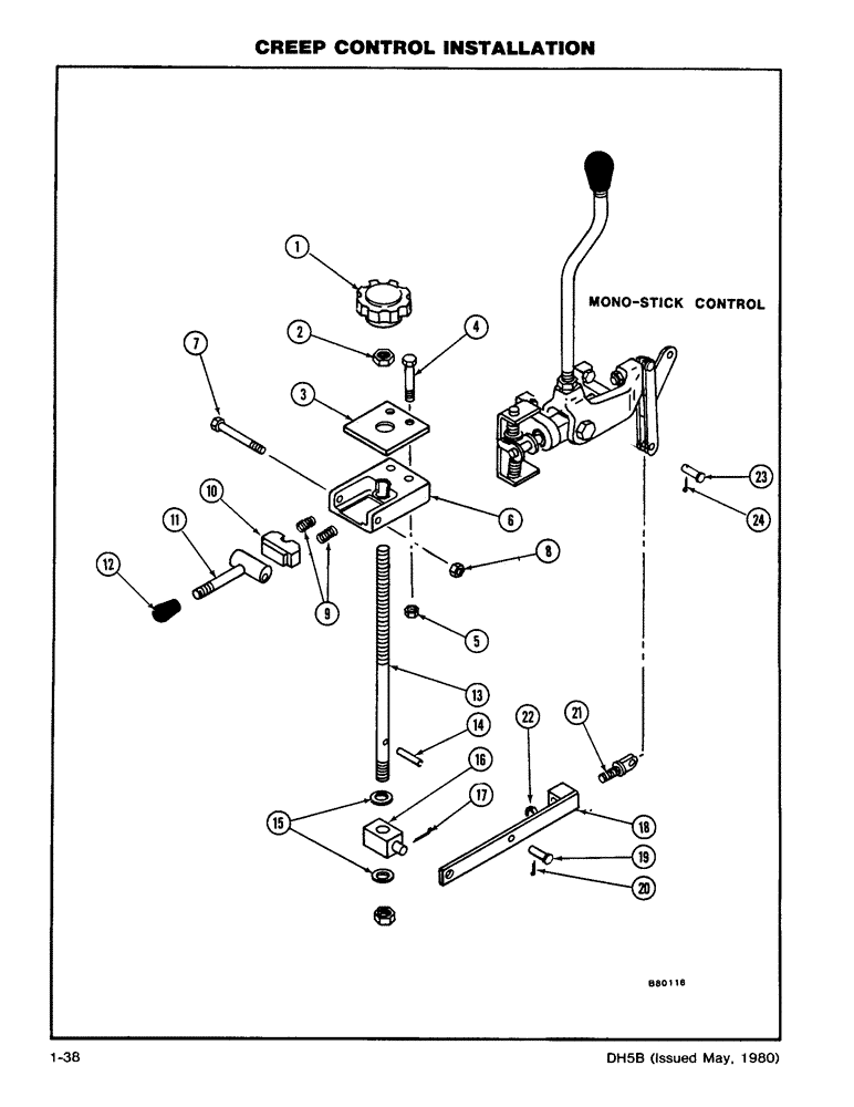
Запчасти Case DH5 (1-38) - CREEP CONTROL INSTALLATION (14) - MAIN GEARBOX & DRIVE

Схема запчастей Case DH5 - (1-38) - CREEP CONTROL INSTALLATION (14) - MAIN GEARBOX & DRIVE
FIT
1:1
100%

Артикул

Название

Примечание

Количество

1

H239004

KNOB

1шт.

2

131-1182

LOCK NUT,1/2"-13, GA

NUT - NC HEX C/L (1/2)

2шт.

3

H233767

COVER ASSY

PLATE - Cover

1шт.

4

113-120

BOLT,Hex, 5/16" - 18 x 1-3/4", Gr 5

2шт.

5

131-176

LOCK NUT,Prev Torque, Hex, 5/16" - 18, Gr A

NUT - NC Hex C/L (5/16)

2шт.

6

H608885

CONTROL BLOCK

BASE - Control

1шт.

7

113-46

BOLT,Hex, 1/4" - 20 x 2-3/4", Gr 5

- NC HH (1/4 x 2 3/4)

1шт.

8

131-1180

LOCK NUT,1/4"-20, GA

NUT, LOCK, 1/4"-20, GA

1шт.

9

H253864

VALVE SPRING

SPRING

2шт.

10

H608877

BLOCK

1шт.

11

H577783

CAM

1шт.

12

H182113

KNOB

1шт.

13

H362558

SHAFT

- Control

1шт.

14

138-96

LOCK PIN,3/16" x 1", Slotted

PIN, 3/16" x 1", Slotted

1шт.

15

195-533

WASHER,1/2", SAE

- Flat (1/2)

2шт.

16

H237701

BLOCK

1шт.

17

132-334

COTTER PIN,1/8" x 3/4"

PIN, SPLIT (COTTER), 1/8" x 3/4"

1шт.

18

H624841

LINK

1шт.

19

H44289

CLEVIS COUPLING

PIN - Clevis (5/16 x 57/64)

1шт.

20

132-340

COTTER PIN,5/32" x 3/4"

5/32" x 3/4"

1шт.

21

H217109

BOLT

BOLT - Eye

1шт.

22

131-1169

LOCK NUT,5/16"-24, GA

NUT, LOCK, 5/16"-24, GA

1шт.

23

H169318

CLEVIS COUPLING,6.35mm OD x 22.62mm L

PIN - Clevis (1/4 x 51/64)

1шт.

24

132-329

COTTER PIN,1/16" x 3/4"

1/16" x 3/4"

1шт.

Выбрано товаров: 24