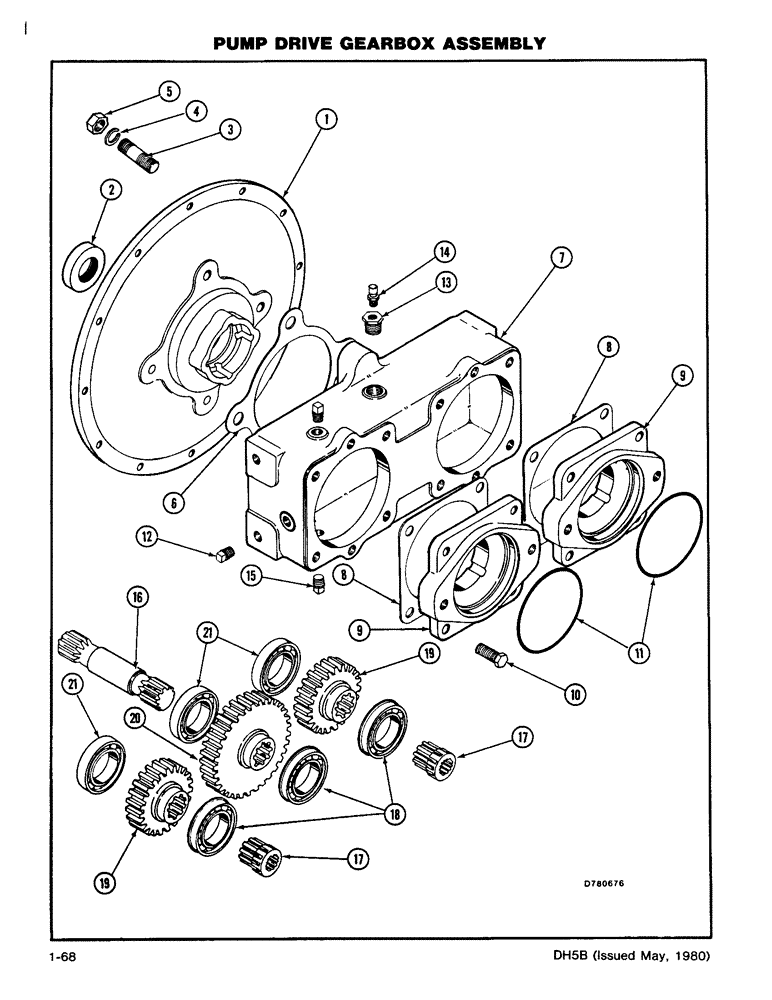
Запчасти Case DH5 (1-68) - PUMP DRIVE GEARBOX ASSEMBLY (14) - MAIN GEARBOX & DRIVE

Схема запчастей Case DH5 - (1-68) - PUMP DRIVE GEARBOX ASSEMBLY (14) - MAIN GEARBOX & DRIVE
FIT
1:1
100%

Артикул

Название

Примечание

Количество

H627521

GEARBOX ASSY

GEARBOX ASSEMBLY - Pump Drive, Includes: Ref. 1 - 21

1шт.

1

H344390

HOUSING - Flywheel

1шт.

2

H757765

SEAL ASSY.

SEAL - Oil

1шт.

3

H344515

STUD

- (5/8-11)

4шт.

4

192-25

LOCK WASHER,5/8"

WASHER, LOCK, 5/8"

4шт.

5

280374

NUT,Hex, 5/8" - 11, Gr 5

4шт.

6

H344408

GASKET

1шт.

7

H344374

HOUSING

1шт.

8

H344457

GASKET

2шт.

9

H344424

ADAPTER

- Pump

2шт.

10

113-417

BOLT,Hex, 1/2" - 13 x 1-1/4", Gr 5, Full Thd

8шт.

11

S93507

O-RING,0.139" Thk x 3.984" ID, -242, Cl 5, 75 Duro

O RING

2шт.

12

H76422

PLUG

- Pipe (1/4-18)

3шт.

13

221-87

REDUCER,1/2" NPT x 1/8" NPT

BUSHING - Pipe (1/2 x 1/8)

1шт.

14

T42477

FITTING

BREATHER - Air

1шт.

15

221-670

PLUG

- Magnetic (1/4-18)

1шт.

16

H344440

DRIVE SHAFT

SHAFT - Drive

1шт.

17

H344432

ADAPTER

- Sleeve

2шт.

18

H757732

BEARING

3шт.

19

H344416

PINION

GEAR - Driven

2шт.

20

H344382

PINION

GEAR - Pinion

1шт.

21

A75193

BALL BEARING,1.5748" ID x 2.6882" OD x 0.5906" Thk

BEARING

3шт.

Выбрано товаров: 0