Запчасти Case DH5 (1-10) - PARKING BRAKE INSTALLATION (33) - BRAKES & CONTROLS

Схема запчастей Case DH5 - (1-10) - PARKING BRAKE INSTALLATION (33) - BRAKES & CONTROLS
FIT
1:1
100%

Артикул

Название

Примечание

Количество

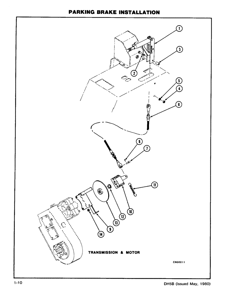
1

H506881

HANDLE

LEVER - Brake

1шт.

2

113-119

BOLT,Hex, 5/16" - 18 x 2-3/4", Gr 5

2шт.

3

H165183

SPACER

2шт.

4

131-176

LOCK NUT,Prev Torque, Hex, 5/16" - 18, Gr A

NUT - NC Hex C/L (5/16)

2шт.

5

195-521

WASHER,5/16", SAE

- Flat (5/16)

2шт.

6

H629170

CABLE

- Brake

1шт.

7

D23693

AXLE PIN

PIN - Clevis (1/4 x 1)

1шт.

8

132-320

COTTER PIN,3/32" x 3/4"

PIN, SPLIT (COTTER), 3/32" x 3/4"

1шт.

9

H633362

MOUNTING PARTS

MOUNTING - Brake

1шт.

10

H628255

CALIPER

BRAKE CALIPER ASSEMBLY - (See Fig. 1-60)

1шт.

11

H360313

VALVE SPRING

SPRING

1шт.

12

A27521

SNAP RING,#68, Ext

Ring, Snap, #68, Ext

1шт.

13

H628271

DISC

- Brake

1шт.

14

131-219

LOCK NUT

NUT - NC Hex (7/16)

2шт.

Выбрано товаров: 0