Запчасти Case DH5 (38) - STARTER (55) - ELECTRICAL SYSTEMS

Схема запчастей Case DH5 - (38) - STARTER (55) - ELECTRICAL SYSTEMS
FIT
1:1
100%

Артикул

Название

Примечание

Количество

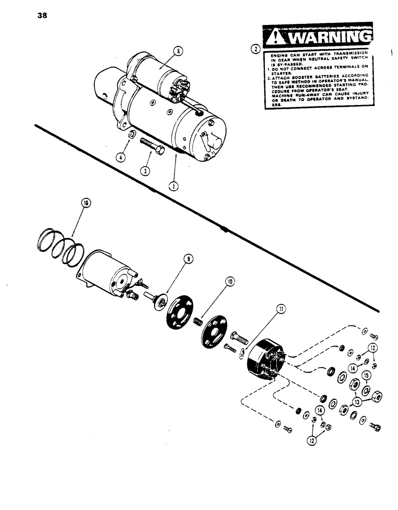
1

A39839

STARTING MOTOR

STARTER ASSY. - (Delco-Remy #1109143)(See Fig. 36)

1шт.

2

321-3709

DECAL

- jumper cable warning

1шт.

3

113-213

BOLT,Hex, 3/8" - 16 x 2-1/4", Gr 5

- starter mounting (3/8 x 2" N.C. hex.)

3шт.

4

92-6

LOCK WASHER,3/8"

3шт.

8

G44891

SOLENOID

ASSY. - (Delco-Remy #1114356)(See Note)

1шт.

9

A42061

SWITCH

CONTACT ASSY., solenoid

1шт.

10

A42059

SPRING

- contact return, solenoid

1шт.

11

A42060

HALF BLADE

BLADE - contact, solenoid

1шт.

12

129-16

NUT,#8-32

Solenoid #8-32

4шт.

13

87016560

JAM NUT,Jam, 3/8"-16, G5

Solenoid Jam, 3/8"-16, G5

3шт.

14

192-16

LOCK WASHER,Helical Spring, #8, 0.17" ID, CST, ZND

Washer, Lock, , Solenoid #8

2шт.

15

192-21

LOCK WASHER,3/8"

WASHER, LOCK, , Solenoid 3/8"

1шт.

16

A40221

SPRING

- plunger return, solenoid

1шт.

Выбрано товаров: 13