Запчасти Case DH7 (6-12) - HYDRA-BORER GEAR REDUCTION CASE ASSEMBLY (89) - TOOLS

Схема запчастей Case DH7 - (6-12) - HYDRA-BORER GEAR REDUCTION CASE ASSEMBLY (89) - TOOLS
FIT
1:1
100%

Артикул

Название

Примечание

Количество

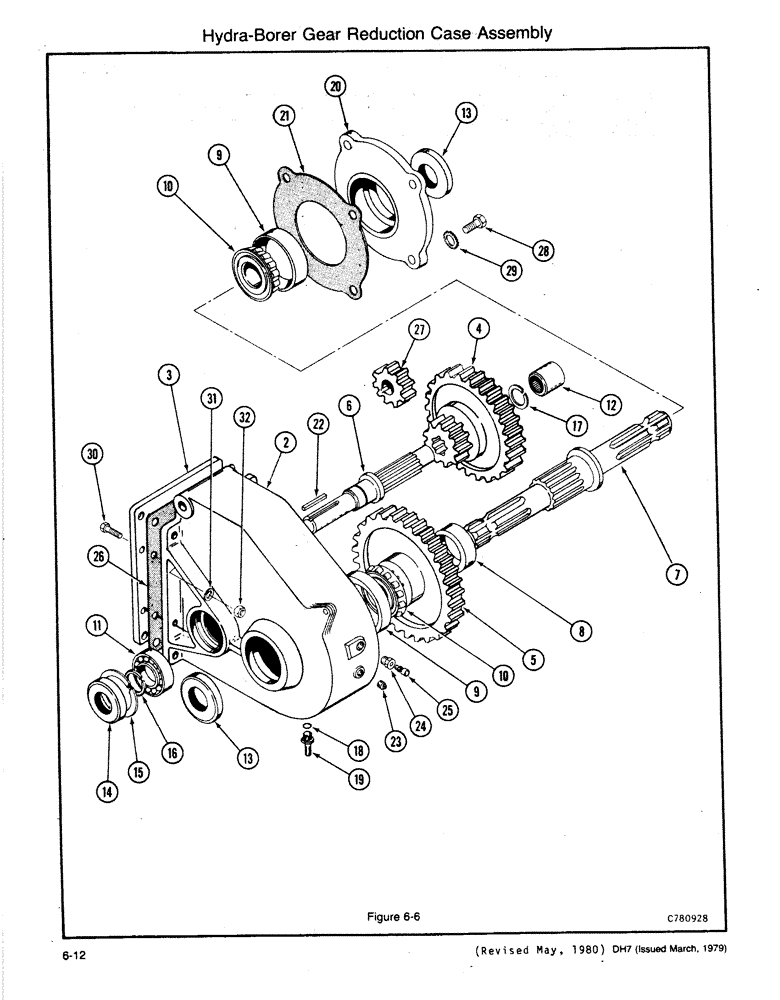
1

H511105

GEARBOX ASSY

GEAR REDUCTION CASE ASSEMBLY, Includes: Ref. 2 - 32

1шт.

2

H69104

HOUSING

CASE - Gear

1шт.

3

H69146

COVER

PLATE - Cover

1шт.

4

H69120

GEAR

- Counter

1шт.

5

H69138

GEAR

- Output

1шт.

6

H69153

SHAFT

- Counter

1шт.

7

H69161

SHAFT

- Output

1шт.

8

H69179

SPACER

- Outer Gear

1шт.

9

A30580

BEARING CUP

CUP - Bearing

2шт.

10

A29465

ROLLER BEARING,34.938 mm ID x 24.684 mm

CONE - Bearing

2шт.

11

40040

BALL BEARING,1.1811" ID x 2.4409" OD x 0.6299"

BALL BEARING - Countershaft

1шт.

12

A28210

BEARING, NEEDLE,1" ID x 1.25" OD x 1"

NEEDLE BEARING - Countershaft

1шт.

13

VT2661

SEAL

- Output Shaft

2шт.

14

F9473

OIL SEAL

SEAL - Countershaft

1шт.

15

H752733

OIL SEAL

RING - Snap

1шт.

16

F62020

SNAP RING,#125, Ext

RING, Snap, #125, Ext

1шт.

17

B18208

SNAP RING,#100, Ext

1шт.

18

237-6010

O-RING,0.097" Thk x 0.755" ID, -910, Cl 6, 90 Duro

O RING - Anchor Plug

1шт.

19

H69187

STUD

PLUG - Anchor

1шт.

20

H69112

RETAINER

- Bearing

1шт.

21

H69203

GASKET

SHIM - Gasket

1шт.

22

T25070

KEY

- Square (1/4 x 2)

1шт.

23

221-39

PLUG

- Pipe (1/8)

2шт.

24

221-85

REDUCER,Hex, 3/8" x 1/8" NPT

BUSHING - Pipe (3/8 x 1/8)

1шт.

25

L33264

BREATHER

1шт.

26

H69195

GASKET

- Cover

1шт.

27

H29223

SPUR

GEAR - Input (motor shaft)

1шт.

28

H709857

BOLT

- NC HH (3/8 x 1)

4шт.

29

H739367

LOCK WASHER

WASHER - External Star (3/8)

4шт.

30

164-33

HEX SOC SCREW,Flat Hd, 1/4" - 20 x 1 1/4"

- NC Flat Head Socket (1/4 x 1-1/4)

4шт.

31

192-109

LOCK WASHER,1/4"

WASHER - Lock (1/4)

4шт.

32

131-204

NUT,1/4"-20

NUT - NC Hex (1/4)

4шт.

Выбрано товаров: 32