Качественные детали и логистика
Оригинальные и аналоговые запчасти с доставкой по России, Казахстану и Беларуси
©2022 PartSell ООО "Система" ИНН 2463123282 ОГРН 1212400004838
Центральный офис: г. Красноярск, Академика Киренского, д.87, пом.4
Телефон: 8 (800) 777-65-74 Email: zakaz@partsell.ru
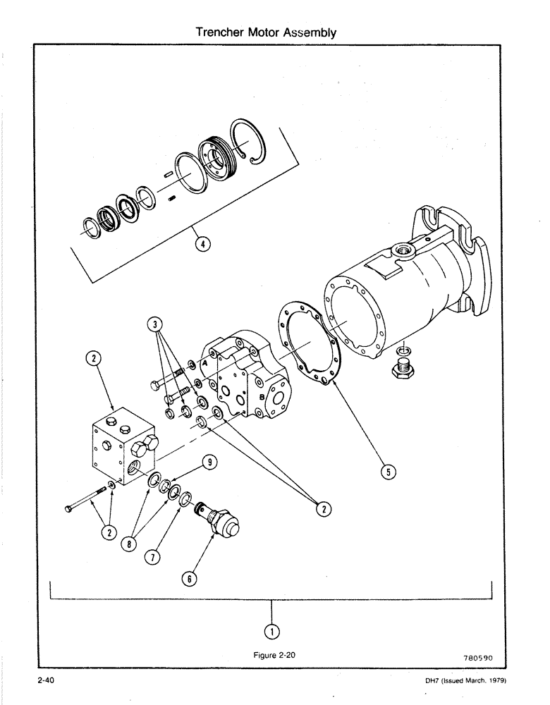
(2-40) - TRENCHER MOTOR ASSEMBLY
№
Артикул
Название
Примечание
Количество
1
H647172
MOTOR HOUSING
MOTOR ASSY - Trencher, Includes: Ref. 2 - 9
1шт.
2
R29543
HYDRAULIC VALVE
KIT - Manifold Valve
3
R29539
SEAL ASSY.
KIT - Seal
4
R29533
SEAL KIT
5
F23117
GASKET,0.25mm Thk
6
H648691
LOCK VALVE
VALVE - Hight Pressure Relief (5000 psi)
2шт.
7
218-5009
O-RING,0.116" Thk x 1.048" ID, -914, Cl 6, 90 Duro
4шт.
8
A16860
RING
- Backup
9
D063414
O-RING
Выбрано товаров: 0