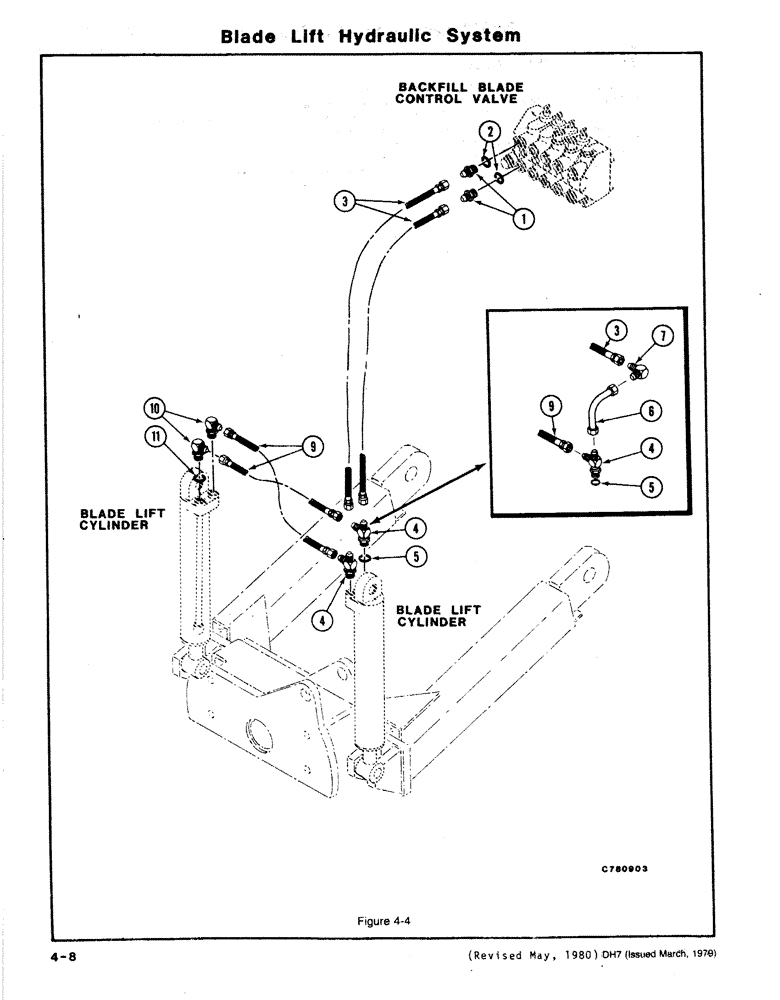
Запчасти Case DH7 (4-08) - BLADE LIFT HYDRAULIC SYSTEM (35) - HYDRAULIC SYSTEMS

Схема запчастей Case DH7 - (4-08) - BLADE LIFT HYDRAULIC SYSTEM (35) - HYDRAULIC SYSTEMS
FIT
1:1
100%

Артикул

Название

Примечание

Количество

1

218-5058

HYD CONNECTOR,9/16" - 18 Male JIC x 3/4" - 18 Male ORB

CONNECTOR (3/4 ORB & 9/16 JIC M) (Cessna Valve)

2шт.

218-5354

HYD CONNECTOR,9/16"-18, 37 Degree x 7/8"-14, O-Ring

FITTING, 9/16"-18, 37° x 7/8"-14, O-Ring (Kontak Valve), Includes Ref. 2

2шт.

237-6010

O-RING,0.097" Thk x 0.755" ID, -910, Cl 6, 90 Duro

(7/8)

1шт.

3

H350926

HOSE,0.25" ID x 110.00", SAE 100R1A

2шт.

Use With Front Mounted Backfill Blade.

1шт.

H169169

HYDRAULIC HOSE,6.35 mm ID x 762.00 mm, SAE 100R1

6.35 mm ID x 762.00 mm, SAE 100R1

2шт.

Use With Rear Mounted Backfill Blade.

1шт.

4

218-5581

TEE,9/16"-18, 37 Degree, 3/4"-16, O-Ring Run, 9/16"-18, 37 Degree

(3/4 ORB & 9/16 JIC M & 9/16 JIC M), Includes: Ref. 5

2шт.

6

H650267

TUBE ASSY 9.53 mm OD x 65, 47 mm L

2шт.

Use With Front Mounted Backfill Blade.

1шт.

7

218-473

ELBOW,90 Degree Elbow, 9/16" - 18 Male JIC x 9/16" - 18 Male JIC

- 90 degrees (9/16 JIC M)

2шт.

Use With Front Mounted Backfill Blade.

1шт.

9

H169151

HYDRAULIC HOSE,6.35 mm ID x 609.60 mm, SAE 100R1

6.35 mm ID x 609.60 mm, SAE 100R1

2шт.

Use With Front Mounted Backfill Blade.

1шт.

H243790

HYDRAULIC HOSE,6.35 mm ID x 1473.20 mm, SAE 100R1

6.35 mm ID x 1473.20 mm, SAE 100R1

2шт.

Use With Rear Mounted Backfill Blade.

1шт.

10

218-5128

ELBOW,90° Elbow, 9/16" - 18 Male JIC x 3/4" - 16 Male ORB

- 90 degrees (3/4 ORB & JIC M), Incl. Ref. 11

2шт.

2

218-5006

O-RING,0.087" Thk x 0.644" ID, -908, Cl 6, 90 Duro

(3/4)

1шт.

5

218-5006

O-RING,0.087" Thk x 0.644" ID, -908, Cl 6, 90 Duro

(3/4)

1шт.

11

218-5006

O-RING,0.087" Thk x 0.644" ID, -908, Cl 6, 90 Duro

(3/4)

1шт.

Выбрано товаров: 20