Запчасти Case DH7 (1-36) - STEERING VALVE, LIFT CONTROL INSTALLATION (41) - STEERING

Схема запчастей Case DH7 - (1-36) - STEERING VALVE, LIFT CONTROL INSTALLATION (41) - STEERING
FIT
1:1
100%

Артикул

Название

Примечание

Количество

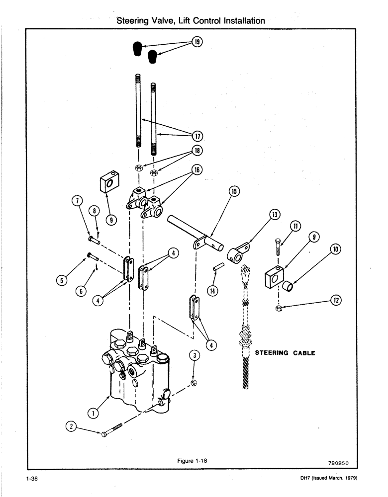
1

H652297

LOCK VALVE

STEERING CONTROL VALVE ASSEMBLY (See Figure 1-78), Includes: Ref. 2 and 3

1шт.

2

113-110

BOLT,Hex, 5/16" - 18 x 2-1/4", Gr 5

Hex, 5/16"-18 x 2 1/4", G5

2шт.

3

131-176

LOCK NUT,Prev Torque, Hex, 5/16" - 18, Gr A

NUT - Hex (5/16 NC - Lock)

2шт.

4

H196857

LINK

- Valve

6шт.

5

H35279

AXLE PIN,4.72mm OD x 23.76mm L

PIN - Clevis (3/16 x 57/64)

3шт.

6

132-328

COTTER PIN,1/16" x 1/2"

PIN, SPLIT (COTTER), 1/16" x 1/2"

3шт.

7

D23693

AXLE PIN

PIN - Clevis

3шт.

8

132-320

COTTER PIN,3/32" x 3/4"

PIN, SPLIT (COTTER), 3/32" x 3/4"

3шт.

9

H558403

BLOCK

- Bearing, Includes: Ref. 10 - 12

2шт.

10

H151894

BUSHING

BEARING

1шт.

11

113-121

BOLT,Hex, 5/16" - 18 x 2", Gr 5

- Hex Hd (5/16 x 2-1/4)

2шт.

12

131-176

LOCK NUT,Prev Torque, Hex, 5/16" - 18, Gr A

NUT - Hex (5/16 NC - Lock)

2шт.

13

H625236

LEVER

Includes: Ref. 14

1шт.

14

138-135

LOCK PIN,1/4" x 1 1/8", Slotted

PIN, LOCK, 1/4" x 1 1/8", Slotted

1шт.

15

H625574

SHAFT

- Lever

1шт.

16

H275255

CRANK LEVER

CASTING - Lever

2шт.

17

H191916

ROD

LEVER - Valve

2шт.

18

87016560

JAM NUT,Jam, 3/8"-16, G5

2шт.

19

A14051

GRIP

KNOB

2шт.

Выбрано товаров: 19