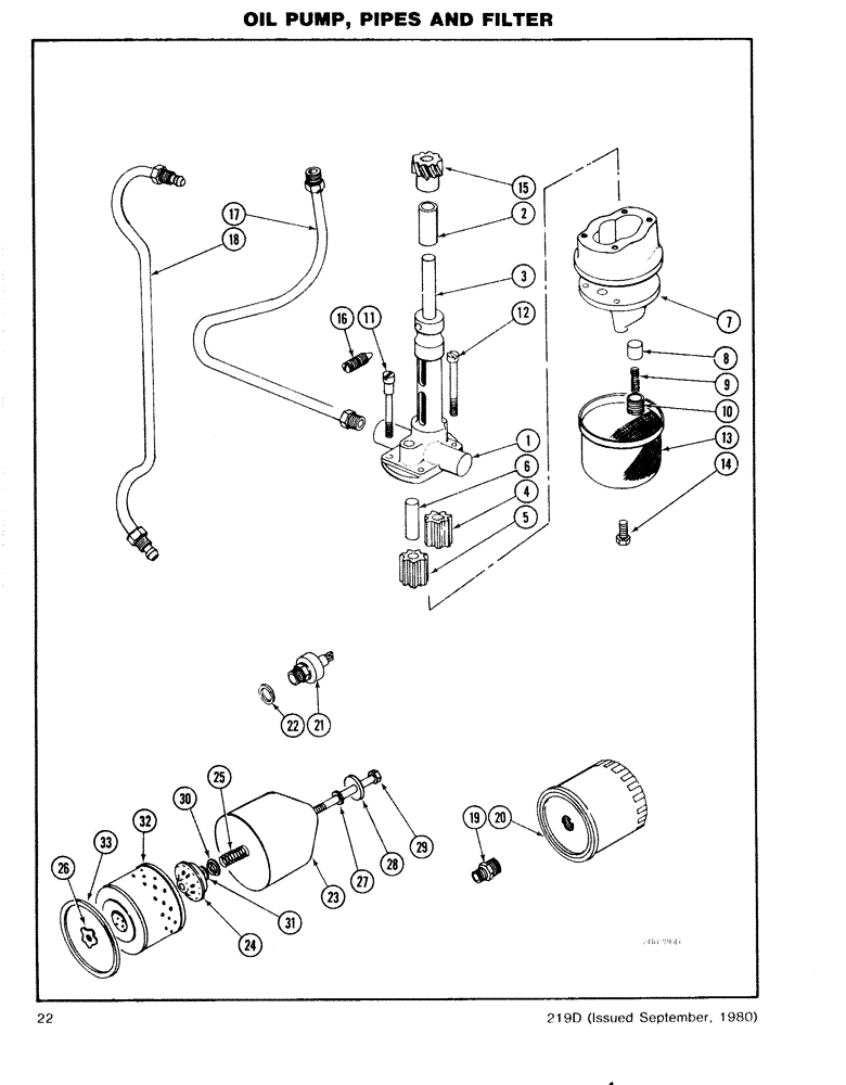
Запчасти Case DH7 (22) - OIL PUMP, PIPES AND FILTER (10) - ENGINE

Схема запчастей Case DH7 - (22) - OIL PUMP, PIPES AND FILTER (10) - ENGINE
FIT
1:1
100%

Артикул

Название

Примечание

Количество

K954067

PUMP, ENGINE OIL

OIL PUMP ASSEMBLY, Includes: Ref. 1 - 15

1шт.

1

K961009

HOUSING

- Bracket and Gear, Includes: Ref. 2 and 3

1шт.

2

K30016

BUSHING

- Bracket

1шт.

3

K953375

SPINDLE

- Driving

1шт.

K19604

KEY

- Woodruff (#405)

1шт.

4

K953370

ROTOR

- Driving

1шт.

5

K949997

ROTOR

- Driven

1шт.

6

K902060

SPINDLE

- Driven Rotor

1шт.

K953815

VALVE

RELIEF VALVE ASSEMBLY, Includes: Ref. 7 - 10

1шт.

7

K953009

COVER

- Flat Plunger Seat

1шт.

8

K953008

PLUNGER

- Flat Seat

1шт.

9

K12961

SPRING

- Relief Valve

1шт.

10

K953010

SCREW,3/8" x 9/16"

- Adjusting (3/8 BSP)

1шт.

11

K902061

STEP BOLT

BOLT - NC (1/4 x 2 1/8 - Special)

2шт.

12

K600011

BOLT

- NC (1/4 x 2 1/8)

2шт.

K19480

SPRING WASHER

- Lock (1/4)

4шт.

K607000

NUT

- NC (1/4)

4шт.

13

K12013

FILTER

SCREEN - Filter

1шт.

14

K601701

BOLT - NC (1/4 x 1/2)

1шт.

K19480

SPRING WASHER

- Lock

1шт.

15

K902051

GEAR

PINION - Spiral

1шт.

K19604

KEY

- Woodruff (#405)

1шт.

16

K928254

SCREW,7/16" - 14 x 1 5/16"

- Locating

1шт.

K607516

NUT

- Capped (7/16 NC)

1шт.

K14674

WASHER

- Copper (7/16)

1шт.

Included in K965803 Universal Gasket Set

1шт.

17

K904180

PIPE

- Oil - Pump to Cylinder Block

1шт.

18

K902765

PIPE

- Oil - Block to Cylinder Head

1шт.

19

K200007

FITTING

CONNECTOR - (5/8 NC x 3/4 NF)

1шт.

Spin-on oil filter

1шт.

20

K200037

FILTER

- Oil

1шт.

Spin-on oil filter

1шт.

21

K903851

PRESSURE SWITCH

SWITCH - Oil Warning Light

1шт.

22

K626521

SEALING WASHER

WASHER - Seal (3/8)

1шт.

K907654

CLEANER

OIL FILTER - (complete)

1шт.

Cannister oil filter

1шт.

23

K903222

CLEANER

BOWL AND RELIEF VALVE ASSEMBLY

1шт.

Cannister oil filter

1шт.

24

K903057

VALVE

RELIEF VALVE

1шт.

Cannister oil filter

1шт.

25

K903056

SPRING

1шт.

Cannister oil filter

1шт.

26

K903058

PLATE

LOCATING PLATE

1шт.

Cannister oil filter

1шт.

27

K903053

COLLAR

1шт.

Cannister oil filter

1шт.

28

K903054

SEAL

ING RING

1шт.

Cannister oil filter

1шт.

29

K903052

BOLT

- (7/16 UNC x 5 3/8 in.)

1шт.

Cannister oil filter

1шт.

30

K19473

WASHER

- 7/16 in.

1шт.

Cannister oil filter

1шт.

31

K903075

WASHER

SEALING WASHER - 7/16 in.

1шт.

Cannister oil filter

1шт.

32

K902321

FILTER

ELEMENT - (Purolator)

1шт.

Cannister oil filter

1шт.

32

K902125

FILTER, ELEMENT

ELEMENT - (AC-Delco)

1шт.

Cannister oil filter

1шт.

33

K87644

RING

SEALING RING - 4 1/8 in. internal 0

1шт.

Cannister oil filter

1шт.

Выбрано товаров: 60