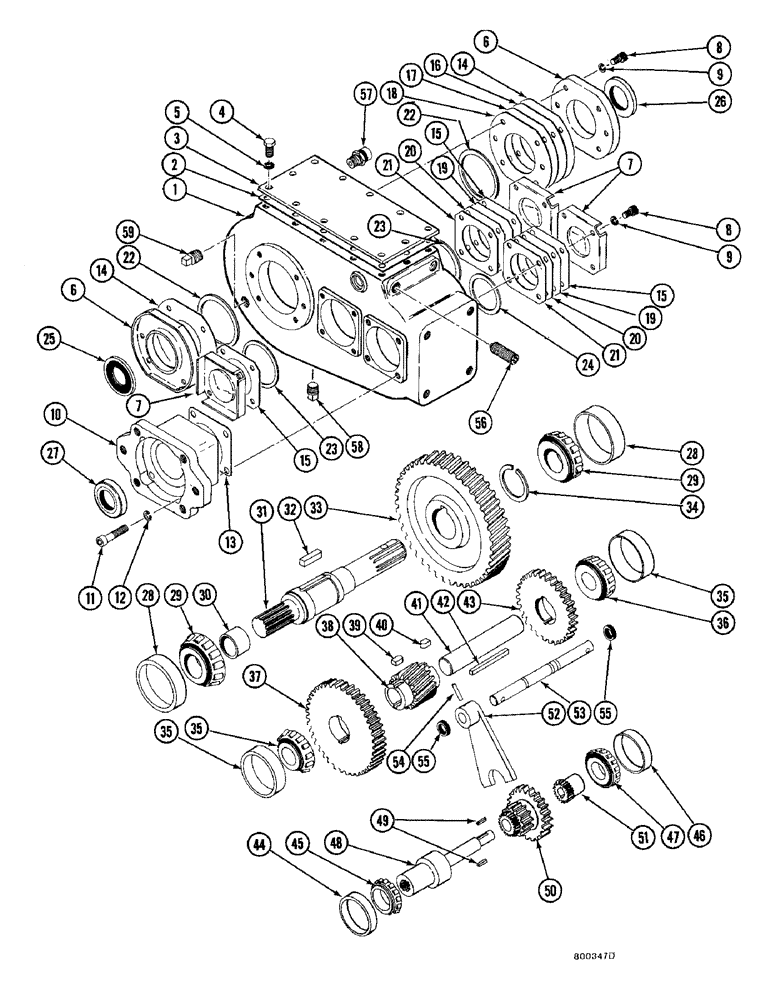
Запчасти Case FH4 (1-56) - TRANSMISSION ASSEMBLY (21) - TRANSMISSION

Схема запчастей Case FH4 - (1-56) - TRANSMISSION ASSEMBLY (21) - TRANSMISSION
FIT
1:1
100%

Артикул

Название

Примечание

Количество

H655589

TRANSMISSION

ASSEMBLY, Includes: Refs. 1-59

1шт.

1

H403014

HOUSING

1шт.

2

H362715

GASKET

1шт.

3

H362590

COVER

- lid, Includes: Refs. 4, 5

1шт.

4

113-206

BOLT,Hex, 3/8" - 16 x 3/4", Gr 5, Full Thd

12шт.

5

192-21

LOCK WASHER,3/8"

WASHER, LOCK, 3/8"

12шт.

6

H393900

COVER

2шт.

7

H4O3022

COVER, Includes: Refs. 8, 9

3шт.

8

165-153

HEX SOC SCREW,5/16" - 18 x 1"

SCREW - NC soc hd (5/16 x 1)

24шт.

9

192-404

LOCK WASHER,5/16"

WASHER, LOCK, 5/16"

24шт.

10

H403030

FLANGE

- motor, Includes: Refs. 11, 12

1шт.

11

113-233

BOLT,Hex, 3/8" - 16 x 1-3/4", Gr 5

SCREW - NC soc hd (3/8 x 3/4)

4шт.

12

192-401

LOCK WASHER,3/8"

3/8"

4шт.

13

H403162

SHIM

- (.005 fiber)

1шт.

14

H394825

SHIM,.005" Thk

Fiber .005" Thk

2шт.

15

H403121

SHIM

- (.005 fiber)

3шт.

16

H394817

SHIM,.005" Thk

Aluminum .005" Thk

1шт.

17

H394833

SHIM,.007" Thk

Aluminum .007" Thk

1шт.

18

H394841

SHIM,.020" Thk

Aluminum .020" Thk

1шт.

19

H403139

SHIM,.005" Thk

Aluminum .005" Thk

1шт.

20

H403147

SHIM,.007" Thk

(0.18 mm), Aluminum .007" Thk

1шт.

21

H403154

SHIM,.020" Thk

Aluminum .020" Thk

1шт.

22

H394866

BEARING

RING - spacer

2шт.

23

H403428

SNAP RING,#262, 2.475, Ext

RING - spacer

2шт.

24

A150145

RING

- spacer

1шт.

25

H403410

SEAL

1шт.

26

A30507

OIL SEAL

SEAL

1шт.

27

H362731

SEAL

1шт.

28

A29062

ROLLER BEARING,82.956 mm OD x 19.101 mm

CUP - bearing

2шт.

29

H758128

BEARING

CONE - bearing

2шт.

30

A142869

ROLLER CAGE BEARING

SLEEVE

1шт.

31

A403071

SHAFT - output

1шт.

32

H373209

KEY

- (3/8 sq. x 1-7/8)

1шт.

33

H403063

GEAR

- 56 teeth

1шт.

34

H403444

RING

- retaining

1шт.

35

A26746

BEARING CUP

CUP - bearing

2шт.

36

A31229

CONE

- bearing

2шт.

37

H389494

GEAR

- intermediate - 55 teeth

1шт.

38

H403055

GEAR SHAFT

GEAR - shaft - intermediate - 14 teeth

1шт.

39

H389650

KEY

- (1/4 x 3/8 x .74)

1шт.

40

H389668

KEY

- (1/4 x 3/8 x 1/2)

1шт.

41

H403097

SHAFT

- intermediate

1шт.

42

FH156620

KEY

- (1/4 sq. x 3)

1шт.

43

H389585

GEAR

- intermediate - 42 teeth

1шт.

44

G57451

BEARING, CUP

CUP - bearing

1шт.

45

G57452

ROLLER BEARING

CONE - bearing

1шт.

46

04056TS

CUP

- bearing

1шт.

47

40388

BEARING ASSY,26.987 mm ID x 20.64 mm

CONE - bearing

1шт.

48

H403089

SHAFT ASSY.

SHAFT ASSEMBLY

1шт.

49

F65828

KEY

- (1/8 sq. x 3/4)

2шт.

50

H403048

GEAR

- cluster - 16 teeth, 29 teeth

1шт.

51

H403105

SLEEVE

GEAR - clutch sleeve

1шт.

52

H374835

FORK

YOKE

1шт.

53

H403113

ROD

- shifter, Includes: Refs. 54

1шт.

54

138-98

LOCK PIN,3/16" x 1 1/4", Slotted

PIN, 3/16" x 1 1/4", Slotted

1шт.

55

C13266

SEAL

2шт.

56

H403436

PLUNGER

ASSEMBLY - spring

1шт.

57

D57822

BREATHER

PLUG - breather

1шт.

58

221-3

DRAIN PLUG,Sq Hd, 3/8"-18 NPTF

PLUG - drain sq. hd (3/8 NPT)

1шт.

59

221-4

DRAIN PLUG,Sq Hd, 1/2"-14 NPTF

PLUG - oil level check sq. hd (1/2 NPT)

1шт.

Выбрано товаров: 0