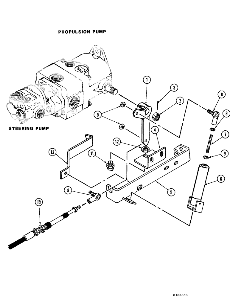
Запчасти Case FH4 (1-32) - PROPULSION PUMP CONTROL INSTALLATION - 1.8 LITRE DIESEL (29) - HYDROSTATIC DRIVE

Схема запчастей Case FH4 - (1-32) - PROPULSION PUMP CONTROL INSTALLATION - 1.8 LITRE DIESEL (29) - HYDROSTATIC DRIVE
FIT
1:1
100%

Артикул

Название

Примечание

Количество

1

H661504

ARM - pump control

1шт.

2

86632554

SLOTTED NUT,3/4"-16, G5

NUT - castle (3/4)

1шт.

3

132-345

COTTER PIN,3/16" x 1 1/2"

PIN, SPLIT (COTTER), 3/16" x 1 1/2"

1шт.

4

H415406

ANGLE

BRACKET - mounting

1шт.

5

H661512

BRACKET - propulsion cable

1шт.

6

H382440

SPRING

ASSEMBLY - self-centering

1шт.

7

H385278

LINK

ROD - spring

1шт.

8

H590166

CABLE

JOINT - ball

2шт.

Ref. 8, Should be: A76685 Ball Joint, 426-524 Bolt, 232-4115 Nut, 425-145 Jam Nut

1шт.

9

86637933

JAM NUT,5/16" - 24, Gr 5

5шт.

10

H590166

CABLE

1шт.

11

SWITCH - neutral start (See figure 1-30)

1шт.

12

NUT - switch (See figure 1-30)

1шт.

13

H415430

SUPPORT - angle

1шт.

Выбрано товаров: 14