Качественные детали и логистика
Оригинальные и аналоговые запчасти с доставкой по России, Казахстану и Беларуси
©2022 PartSell ООО "Система" ИНН 2463123282 ОГРН 1212400004838
Центральный офис: г. Красноярск, Академика Киренского, д.87, пом.4
Телефон: 8 (800) 777-65-74 Email: zakaz@partsell.ru
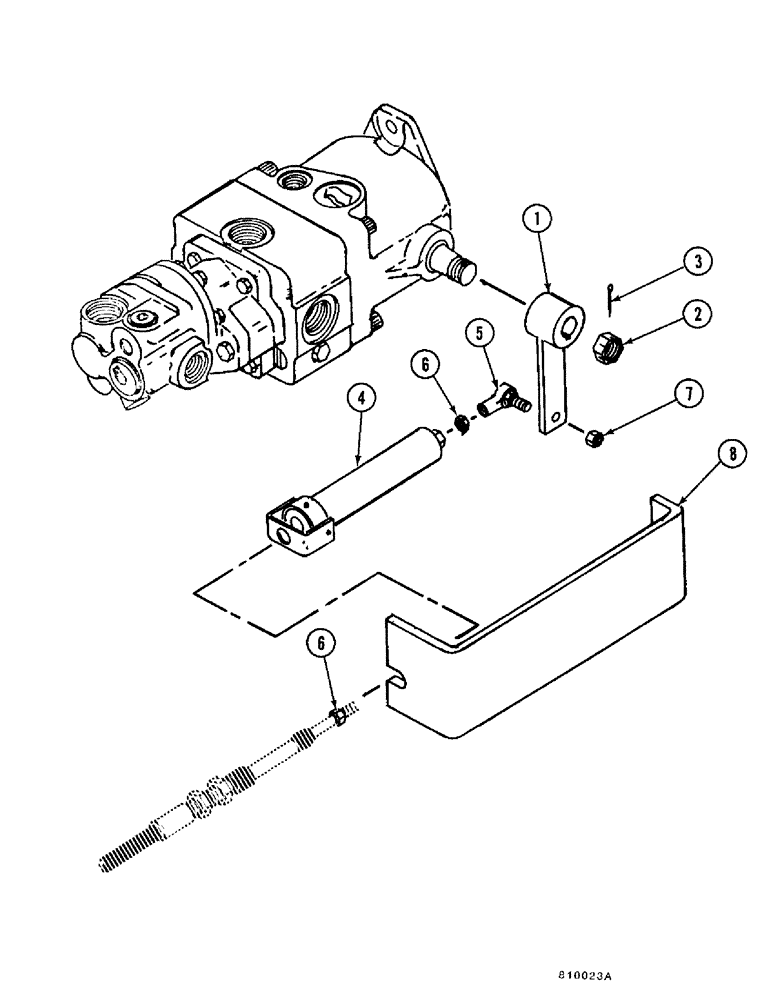
(1-33A) - PROPULSION PUMP CONTROL INSTALLATION - 2.1 LITRE DIESEL
№
Артикул
Название
Примечание
Количество
1
H665166
ARM - pump
1шт.
2
86632554
SLOTTED NUT,3/4"-16, G5
NUT - castle (3/4)
3
132-345
COTTER PIN,3/16" x 1 1/2"
PIN, SPLIT (COTTER), 3/16" x 1 1/2"
4
H411413
CYLINDER - spring centering
5
H289652
BALL JOINT,5/16" - 24 x 1-3/8" L
JOINT - ball
6
86637933
JAM NUT,5/16" - 24, Gr 5
2шт.
7
131-1169
LOCK NUT,5/16"-24, GA
NUT, LOCK, 5/16"-24, GA
8
H408864
BRACKET
- cable mounting
9
H590166
CABLE
- propulsion
10/30/96
Centering Spring is D70304.
Neutral Centering Rework Kit H669234.
Выбрано товаров: 0