Запчасти Case FH4 (1-12) - FOOT BRAKE INSTALLATION (33) - BRAKES & CONTROLS

Схема запчастей Case FH4 - (1-12) - FOOT BRAKE INSTALLATION (33) - BRAKES & CONTROLS
FIT
1:1
100%

Артикул

Название

Примечание

Количество

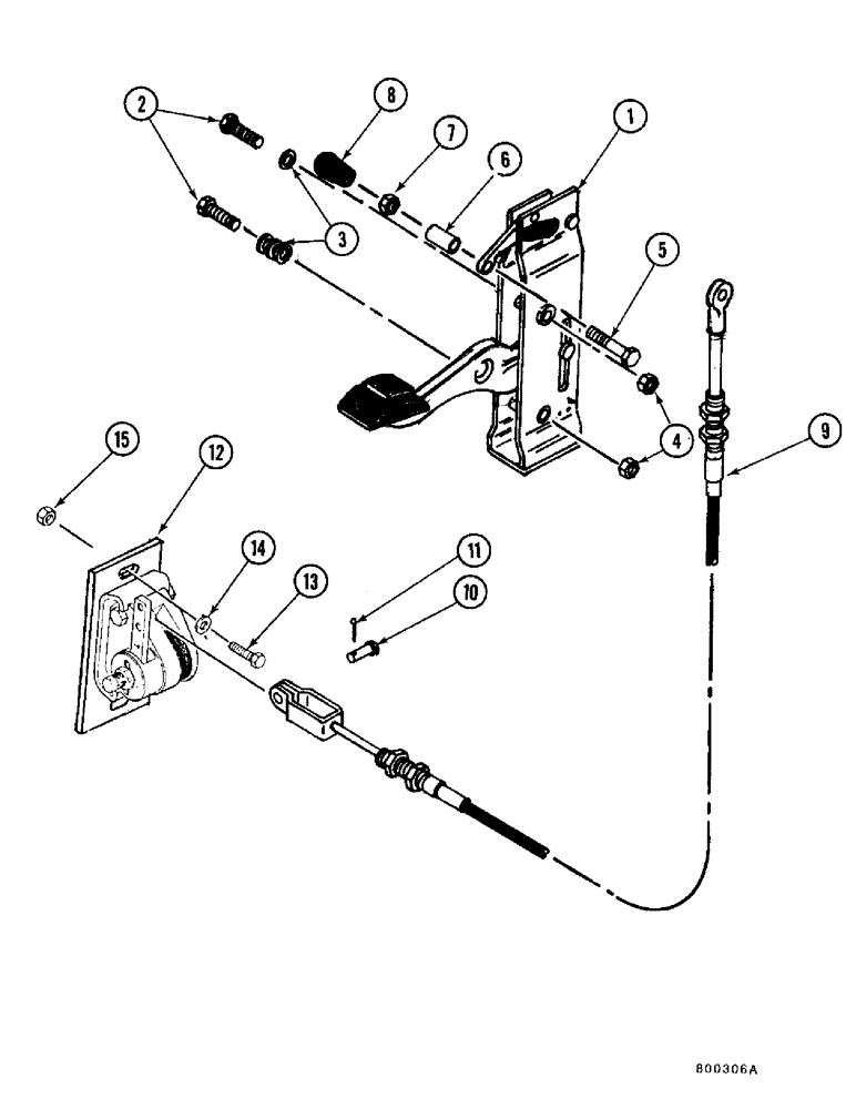
1

H656215

LEVER ASSY.

LEVER - foot brake

1шт.

2

113-120

BOLT,Hex, 5/16" - 18 x 1-3/4", Gr 5

- NC HH (5/16 x 1-1/4)

2шт.

3

195-521

WASHER,5/16", SAE

- flat (5/16)

4шт.

4

131-176

LOCK NUT,Prev Torque, Hex, 5/16" - 18, Gr A

NUT - NC hex (5-16)

2шт.

5

113-132

BOLT,Hex, 1/4" - 20 x 1-3/4", Gr 5

- NC HH (1/4 x 1-3/4)

1шт.

6

H404723

SPACER

1шт.

7

131-1180

LOCK NUT,1/4"-20, GA

NUT, LOCK, 1/4"-20, GA

1шт.

8

F64341

KNOB

1шт.

9

H656207

CABLE

- brake

1шт.

10

D23693

AXLE PIN

PIN - clevis (1/4 x 1)

1шт.

11

132-320

COTTER PIN,3/32" x 3/4"

PIN, SPLIT (COTTER), 3/32" x 3/4"

1шт.

11

132-320

COTTER PIN,3/32" x 3/4"

PIN, SPLIT (COTTER), 3/32" x 3/4"

1шт.

12

H638841

SET

BRAKE CALIPER ASSEMBLY - (See figure 1-52)

1шт.

13

113-207

BOLT,Hex, 3/8" - 16 x 1", Gr 5

2шт.

14

195-525

WASHER,3/8", SAE

2шт.

15

230-4216

LOCK NUT,3/8"-16, GA

NUT NC hex (3/8 lock)

2шт.

Выбрано товаров: 16