Запчасти Case FH4 (1-14) - HYDRAULIC PUMP INSTALLATION - 1.8 LITRE DIESEL ENGINE (35) - HYDRAULIC SYSTEMS

Схема запчастей Case FH4 - (1-14) - HYDRAULIC PUMP INSTALLATION - 1.8 LITRE DIESEL ENGINE (35) - HYDRAULIC SYSTEMS
FIT
1:1
100%

Артикул

Название

Примечание

Количество

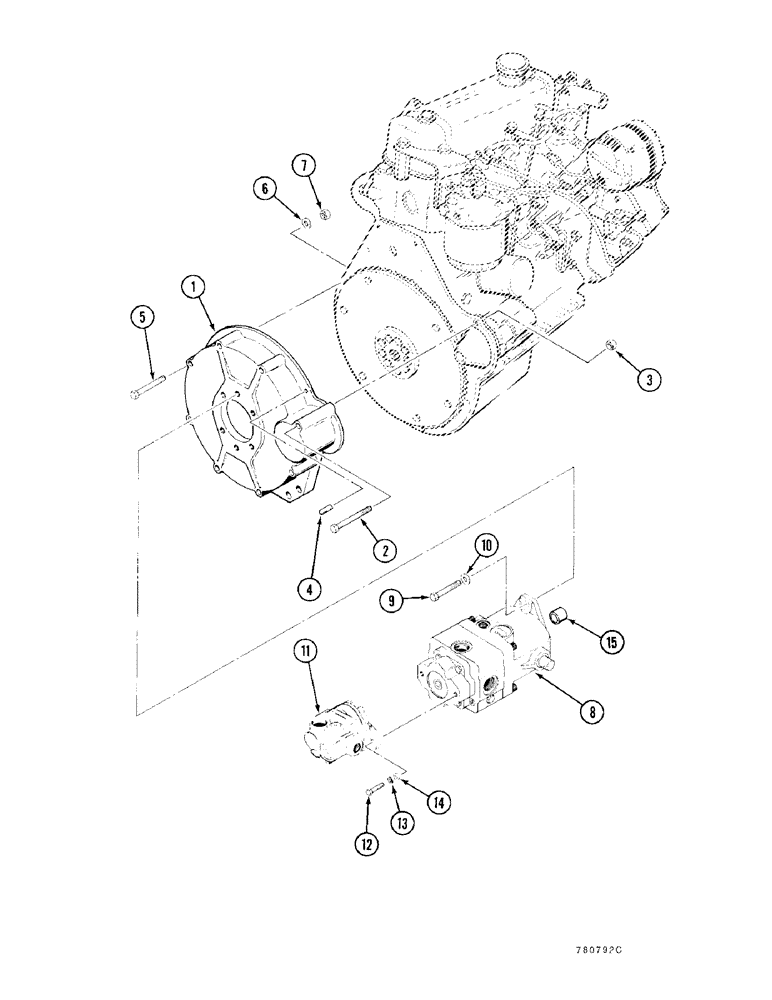
1

H335653

HOUSING

Includes: Refs. 2-7

1шт.

2

113-259

BOLT,Hex, 3/8" - 16 x 4-1/2", Gr 5

1шт.

3

131-52

NUT,3/8"-16, GC

NUT - NC hex C/L (3/8)

1шт.

4

H358754

PIN

- dowel (5/16 x 3/4)

2шт.

5

113-138

BOLT,Hex, 5/16" - 18 x 3-1/2", Gr 5

- NC HH (5/16 x 3-1/4)

5шт.

6

195-521

WASHER,5/16", SAE

- flat (5/16)

5шт.

7

231-1445

NUT,5/16"-18, GB

NUT - NC hex C/L (5/16)

5шт.

8

H626903

PUMP

ASSEMBLY - propulsion (See figure 1-60), Includes: Refs. 9, 10

1шт.

9

113-417

BOLT,Hex, 1/2" - 13 x 1-1/4", Gr 5, Full Thd

2шт.

10

192-23

LOCK WASHER,1/2"

WASHER, LOCK, 1/2"

2шт.

11

H626895

PUMP

ASSEMBLY - steering (See figure 1-62), Includes: Refs. 12-14

1шт.

12

113-209

BOLT,Hex, 3/8" - 16 x 1-1/2", Gr 5

SCREW - (3/8 x 1-1/4)

2шт.

13

192-21

LOCK WASHER,3/8"

WASHER, LOCK, 3/8"

2шт.

14

195-525

WASHER,3/8", SAE

2шт.

15

H401901

SPACER

- flex plate

1шт.

Выбрано товаров: 15