Запчасти Case FH4 (3-18) - BACKHOE SWING & STABILIZER HYDRAULIC SYSTEM - REAR MOUNTED (35) - HYDRAULIC SYSTEMS

Схема запчастей Case FH4 - (3-18) - BACKHOE SWING & STABILIZER HYDRAULIC SYSTEM - REAR MOUNTED (35) - HYDRAULIC SYSTEMS
FIT
1:1
100%

Артикул

Название

Примечание

Количество

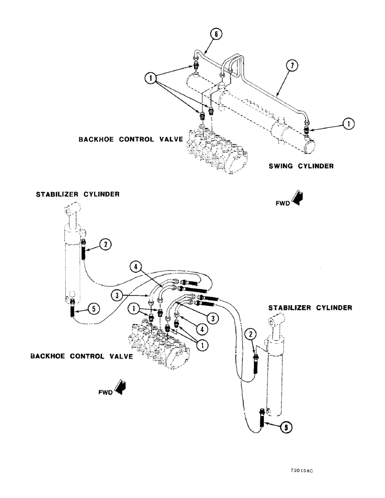
1

218-5059

HYD CONNECTOR,3/4"-16, 37 Degree x 3/4"-16, O-Ring

CONNECTOR - (3/4 ORB x 3/4 JIC M)

8шт.

2

H360412

HOSE,0.38" ID x 75.00", SAE 100R1

2шт.

3

H560185

TUBE,0.5" OD x 7.094, 2" L

- long

2шт.

4

H560177

TUBE,0.5" OD

- short

2шт.

5

H195826

HOSE,0.38" ID x 55.00", SAE 100R1

2шт.

6

H644583

TUBE ASSY.,12.7 mm OD

TUBE - swing cylinder - L.H.

1шт.

7

H644575

TUBE ASSY.,12.7 mm OD

TUBE - swing cylinder - R. H.

1шт.

Выбрано товаров: 7