Запчасти Case FH4 (1-42) - STEERING HYDRAULIC SYSTEM (41) - STEERING

Схема запчастей Case FH4 - (1-42) - STEERING HYDRAULIC SYSTEM (41) - STEERING
FIT
1:1
100%

Артикул

Название

Примечание

Количество

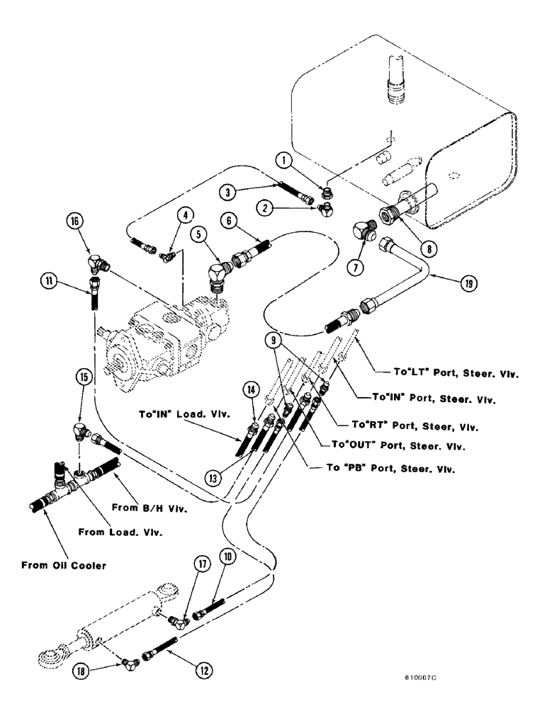
1

221-93

REDUCER,Hex, 3/4" x 1/2" NPT

BUSHING - pipe (3/4 to 1/2)

1шт.

2

218-1054

ELBOW,90 Degree, 9/16"-18, 37 Degree x 1/2"-14, NPTF

- 90 degrees (1/2 MP x 9/16 JIC M)

1шт.

3

H171041

HOSE

- 1/4 x 18 (9/16 JIC Fe Swv ends)

1шт.

4

218-5135

ELBOW,45 Degree Elbow, 9/16" - 18 Male JIC x 9/16" - 18 Male ORB

- 45 degrees (9/16 ORB x 9/16 JIC M)

1шт.

5

218-5110

ELBOW,90 Degree Elbow, 1-5/16" - 12 Male JIC x 1-5/16" - 12 Male ORB

90º (1-5/16 ORB x 1-5/16 JIC Fe Swv)

1шт.

6

H265330

HOSE - 1 x 18 (1-5/16 JIC Fe Swv x 1-5/16 JIC M)

1шт.

7

218-488

ELBOW,90 Degree Elbow, 1-5/16" - 12 Male JIC x 1" - 11-1/2 Male NPTF

- 90 degrees (1-5/16 JIC M x 1 MP)

1шт.

8

H584631

FILTER ASSY

FILTER - screen

1шт.

9

218-734

UNION,9/16"-18, 37 Degree x 9/16"-18, 37 Degree

CONNECTOR - (9/16 JIC M)

2шт.

10

H185736

HYDRAULIC HOSE,6.35 mm ID x 1066.80 mm, SAE 100R1

6.35 mm ID x 1066.80 mm, SAE 100R1

1шт.

11

D63184

HOSE,9.53mm ID x 304.8mm L, SAE 100R2

- 3/8 x 12 (3/4 JIC M x 3/4 JIC Fe Swv)

1шт.

12

H246322

HYDRAULIC HOSE,6.35 mm ID x 1524.00 mm, SAE 100R1

6.35 mm ID x 1524.00 mm, SAE 100R1

1шт.

13

H200378

HOSE,0.38" ID x 45.00", SAE 100R1

1шт.

14

H354837

HOSE,0.38" ID x 58.00", SAE 100R1A

1шт.

15

218-1056

ELBOW,90 Degree, 3/4"-16, 37 Degree x 3/4"-16, NPTF

- 90 degrees (3/4 MP x 3/4 JIC M)

1шт.

16

218-5121

ELBOW,90 Degree Elbow, 3/4" - 16 Male JIC x 7/8" - 14 Male ORB

- 90 degrees (7/8 ORB x 3/4 JIC M)

1шт.

17

218-5105

ELBOW,90 Degree Elbow, 9/16" - 18 Male JIC x 9/16" - 18 Male ORB

- 90 degrees (9/16 ORB x 9/16 JIC M)

1шт.

18

218-1053

ELBOW,90 Degree, 9/16"-18, 37 Degree x 3/8"-18, NPTF

- 90 degrees (3/8 MP x 9/16 JIC M)

1шт.

19

H590836

TUBE,1" OD x 5, 8" L

1шт.

Выбрано товаров: 0