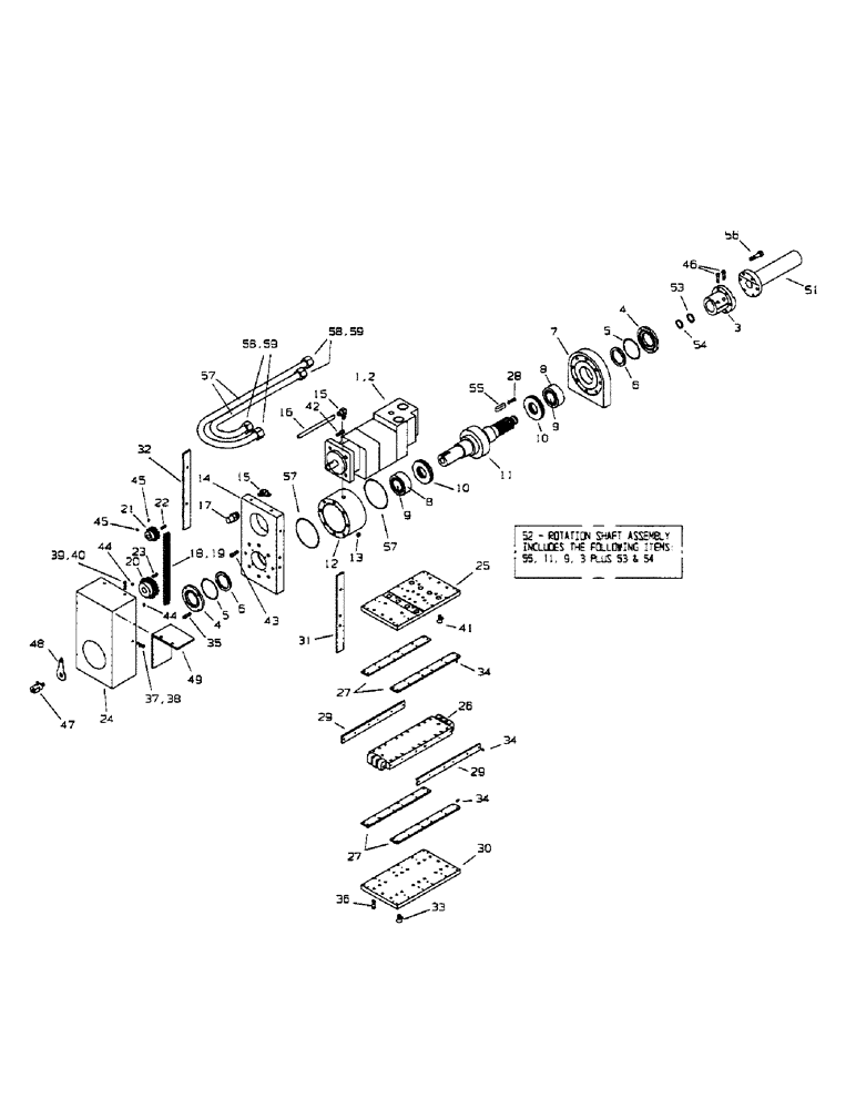
Запчасти Case 1500TX (9-020) - DRILL DRIVE ASSEMBLY

Схема запчастей Case 1500TX - (9-020) - DRILL DRIVE ASSEMBLY
37
58
54
9
51
28
57
40
34
4
39
10
46
55
29
49
45
27
45
44
9
1
6
15
29
19
57
4
34
11
58
47
21
38
48
35
25
22
3
30
16
8
17
32
59
57
33
36
44
42
18
24
23
31
59
53
10
8
26
15
34
27
5
6
13
2
14
7
43
5
12
56
20
41
FIT
1:1
100%

Артикул

Название

Примечание

Количество

1

15420111

LOAD HOOK

Hydraulic Motor

1шт.

2

Seal Kit for Hyd. Motor

1шт.

3

293893A1

ADAPTER

Main Spindle Adapter

1шт.

4

00010222

CAP

Head Asm End

1шт.

5

00030017

O-RING,3.359" ID x 3.637" OD x 0.139"

#237 O-Ring

1шт.

6

00040017

OIL SEAL

1шт.

7

M10322

Short End Plate Head Asm

1шт.

8

00050016

BEARING, NEEDLE

Needle Bearing

1шт.

9

00050116

RACE

Needle Bearing

1шт.

10

00060016

THRUST BEARING

1шт.

11

M10423

Main Spindle Shaft

1шт.

12

M10522

Housing Head

1шт.

13

00070011

PLUG

3/8NPT Plug

1шт.

14

M10722

High End Plate Head Asm

1шт.

15

00080011

FITTING

Push On Fitting

1шт.

16

00090011

HOSE

Plastic Hose

1шт.

17

00100011

BREATHER

1шт.

18

00110012

CHAIN (CE)

Double Roller Chain

1шт.

19

00110112

CONNECTING LINK

Connector Link 80-2

1шт.

20

M120012

SPROCKET ASSY.

Sprocket

1шт.

21

M130012

SPROCKET ASSY.

Sprocket

1шт.

22

M140022

KEY

1шт.

23

M150022

KEY

1шт.

24

15010832

COVER

Guard for Drive Head

1шт.

25

M10922

Head Base Plate

1шт.

26

M11022

BLOCK

Bracket for Mounting Chain

1шт.

27

00011122

STRIP

Wear Strip

1шт.

28

M8 x 65 HHCS

1шт.

29

00011322

STRIP

Wear Strip

1шт.

30

M11422

Bottom Base Plate (Head)

1шт.

31

15067822

BAR

Spacer Bar, Right

1шт.

32

15067722

BAR

Spacer Bar, Left

1шт.

33

M10 x 40 Flat Head Cap Screw UNC

1шт.

34

M4 x 12 FHMS Slotted Brass

1шт.

35

M6 x 20 SHCS UNC

1шт.

36

M10 x 65 SHCS UNC

1шт.

37

M14 x 20 HHCS

1шт.

38

M14 Lock Washer

1шт.

39

M8 x 12 HHCS

1шт.

40

M8 Lock Washer

1шт.

41

M20 x 50 FHCS UNC

1шт.

42

M16 x 45 SHCS UNC

1шт.

43

M14 x 45 SHCS

1шт.

44

M12 x 20 Set Screw Socket

1шт.

45

62-3316

SHCS, UNC

2шт.

46

M8 x 25 SHCS

1шт.

47

00050211

PIVOT

Swivel

1шт.

48

15135022

POINTER

1шт.

49

15012922

BRACKET

Power Tube Bracket

1шт.

50

M12 x 40 SHCS

1шт.

51

15010124

MANDREL

Power Wrench Adapter

1шт.

52

M10442

Rotation Shaft Assembly

1шт.

53

00021618

O-RING,1.109" ID x 1.387" OD x 0.139"

1шт.

54

00021617

BACK-UP RING

1шт.

55

00140122

KEY

tapped metric

1шт.

56

461-35024

HEX SOC SCREW,1/2" - 13 x 1-1/2"

SHCS, 1-2 - 13 x 1 1/2

6шт.

57

CK0209

TUBE

Tubing SS 1" x 11ga.

2шт.

58

218-00348

-16 Tube Nut

NUT

4шт.

59

218-00368

-16 Tube Sleeve

SLEEVE

4шт.

Выбрано товаров: 0