Запчасти Case 1500TX (9-028) - POWER SUPPLY

Схема запчастей Case 1500TX - (9-028) - POWER SUPPLY
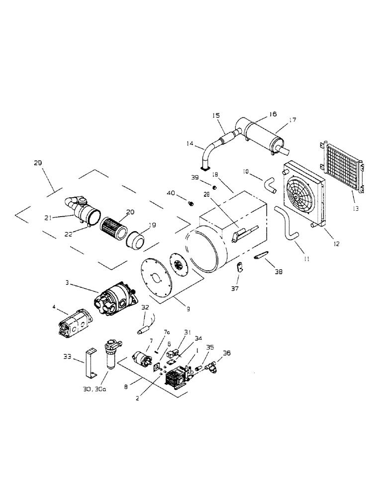
4
35
1
39
20
3
22
33
31
13
16
11
30a
12
29
7
18
8
6
37
17
38
19
32
21
30
10
14
15
40
28
9
34
36
2
7a
FIT
1:1
100%

Артикул

Название

Примечание

Количество

1

11701311

PUMP

Water Pump

1шт.

2

15012022

STAND

Bumper

1шт.

3

TX150046

PUMP, HYDRAULIC

Pump Hydrostat/Tandem

1шт.

Vendor part # M91-46669. The coupler inside the tandem pumps has a case part # of N13234 and a vendor # of 4460258. #3 is similar to a 1845C.

1шт.

4

TX151414

PUMP

Gear Pump

1шт.

Vendor # B18120-06400. No service parts available. Vendor contact is Kenny Kelly at 319.643.7829.

1шт.

6

15011922

BRACKET

Adaptor Plate

1шт.

7

00081511

MOTOR, HYDRAULIC

Hydraulic Motor

1шт.

7a

3601311

Key

1шт.

8

TX400161

ASSEMBLY

Water Pump Subassembly

1шт.

9

TX124355

COUPLING

Flywheel/Pump Plate

1шт.

10

Radiator Hose

1шт.

11

Radiator Hose

1шт.

12

Radiator

1шт.

13

TX156502

COOLER

Hydraulic Cooler

1шт.

16

TX404906

Band, 7" Muffler Mtg

2шт.

17

Muffler

1шт.

18

TX150031

ENGINE ASSEMBLY

Diesel Engine

1шт.

28

TX401217

CLUSTER, INSTR.

Electric Throttle Actuator

1шт.

29

Air Cleaner

1шт.

30

TX150100

FILTER

Pressure ASM

1шт.

30a

TX155010

ELEMENT

Filter Element, Pressure

1шт.

31

TX400227

SOLENOID

Valve, Solenoid Thrust Bypass

1шт.

32

TX401150

SWITCH

Charge Pressure

1шт.

33

TX120152

BRACKET

High Pressure Filter

1шт.

34

TX120158

BRACKET

Thrust Bypass Mtg

1шт.

35

98750018

FITTING

Hose Barb

1шт.

36

00758011

STRAINER ASSY.

Strainer

1шт.

37

TX120147

ANCHOR

Throttle Anchor

1шт.

38

TX120157

LINKAGE

Arm Linking

1шт.

39

217-435

PLUG,Hex Soc, 3/8" - 18 NPTF

Hollow

1шт.

40

TX476062

SWITCH

Oil Pressure

1шт.

Выбрано товаров: 0