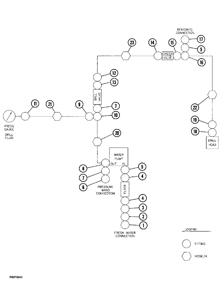
Запчасти Case 300CM (9-28) - DRILL FLUID CIRCUIT - 300CM

Схема запчастей Case 300CM - (9-28) - DRILL FLUID CIRCUIT - 300CM
15
4
13
5
21
12
16
17
7
10
19
5
7
2
4
14
8
23
6
1
20
3
11
22
18
9
FIT
1:1
100%

Артикул

Название

Примечание

Количество

1

11116311

COUPLING

COUPLER - garden hose

1шт.

2

11116312

NIPPLE, LUBE

NIPPLE - pipe

1шт.

3

4174-12-08

FITTING

- straight

1шт.

4

221-93

REDUCER,Hex, 3/4" x 1/2" NPT

- pipe, 3/4 male x 1/2 inch female

2шт.

5

6505-08-08

FITTING

ADAPTER - straight, swivel

2шт.

6

10010311

COUPLING

COUPLER - self sealing, female half (Brass)

1шт.

7

6505-06-06

FITTING

ADAPTER - straight, swivel

2шт.

8

2602-6-6-6

FITTING - tee

1шт.

9

218-790

REDUCER,37 Degree, 3/8" x 1/4" Tube

ADAPTER - reducing, 3/8 tube OD x 7/16-20 inch flare

1шт.

10

218-1240

FITTING

TEE - 9/16-18 inch flare branch x flare x bulkhead flare

1шт.

218-1254

LOCK NUT,Blkhd, 9/16"-18

NUT - hex, lock, bulkhead, 9/16 inch NF

1шт.

11

218-1072

ELBOW,90 Degree, 7/16"-20, 37 Degree x 1/4"-18, Fem NPTF

- 90 degree, 7/16-20 flare x 1/4 inch female PT

1шт.

12

218-454

HYD CONNECTOR,9/16" - 18 Male JIC x 1/2" - 14 Male NPTF

ADAPTER - straight, 9/16-18 flare x 1/2 inch PT

1шт.

13

221-89

REDUCER,Hex, 1/2" x 3/8" NPT

- pipe, 1/2 male x 3/8 inch female

1шт.

14

218-1024

HYD CONNECTOR,9/16"-18, 37 Degree x 3/8"-18, NPTF

CONNECTOR, HYD., 9/16"-18, 37° x 3/8"-18, NPTF

1шт.

15

2706LN6-8

FITTING

- straight, bulkhead

1шт.

218-1255

BHD LOCK NUT,Blkhd, 3/4"-16

NUT, LOCK, Blkhd, 3/4"-16

1шт.

16

218-840

TEE,37 Degree, 3/4"-16 x 3/4"-16, Fem Sw Br

- 3/4-16 inch swivel branch x flare x flare

1шт.

17

00400511

COUPLING

COUPLER - self sealing, female half (Stainless steel)

1шт.

18

00050011

LINK

SWIVEL - drill drive

1шт.

19

218-1025

HYD CONNECTOR,3/4"-16, 37 Degree x 3/4"-14, NPTF

ADAPTER - straight, 3/4-16 flare x 3/4 inch PT

1шт.

20

30001712

HOSE ASSY.

HOSE - 380 mm (15 inch) long, tee to bulkhead fitting

1шт.

21

30001121

HOSE,2 mm ID x 340.00 mm

2.00 mm ID x 340 mm, reducer to elbow

1шт.

22

30002412

HOSE ASSY.

HOSE - 2720 mm (107 inch) long, Serial Range: tee-adapter

1шт.

23

30001012

HOSE ASSY.

HOSE - 120 mm (4-3/4 inch) long, Serial Range: adapter-adapter

1шт.

Выбрано товаров: 0