Запчасти Case 400TX (9-42) - ELECTRICAL COMPONENTS - BOX

Схема запчастей Case 400TX - (9-42) - ELECTRICAL COMPONENTS - BOX
FIT
1:1
100%

Артикул

Название

Примечание

Количество

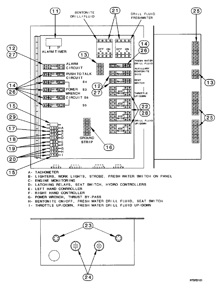
11

TX401213

RELAY

- timer

1шт.

11a

TX440151

BRACKET

timer

1шт.

11b

440-1068

SCREW,Cross Pan Hd, #6-32 x 1/2"

- PHD 6-32 x .500 ZND

1шт.

11c

614-6040

BOLT,Hex, M6 x 1 x 40mm, Cl 8.8, Full Thd

1шт.

12

TX402005

SOCKET/RECEPTACLE

SOCKET - relay, double pole

1шт.

13

12071413

BLOCK

- terminal, 4 pole

1шт.

14

TX401005

SOCKET

- relay, single pole

6шт.

15

TX403504

BLOCK

- fuse, 5 pole

2шт.

16

12071613

BLOCK

- terminal, 6 pole

1шт.

17

A149803

FUSE,25 Amp

- clear, 25 ampere

1шт.

18

A149799

FUSE

- brown, 7-1/2 ampere

2шт.

19

A149796

FUSE

- violet, 3 ampere

2шт.

20

A149801

FUSE,Lt Blue, 15 Amp

- light blue, 15 ampere

3шт.

21

TX403200

RELAY

- latching

2шт.

22

TX403005

SOCKET/RECEPTACLE

SOCKET - relay, triple pole

3шт.

23

TX402451

MULTIPOLE CONNECTOR,Male, 6 Pole

CONNECTOR - male, panel mounting, 6 pin

2шт.

24

TX403062

MULTIPOLE CONNECTOR,Male, 14 Pole

CONNECTOR - male, panel mounting, 14 pin

2шт.

25

12071513

BLOCK

- terminal, 8 pole

2шт.

26

TX400112

RELAY

- single pole

6шт.

27

TX400212

RELAY

- double pole

3шт.

28

TX400312

RELAY

- triple pole

4шт.

29

A149800

FUSE,10 Amp

- red, 10 ampere

1шт.

Выбрано товаров: 22