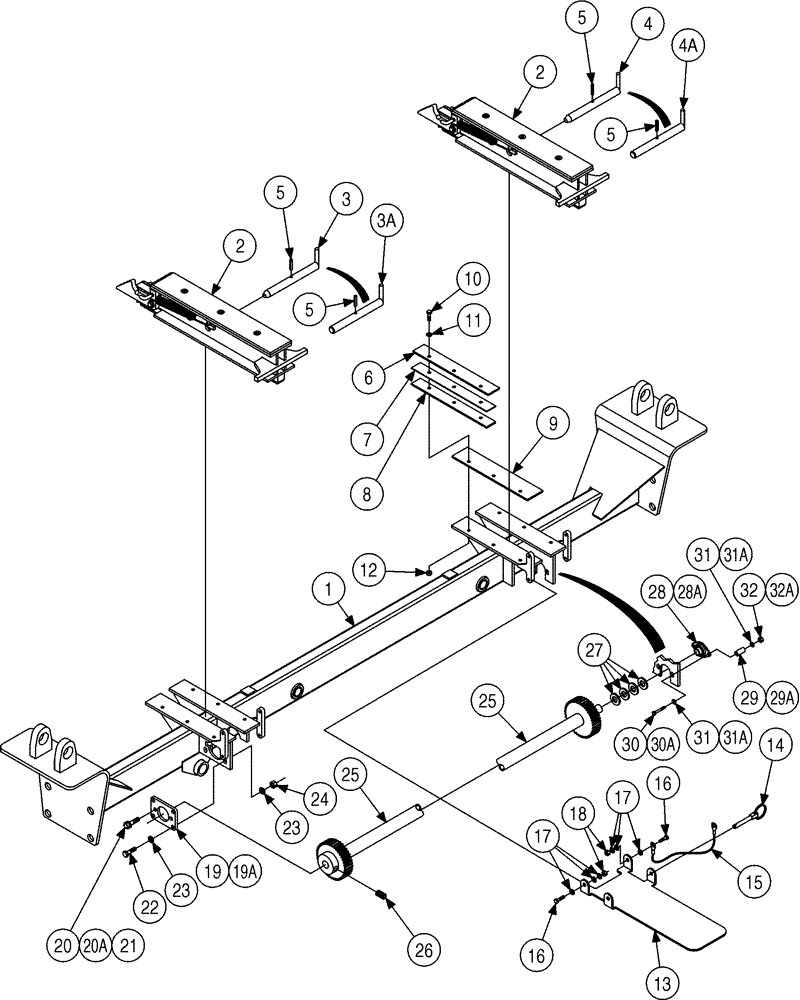
Запчасти Case 6010 (09-01) - PIPE LOADER - GEAR SHAFT AND ARM (89) - TOOLS

Схема запчастей Case 6010 - (09-01) - PIPE LOADER - GEAR SHAFT AND ARM (89) - TOOLS
12
31a
10
3
29a
3a
19
14
15
32
28
11
8
25
20a
17
9
28a
19a
20
2
4a
16
30a
18
24
4
31
21
2
31a
30
5
16
5
23
13
7
5
6
22
31
25
32a
23
17
29
5
27
26
1
FIT
1:1
100%

Артикул

Название

Примечание

Количество

1

347839A3

FRAME ASSY

Drill Pipe Loader, Replaces: 347839A2

1шт.

2

367471A1

Pipe Loader, Not Serviced As An Assembly, Order Components, See figures 9-02, 9-03

2шт.

3

369477A1

PIN

Stop, Rear, Includes: 5, No Longer Available, Order 3A

2шт.

3a

369477A2

PIN

Stop, Rear, Includes: 5

2шт.

4

347778A1

PIN

Stop, Front, Includes: 5, No Longer Available, Order 4A

2шт.

4a

347778A2

PIN

Stop, Front, Includes: 5

2шт.

5

438-11618

LOCK PIN,1/4" x 1 1/8", Slotted

1/4" x 1 1/8", Slotted

1шт.

6

347824A1

PLATE

Top

4шт.

7

366183A1

SPACER

Slide

4шт.

8

347823A1

PLATE

Slide, Upper

4шт.

9

347822A1

PLATE

Slide, Lower

4шт.

10

413-528

BOLT,Hex, 5/16" - 18 x 1-3/4", Gr 5

12шт.

11

496-21034

WASHER,11/32" x 11/16" x 0.89", HDN

12шт.

12

231-1445

NUT,5/16"-18, GB

12шт.

13

369775A1

GUARD

2шт.

14

D94535

PIN,9.52mm OD

2шт.

15

L78786

CABLE RETAINER

Wire Rope

2шт.

16

413-624

BOLT,Hex, 3/8" - 16 x 1-1/2", Gr 5

4шт.

17

495-11041

WASHER,0.406" ID x 0.812" OD x 0.065" W

(13/32 x 13/16 x 1/16")

12шт.

18

231-1446

NUT,3/8" - 16, Gr 5

4шт.

19

326009A1

FLANGE

No Longer Available, Order: 19A, 20A

1шт.

19a

326009A2

FLANGE

Replaces: 19

1шт.

20

413-720

BOLT,Hex, 7/16" - 14 x 1-1/4", Gr 5

Used with 19, 21, No Longer Used, Order 19A, 20A

2шт.

20a

380-2824

12 PT SCREW,Flg, 1/2" - 13 x 1 1/2"

12 Point Flanged, Used With: 19A, Replaces: 20

2шт.

21

492-11044

LOCK WASHER,7/16"

Not Illustrated, Used with 19, 20, No Longer Required

2шт.

22

413-620

BOLT,Hex, 3/8" - 16 x 1-1/4", Gr 5

4шт.

23

496-21041

WASHER,13/32" x 13/16" x .089", HDN

8шт.

24

231-4146

NUT,3/8"-16, GB

4шт.

25

325950A1

SHAFT

1шт.

26

83-13816

SET SCREW,Hex Soc, 3/8"-16 x 1"

3/8 x 1 in; cup pt

1шт.

27

495-11094

WASHER,7/8", SAE

15/16 x 1-3/4 x 1/8

1шт.

28

339033A1

END

Used With: 29, 30, 31, 32, No Longer Used, Order: 28A, 29A, 30A, 31A, 32A

1шт.

28a

377255A1

FLANGED BEARING

Used With: 29A, 30A, 31A, 32A, Replaces: 28

1шт.

29

H53942

SPACER

21/64 ID x 25/32, Used With: 28, 30, 31, 32, No Longer Used, Order: 28A, 29A, 30A, 31A, 32A

2шт.

29a

276884A1

SPACER

Used With: 28A, 30A, 31A, 32A, Replaces: 29

2шт.

30

413-528

BOLT,Hex, 5/16" - 18 x 1-3/4", Gr 5

Used with 28, 29, 31, 32, No longer used, Order 28A, 29A, 30A, 31A, 32A

2шт.

30a

426-740

BOLT,Hex, 7/16" - 14 x 2-1/2", Gr 8

7/16 x 2-1/2, Used With: 28A, 29A, 31A, 32A, Replaces: 30

2шт.

31

496-21028

WASHER,.281" x 5/8" x .075", HDN

9/32 x 5/8 x 5/64, Hardened, Used With: 28, 29, 30, 32, No Longer Used, Order: 28A, 29A, 30A, 31A, 32A

4шт.

31a

496-21047

WASHER

15/32 x 59/64 x 7/64, Hardened, Used With: 28A, 29A, 30A, 32A, Replaces: 31

4шт.

32

231-4145

NUT,5/16"-18, GB

Used With: 28, 29, 30, 31, No Longer Used, Order: 28A, 29A, 30A, 31A, 32A

2шт.

32a

232-4117

LOCK NUT,7/16"-14, GC

Used with: 28A, 29A, 30A, 31A, Replaces 32

2шт.

Выбрано товаров: 41