Запчасти Case 6010 (09-26) - TANK - WATER (89) - TOOLS

Схема запчастей Case 6010 - (09-26) - TANK - WATER (89) - TOOLS
3
11
24
9
22
5
13
7
15
17
18
1
20
16
12
23
26
4
2
10
8
25
14
21
20
19
6
FIT
1:1
100%

Артикул

Название

Примечание

Количество

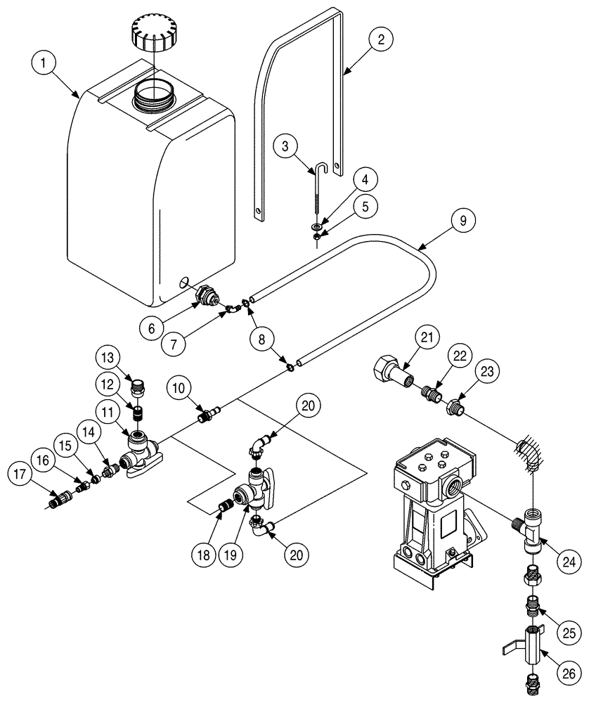
1

341202A1

TANK

Water

1шт.

2

362393A1

STRAP

Strap

2шт.

3

325058A1

BOLT

3/8 x 5, J

2шт.

4

496-21041

WASHER,13/32" x 13/16" x .089", HDN

4шт.

5

425-106

NUT,3/8"-16, Cl 5

4шт.

6

60401

FITTING

3/4 fem PT, Bulkhead

1шт.

7

98759019

FITTING

3/4 PT x 3/4 barb

1шт.

8

214-1412

HOSE CLAMP,#12, 0.69" - 1.25", Type F Worm

2шт.

9

365998A1

HOSE

19 x 1625 mm

1шт.

10

98750018

FITTING

3/4 PT x 3/4 barb

1шт.

11

52090011

VALVE

3/4 fem PT

1шт.

12

221-1211

FITTING

3/4 PT x 1-3/8

1шт.

13

98020075

FITTING

2 PT x 3/4 in PT

1шт.

14

221-1093

REDUCER,Hex, 3/4" x 1/2" NPT

1шт.

15

344834A1

FITTING

Garden Hose

1шт.

16

11116312

NIPPLE, LUBE

NIPPLE , Garden Hose

1шт.

17

11116311

COUPLING

Quick, Garden Hose

1шт.

18

221-1211

FITTING

3/4 PT x 1-3/8, Use If Equipped With Antifreeze Tank

1шт.

19

52090011

VALVE

3/4 fem PT, Use If Equipped With Antifreeze Tank

1шт.

20

98759019

FITTING

90°, 3/4 PT x 3/4 barb, Use If Equipped With Antifreeze Tank

2шт.

21

10010311

COUPLING

quick, Female

1шт.

22

217-1081

HYD CONNECTOR,3/8" - 18 NPTF

3/8 PT x 1-7/16

1шт.

23

221-92

REDUCER,Hex, 3/4" x 3/8" NPT

1шт.

24

217-1144

TEE,3/4"-14 Female x 3/4"-14 Male Br

1шт.

25

217-1073

HYD CONNECTOR,3/4" - 14 NPTF

3/4 PT

1шт.

26

01434111

BALANCE VALVE

Ball

1шт.

00259311

WASHER

Pressure Spray

1шт.

01321610

NOZZLE INJECTION

Spray Gun

1шт.

314635A1

HOSE ASSY.

6195 mm

1шт.

10010312

NIPPLE, LUBE

NIPPLE , 3/8 fem PT, Coupler, Quick, Male

1шт.

Выбрано товаров: 30