Запчасти Case 6010 (09-20) - HOOD (90) - PLATFORM, CAB, BODYWORK AND DECALS

Схема запчастей Case 6010 - (09-20) - HOOD (90) - PLATFORM, CAB, BODYWORK AND DECALS
8
16
14
24
19
23
19
15
5
12
9
2
22
18
1
22
20
23
4
7
3
21
20
10
24
23
17
23
24
6
13
11
4
FIT
1:1
100%

Артикул

Название

Примечание

Количество

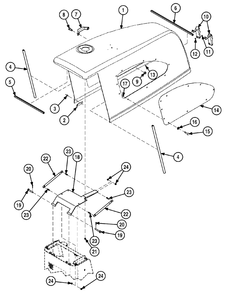
1

339658A2

HOOD

engine

1шт.

2

364955A1

BRACKET

1шт.

3

151-559

RIVET,Pop, 4.75mm OD x 12.7mm L

2шт.

4

376123A1

SEAL

730 mm

2шт.

5

376122A1

SEAL

1шт.

6

390375A1

MOLDING

1140 mm, Replaces 353130A1

1шт.

7

353100A1

HANDLE

1шт.

8

440-12516

SCREW,Cross Pan Hd, 1/4"-20 x 1"

1/4 x 1

2шт.

9

231-1444

NUT,1/4"-20, GB

2шт.

10

352979A1

LATCH

2шт.

11

440-1108

SCREW,Cross Pan Hd, #10-24 x 1/2"

4шт.

12

193-1004

NUT,Keps, #10 - 24, w/ Ext Tooth LW

No. 10

4шт.

13

151-522

RIVET,Pop, 3/16" x .575"

3/16 x 7/32

4шт.

14

352462A2

PLATE

1шт.

15

413-512

BOLT,Hex, 5/16" - 18 x 3/4", Gr 5

10шт.

16

496-21034

WASHER,11/32" x 11/16" x 0.89", HDN

10шт.

17

H346650

NUT

10шт.

18

352530A2

BRACKET

Hood

1шт.

19

427-8325

CLEVIS PIN,1/2" x 3 1/4"

1/2 x 3-1/2

2шт.

20

432-816

COTTER PIN,1/8" x 1"

2шт.

21

231-1446

NUT,3/8" - 16, Gr 5

4шт.

22

357086A1

SPRING

2шт.

23

1340345C1

BALL STUD

BALL PIN

4шт.

24

231-1445

NUT,5/16"-18, GB

4шт.

Выбрано товаров: 24